Aktiv klemmende Vorwärtswandler

Hohe Effizienz für die Telekommunikation

20. Januar 2024, 11:00 Uhr | Von Rolf Horn, Applications Engineer bei DigiKey
Analog Devices
© Analog Devices

Zur Überwindung der Einschränkungen aktiv klemmender Vorwärtswandler, die bei der Entwicklung von TK-Stromversorgungen bevorzugt werden, ist eine neue Generation von SV-Technologien entstanden, die einen höheren Wirkungsgrad, eine höhere Leistungsdichte und vereinfachte Steuerungsmechanismen bieten.

Diesen Artikel anhören

Zu einem wichtigen Bestandteil der modernen Gesellschaft und der weltweiten Echtzeitkommunikation ist der Telekommunikationssektor geworden. Ob für ein Telefongespräch, eine Textnachricht oder eine Internetübertragung – Telekommunikationsgeräte sorgen für zuverlässige Verbindungen. Selten Beachtung findet dabei bislang die im Hintergrund arbeitende Stromversorgung, ein wesentlicher Bestandteil der Applikation.

Dieser Artikel befasst sich mit dem MAX15258 von Analog Devices, der für die Aufnahme von bis zu zwei MOSFET-Treibern und vier externen MOSFETs in einphasigen oder zweiphasigen Boost- und invertierenden Buck-Boost-Konfigurationen ausgelegt ist. Es ist möglich, zwei Komponenten für einen drei- oder vierphasigen Betrieb zu kombinieren, wodurch höhere Ausgangsleistungen und Wirkungsgrade erzielt werden.

Deckung des steigenden Energiebedarfs

Im Laufe der Zeit ist der Energiebedarf in der Telekommunikationsbranche gestiegen, was auf die technologischen Entwicklungen, den erhöhten Netzverkehr und den Ausbau der Telekommunikationsinfrastruktur zurückzuführen ist. Dabei hat der Übergang von Netzen der dritten Generation (3G) zu Netzen der vierten (4G) und der fünften Generation (5G) zu fortschrittlicheren Geräten mit hoher Leistung geführt.

Mit der Einführung der 5G-Technologie waren erhebliche Auswirkungen auf den Energiebedarf von Basisstationen und Mobilfunktürmen verbunden. Basisstationen, insbesondere in städtischen Gebieten, benötigen eine höhere Leistung, um die größere Anzahl von Antennen und Funkeinheiten zu unterstützen, die für massive MIMO-Konfigurationen (Multiple Input, Multiple Output) und Strahlformung erforderlich sind.

Analog Devices
Bild 2: Blockdiagramm einer Stromversorgungsstufe für 5G-Anwendungen.
© Analog Devices

Ein weiterer entscheidender Faktor ist die Redundanz. Stromversorgungen müssen redundant ausgelegt sein und umfassen oft auch Ersatzstromquellen wie Batterien oder Generatoren, um einen unterbrechungsfreien Betrieb bei Stromausfällen zu gewährleisten.

Anforderungen an den Leistungsverstärker

Im Vergleich zu früheren Generationen von Mobilfunknetzen bringt die Einführung der 5G-Mobilfunktechnologie mehrere Änderungen bei den Anforderungen an die Stromversorgung von Geräten mit sich. Damit 5G sein Versprechen einer zuverlässigen High-Speed-Kommunikation mit geringen Latenzzeiten einlösen kann, müssen einige Kriterien erfüllt werden:

  • Unterstützung eines breiten Spektrums von Frequenzbändern einschließlich Sub-6-GHz- und Millimeterwellen-Frequenzen, die eine besondere Herausforderung für die Signalausbreitung darstellen
  • Größere Signalbandbreiten und höhere Leistungspegel sowie lineare Verstärkung zur Vermeidung von Verzerrungen bei Signalen mit hoher Datenrate
  • Effizienter Betrieb zur Minimierung des Stromverbrauchs und der Wärmeentwicklung, insbesondere bei batteriebetriebenen Geräten und entfernten kleinen Zellen
  • Ein leichter, kompakter Formfaktor, der in kleine Gehäuse passt, etwa in kleine Mobilfunkstandorte und Benutzergeräte
  • Verwendung fortschrittlicher Materialien und Technologien wie Halbleiterbauelemente aus Galliumnitrid (GaN) und Siliziumkarbid (SiC), um eine höhere Leistungsdichte, bessere Leistung und höhere Betriebsfrequenzen zu erzielen

Anforderungen an die Energieumwandlung

Aus historischen, praktischen und technischen Gründen verwenden Telekommunikationssysteme in der Regel eine –48-V-Stromversorgung. Im Falle einer Netzstörung oder eines anderen Notfalls benötigen Telekommunikationsnetze zuverlässige Ersatzstromquellen. Blei-Säure-Batterien, die häufig als Reservestromquelle verwendet werden, können ebenfalls für –48V herangezogen werden. Die Verwendung der gleichen Spannung für Primär- und Notstromversorgung erleichtert die Planung und Wartung von Notstromsystemen. Außerdem sind niedrigere Spannungen wie –48V für das Personal, das mit Telekommunikationsgeräten arbeitet, sicherer, da die Gefahr von Stromschlägen und Verletzungen geringer ist.

Analog Devices
Bild 3: Vierphasige Konfiguration – Regler- und Zielwellenformen
© Analog Devices

Stromversorgungen für Telekommunikationsgeräte müssen bestimmte Betriebsanforderungen erfüllen, um Zuverlässigkeit und Effizienz zu gewährleisten. Hier sind einige wichtige Spezifikationen:

  • Eingangsspannungsbereich: Das Netzteil sollte so ausgelegt sein, dass es einen breiten Eingangsspannungsbereich verträgt.
  • Spannungsregelung: Die Stromversorgung muss eine stabile und geregelte Ausgangsspannung entsprechend den Anforderungen der Telekommunikationsausrüstung liefern.
  • Hoher Wirkungsgrad: Stromversorgungen sollten hocheffizient sein, um Leistungsverluste und Energieverbrauch zu reduzieren. Üblich sind Wirkungsgrade von mindestens 90Prozent.
  • Redundanz: Um einen unterbrechungsfreien Betrieb zu gewährleisten, verfügen Netzteile häufig über Redundanzfunktionen wie N+1, bei denen ein zusätzliches Netzteil verwendet wird. Wenn eines versagt, kann das andere die Last übernehmen.
  • Hot-Swap-fähig: In unternehmenskritischen Installationen sollten die Netzteile im laufenden Betrieb austauschbar sein, um minimale Ausfallzeiten bei Austausch oder Wartung zu gewährleisten.
  • Hohe Zuverlässigkeit: Die Stromversorgung sollte mit Schutzmechanismen ausgestattet sein, um Schäden durch ungünstige Betriebsbedingungen wie Überstrom, Überspannung und Kurzschluss zu vermeiden.

Der aktiv klemmende Vorwärtswandler

Der aktiv klemmende Vorwärtswandler (ACFC) ist eine in Stromversorgungssystemen übliche DC/DC-Wandlerkonfiguration, die hauptsächlich für die Umwandlung von z. B. –48VDC in positive Spannungspegel verwendet wird. Es ist eine Spannungswandlerschaltung, die die Eigenschaften des Vorwärtswandlers und der aktiven Klemmschaltung integriert, um den Wirkungsgrad zu verbessern. Diese Technologie ist in Systemen zur Stromversorgung von Geräten in Telekommunikations- und Rechenzentren weit verbreitet.

Zentrales Element des ACFC ist ein Transformator (Bild 1). Seine Hauptwicklung empfängt die Eingangsspannung, was zur Induktion einer Spannung in der Sekundärwicklung führt. Durch sein Übersetzungsverhältnis wird die Ausgangsspannung des Transformators bestimmt.

Die aktive Klemmschaltung, die zusätzliche Halbleiterschalter und einen Kondensator enthält, regelt und steuert die in der Streuinduktivität des Transformators enthaltene Energie. Wenn der Primärschalter ausgeschaltet ist, wird die in der Streuinduktivität gespeicherte Energie in den Klemmkondensator umgeleitet, wodurch Spannungsspitzen verhindert werden. Dadurch wird die Belastung des primären Schalters verringert und die betriebliche Effizienz erhöht. Mittels einer Diode wird die Spannung der Sekundärwicklung des Transformators gleichgerichtet, und die Ausgangsspannung wird durch einen Ausgangsfilterkondensator geglättet. Schließlich arbeitet der ACFC mit einem sanften Schalten, was bedeutet, dass die Umschaltvorgänge sanfter sind und weniger Rauschen erzeugen. Dies führt zu weniger elektromagnetischen Störungen (EMI) und geringeren Schaltverlusten.

Analog Devices
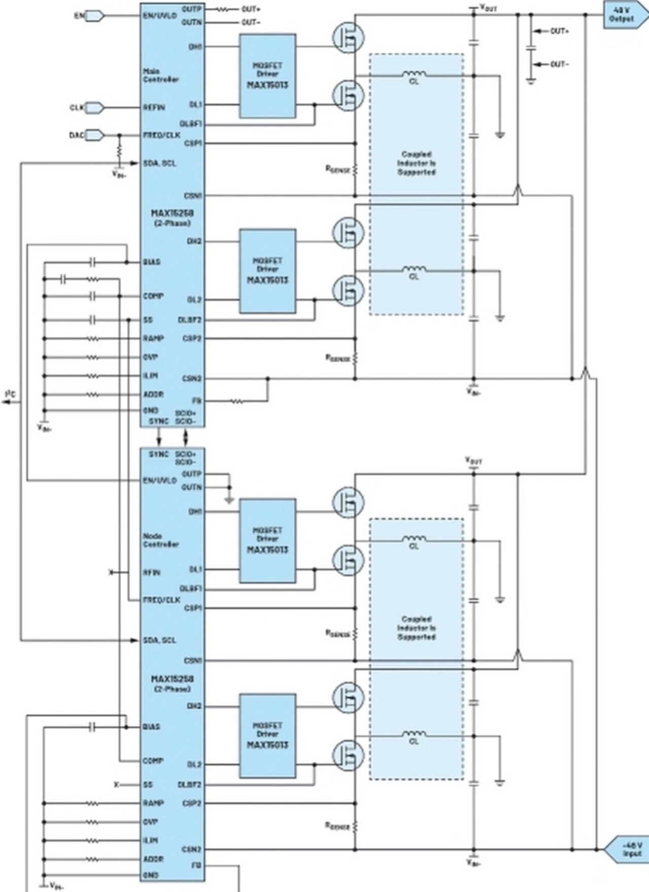
Bild 4: Vierphasige invertierende Buck/Boost-Stromversorgung für –48V am Eingang zu +48 V am Ausgang, bei maximal 800W.
© Analog Devices

Der ACFC-Schaltkreis reduziert Spannungsspitzen und die Belastung der Komponenten, was zu einer verbesserten Effizienz führt, insbesondere bei einem hohen Verhältnis von Eingangs- zu Ausgangsspannung. Darüber hinaus kann er mit einem breiten Spektrum an Eingangsspannungen umgehen und eignet sich daher für Anwendungen in der Telekommunikation und in Rechenzentren mit unterschiedlichen Eingangsspannungen.

Zu den Nachteilen der aktiven Klemmung gehören folgende:

  • Wird der Wert nicht auf einen Maximalwert begrenzt, kann eine erhöhte Einschaltdauer zur Sättigung des Transformators oder zu einer zusätzlichen Spannungsbelastung des Hauptschalters führen, was eine genaue Dimensionierung des Klemmkondensators erforderlich macht.
  • ACFC ist ein einstufiger DC/DC-Wandler. Mit steigender Leistung werden die Vorteile eines mehrphasigen Designs für leistungsintensive Anwendungen wie die Telekommunikation zunehmen.
  • Ein Design mit aktiv klemmender Vorwärtswandlung kann nicht auf eine höhere Ausgangsleistung skaliert werden, ohne dass die Performance darunter leidet.

Die Grenzen von ACFC überwinden

Bei Analog Devices’ MAX15258 handelt es sich um einen mehrphasigen Boost-Controller für hohe Spannungen mit einer I2C-Schnittstelle, der für Telekommunikations- und Industrieanwendungen entwickelt wurde. Er verfügt über einen weiten Eingangsspannungsbereich von 8V bis 76V für die Boost-Konfiguration und –8 bis –76V für die invertierende Buck/Boost-Konfiguration. Sein Ausgangsspannungsbereich von 3,3 bis 60V deckt die Anforderungen verschiedener Anwendungen einschließlich Telekommunikationsgeräten ab.

Eine typische Anwendung dieses vielseitigen IC ist die in Bild 2 gezeigte Stromversorgung für eine 5G-Makrozelle oder -Femtozelle. Dabei wird die Hot-Swap-Funktion durch einen Hot-Swap-Controller mit negativer Spannung wie etwa den ADM1073 von ADI gewährleistet, der mit –48V versorgt wird. Dieselbe Spannung versorgt den Buck/Boost-Wandler MAX15258, der eine Ausgangsleistung von bis zu 800W liefern kann.

Der MAX15258 ist für die Unterstützung von bis zu zwei MOSFET-Treibern und vier externen MOSFETs in ein- oder zweiphasigen Boost- oder invertierenden Buck/Boost-Konfigurationen ausgelegt. Er kombiniert zudem zwei Komponenten für den drei- oder vierphasigen Betrieb. Er verfügt über einen internen Hochspannungs-FB-Pegelwandler zur differenziellen Erfassung der Ausgangsspannung, wenn er als invertierender Buck/Boost-Wandler konfiguriert ist. Über einen speziellen Referenz-Eingangspin oder über eine digitale I2C-Schnittstelle kann die Ausgangsspannung dynamisch eingestellt werden.

Über einen externen Widerstand lässt sich der interne Oszillator einstellen, oder der Regler kann mit einem externen Taktgeber synchronisiert werden, um eine konstante Schaltfrequenz zu gewährleisten. Es werden Schaltfrequenzen von 120kHz bis 1MHz unterstützt. Der Regler ist außerdem gegen Überstrom, Ausgangsüberspannung, Eingangsunterspannung und thermische Abschaltung geschützt.

Analog Devices
Bild 5: Wirkungsgrad vs. Ausgangslaststrom des Referenzdesigns MAX15258 CL 800W.
© Analog Devices

Durch den Widerstand am OVP-Pin wird die Anzahl der Phasen zum Regler bestimmt. Mit dieser Identifikation wird festgelegt, wie der Regler auf das Mehrphasentaktsignal der Primärphase reagiert. Bei einem Vier-Phasen-Wandler sind die beiden Phasen des Controllers MAX15258 oder des Targets um 180° verschachtelt, während die Phasenverschiebung zwischen Controller und Target 90° beträgt (Bild 3).

Bei mehrphasigem Betrieb überwacht der MAX15258 den Low-Side-MOSFET-Strom für einen aktiven Phasenstromausgleich. Als Rückkopplung wird das Stromungleichgewicht auf die Schaltung zur zyklusweisen Stromerfassung angewendet, um den Laststrom zu regulieren. Auf diese Weise wird eine gleichmäßige Verteilung zwischen den beiden Phasen gewährleistet. Im Gegensatz zu Vorwärtswandlern muss bei diesem IC während der Entwurfsberechnung eine mögliche Phasenunsymmetrie von 15 bis 20Prozent nicht berücksichtigt werden.

Im Dreiphasen- oder Vierphasenbetrieb wird der durchschnittliche Strom pro Chip über spezielle Differenzverbindungen zwischen Regler und Ziel übertragen. Der Stromregler und die Zielkomponenten regeln ihre jeweiligen Ströme so, dass sich alle Phasen den Laststrom gleichmäßig teilen.

Für Anwendungen, die große Mengen an Strom benötigen, eignet sich die in Bild 4 gezeigte vierphasige, verschachtelte, invertierende Buck/Boost-Stromversorgung. Die Signale CSIO+ und CSIO– verbinden die beiden Controller, und die SYNC-Pins werden angeschlossen, um die Taktsynchronisation für das Phasenverschachtelungsschema mit koordinierten Phasen zu gewährleisten.

Da der MAX15258 ein niederfrequenter Aufwärtswandler ist, werden die Hauptverluste des Wandlers – die Schaltverluste – reduziert. Da jeder Wandler in seinem verlustarmen Bereich bei niedriger Frequenz arbeitet, bietet dies eine hohe Ausgangsleistung bei einer hohen äquivalenten Gesamtfrequenz. Dies macht ihn zum idealen Bauteil für die Umwandlung von –48V.

Er arbeitet mit einem stabilen Tastverhältnis und erzielt eine hohe Ausgangsleistung bei extrem hohem Wirkungsgrad. Bild 5 zeigt die Wirkungsgradkurven eines 800-W-Referenzdesigns auf Basis von induktivitätsgekoppelten MAX15258 für verschiedene Kombinationen von VIN und VOUT. Aufgrund der geringeren Leitungsverluste zeigen die Diagramme einen Wirkungsgrad von mehr als 98Prozent.

Anbieter zum Thema

zu Matchmaker+

Lesen Sie mehr zum Thema


Das könnte Sie auch interessieren