Protect your Ports - Designtipps Teil 1

Schutz der Power-over-Ethernet-Kommunikation

18. Juli 2022, 14:15 Uhr | Von Todd Phillips, Global Market Manager, Electronic Business Unit, Littelfuse, Inc.
Abbildung 1. Empfohlene Schutzkomponenten für PoE++-Protokoll-Schaltung
Abbildung 1: Empfohlene Schutzkomponenten für PoE++-Protokoll-Schaltung
© Littlefuse

Für zuverlässige Kommunikationssysteme müssen die Entwickler die Auswirkungen der äußeren Umgebung auf ihre Datenanschlüsse berücksichtigen. In einer dreiteiligen Serie gibt Littlefuse Designtipps für Schutzmaßnahmen für Datenports. Teil 1: Power over Ethernet (PoE).

Diesen Artikel anhören

Informationen zwischen Daten-Ports auf einem Informationskanal zu übermitteln und zu empfangen, ist das Hauptziel bei der Entwicklung von Datenkommunikationssystemen. Darüber hinaus müssen die Kommunikationssysteme zuverlässig sein, damit sie jederzeit funktionieren und wichtige Daten nicht verloren gehen oder Übertragungen unterbrochen werden. Für robuste und zuverlässige Kommunikationssysteme müssen die Entwickler die Auswirkungen der äußeren Umgebung auf ihre Datenanschlüsse berücksichtigen. Störungen wie Blitzschlag, elektrostatische Entladung (ESD), Überstromstöße und Überspannungstransienten können die integrierten Kommunikationsschaltungen (ICs) beschädigen. Entwickler stehen vor der Herausforderung, Schutzmaßnahmen gegen diese Störungen in ihre Designs zu integrieren, ohne die Leistung ihrer Schaltungen zu beeinträchtigen. Zugleich müssen sie die Größenanforderungen einhalten und die Kosten im Blick behalten. Dieser Artikel, der erste einer dreiteiligen Serie, soll Elektronikentwicklern bei der Bewältigung dieser Herausforderungen helfen, indem er Schutzmaßnahmen für ihre Datenport-Designs vorstellt. Teil 1 gibt Schutzempfehlungen für Power over Ethernet (PoE). Im zweiten und dritten Teil wird der Schutz von High-Speed- und Low-Speed-Schnittstellen behandelt.

PoE ist eine Übertragungstechnologie, die Strom zusammen mit Daten über Ethernet-Kabel leitet. Ein einziges Kabel versorgt Geräte wie VOIP (Voice over Internet Protocol)-Telefone, Sicherheitskameras mit Internetprotokoll, Wireless Access Points, Netzwerkrouter in Rechenzentren und industrielle Steuersysteme mit Strom und Daten. Der IEEE-Standard für PoE ist 802.3 und wurde seit 2003 weiterentwickelt, um eine höhere Leistung zu ermöglichen. Tabelle 1 zeigt die ursprüngliche Version und die nachfolgenden Überarbeitungen des IEEE-Standards 802.3. Die Weiterentwicklung des Standards von 2018, 802.3bt, allgemein als PoE++ bezeichnet, erlaubt eine maximale Leistung von 90 W und eine Stromstärke von bis zu 960 mA auf den Datenleitungen. Darüber hinaus ermöglicht dieser Standard Ethernet-Übertragungsraten von bis zu 10 Gbit/s (10GBASE-T). Integriert man Strom mit digitalen Niederspannungssignalen, muss man jedoch PoE-Schaltungen vor Stromüberlastungen und Spannungstransienten wie Blitzschlag, ESD und anderen schnellen Transienten, die sich auf einer Wechselstromleitung ausbreiten, schützen.

Tabelle 1. Entwicklung des IEEE 802.3-Standards zur Übertragung mit höherer Leistung
Tabelle 1. Entwicklung des IEEE 802.3-Standards zur Übertragung mit höherer Leistung
© Littlefuse

Schutz eines PoE++ Ports

Abbildung 1 zeigt ein Beispiel für ein PoE++-Design und empfohlene Schutzkomponenten für die Absicherung gegen Stromüberlastung und transienten Spannungen. Die Schaltung zwischen dem RJ45-Stecker und dem Schutznetzwerk ist so konzipiert, dass sie sowohl die Ethernet Physical Layer (PHY)-Schaltung als auch den Powered Device (PD) Controller schützt.

Abbildung 1. Empfohlene Schutzkomponenten für PoE++-Protokoll-Schaltung
Abbildung 1. Empfohlene Schutzkomponenten für PoE++-Protokoll-Schaltung
© Littlefuse

Eine Sicherung sollte jede der acht Datenleitungen vor Stromüberlastung schützen. Eine träge Sicherung sorgt dafür, dass keine unerwünschten Abschaltungen aufgrund von Stromstößen durch ein Schaltnetzteil oder Blitzeinschläge auftreten. Zudem kann eine Sicherung Schäden aufgrund einer falsch verdrahteten oder kurzgeschlossenen Stromleitung vermeiden. Dabei sollte die Sicherung Normen wie IEC 62368-1, Telcordia GR-1089 und FCC 47, Teil 8 Überspannungsspezifikationen, entsprechen. Sicherungen, die diese Anforderungen erfüllen, haben einen Arbeitsstrom von etwa 2A oder weniger.  Zudem sollte die Sicherung einen Unterbrechungswert von bis zu 100 A aufweisen, so dass die Sicherung, selbst im schlimmsten Fall einer Überlastung, nicht durchbrennt. Sicherungen, welche die genannten Normen erfüllen, können sich bei einer Überlastung von 250 % in etwa einer Sekunde öffnen. Um die Leiterplatte effizient zu bestücken, sollte eine oberflächenmontierbare Version gewählt werden, die für das Reflow-Löten geeignet ist.

Am Mittelabgriff der Trennsignaltransformatoren sollte ein Schutzthyristor verwendet werden, der mit der Erde verbunden ist. So lassen sich Spannungstransienten, einschließlich Blitzeinschlägen, absorbieren. Dies verhindert, dass sie durch die Signaltransformatoren fließen. Schutzthyristoren, wie die SIDACtors® von Littelfuse, sind Geräte für Klemmschaltungen mit einer niedrigen Einschaltspannung, die hohe Ströme aus Transienten absorbieren. Mögliche Versionen von Schutzthyristoren können:

Eine Klemmschaltung für transiente Spannungen bis hinunter zu 6 V ermöglichen

Einen Stoßstrom von bis zu 200 A absorbieren

Das Spannungsüberschwingen minimieren

Eine niedrige Kapazität von etwa 100 pF aufweisen

Überspannungen beider Polaritäten absorbieren

Eine Beeinträchtigung durch mehrere Überspannungsereignisse vermeiden

Eine mit einem Schutzthyristor kombinierte Sicherung entspricht den weltweiten Normen GR 1080 und IEC 62368-1 zum Schutz von Telekommunikationsgeräten.

Schutz des Ethernet-Chipsatzes für die physikalische Schicht (PHY)

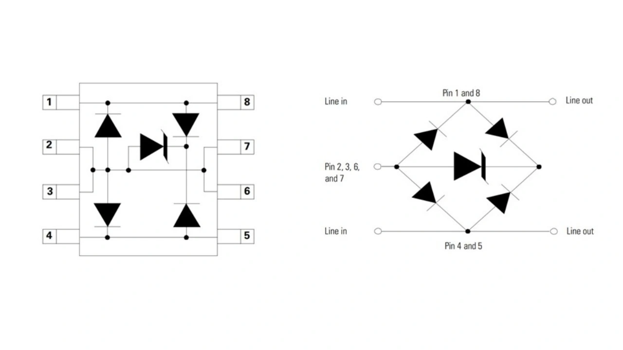
ESD-Schläge, Kabelentladungen und schnelle elektrische Transienten auf den Datenleitungen verursachen häufig Schäden am Ethernet-PHY-Chipsatz. Ein TVS-Dioden-Array (Transient Voltage Suppressor) kann den notwendigen Schutz bieten. Um alle acht Datenleitungen abzusichern, sollten zwei 4-Kanal-TVS-Dioden-Arrays verwendet werden, wie in Abbildung 2 dargestellt. Ein TVS-Dioden-Array bietet folgende Vorteile:
 

ESD-Schutz bis zu ±30 kV

Absorption von Transienten mit einer Impulsleistung von bis zu 1.000 W oder einem Spitzenstrom von bis zu 45 A

Minimierte Signalverzerrung mit nur 2,5 pF pro Pin gegen Masse

Geringe Stromaufnahme mit 0,5 µA

Platzsparendes µDFN-10-Gehäuse zur Oberflächenmontage

Abbildung 2. Integrierter Schaltkreis mit vierkanaligem TVS-Dioden-Array
Abbildung 2. Integrierter Schaltkreis mit vierkanaligem TVS-Dioden-Array zum Schutz eines Ethernet-Physical-Layer-Schaltkreises (PHY) mit bidirektionalen Diodenpaaren und einer Zener-Diode für zusätzlichen Klemmschutz
© Littlefuse

Schutz des Powered Device (PD)-Controllers

Der PD-Controller ist ein DC/DC-Wandler, der den Gleichstrom für die Energieversorgung der Geräte liefert. Die AC/DC-Gleichrichterschaltungen sind in separaten Schaltungsblöcken dargestellt. Die Gleichrichterschaltungen sind direkt mit den über den RJ45-Anschluss eingehenden Signalen verbunden. Um die Gleichrichterschaltungen vor Spannungstransienten zu schützen, empfehlen sich bidirektionale TVS-Dioden an den Eingangsleitungen. Modelle dieser Diodenpaare können bis zu 1.500 W Impulsleistung oder einen Stoßstrom von 200 A absorbieren. TVS-Dioden reagieren sehr schnell auf Transienten mit einer Reaktionszeit von weniger als 1 ps. Außerdem liegt ihr Leckstrom unter 1 µA, um den Stromverbrauch der Schaltung zu minimieren.

Der Schutz des PD-Controllers sollte mit einer unidirektionalen TVS-Diode am Ausgang des Gleichrichters und am Eingang der DC/DC-Versorgung des PD-Controllers vervollständigt werden. Dabei ist eine geeignete Klemmspannung auf der Grundlage des Schaltungsentwurfs auszuwählen. Das Bauteil sorgt für eine schnelle Reaktion auf eine Transiente.

Schutz eines PoE-Netzwerks in einem Gebäude

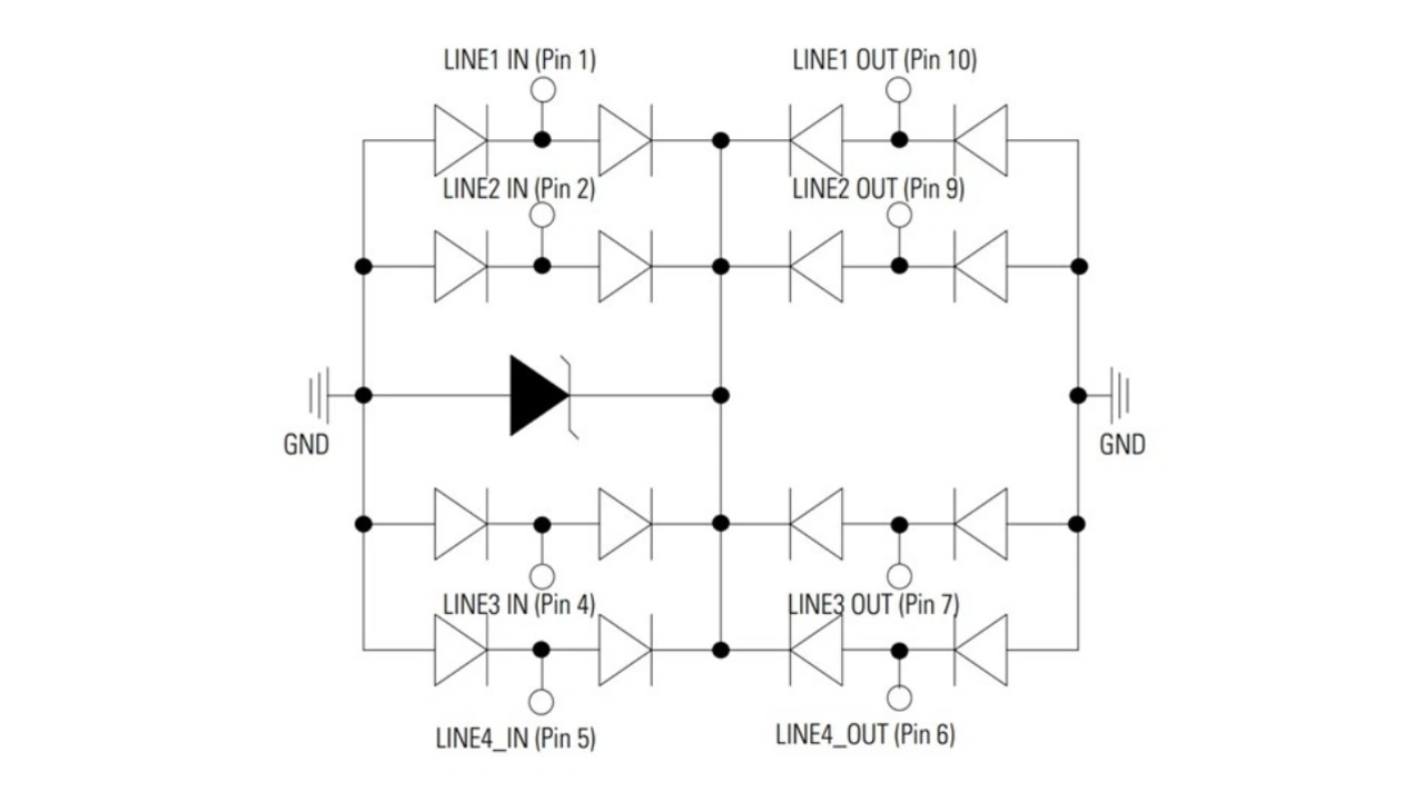
Ein PoE-Netzwerk innerhalb eines Gebäudes stellt eine weniger anspruchsvolle Umgebung dar. Zudem führt das PoE-Netzwerk nur maximal 15,4 V oder 350 mA. Hier empfiehlt sich der Schutz des PHY vor schädlichen ESD-Ereignissen mit einem 2-Kanal-TVS-Dioden-Array. Abbildung 3 (Blockdiagramm oben links) zeigt ein Beispiel für ein PoE-Netzwerk und das TVS-Dioden-Array auf den Eingangs-/Ausgangsleitungen zum Ethernet-PHY-Chipsatz. Abbildung 4 stellt das Schaltbild des 2-Kanal-TVS-Dioden-Arrays dar. Möglich ist auch eine Schutzdioden-Array, das einen ESD-Schlag bis zu ±30 kV und einen Stromstoß im Bereich von 40 A absorbieren kann. Gehäuse mit nicht mehr als 2 pF Kapazität gegen Erde minimieren die Signalverzerrung der Tx- und Rx-Signale. Zudem sollte auf ein TVS-Dioden-Array mit einem geringen Leckstrom, z. B. weniger als 1 µA, geachtet werden.

Abbildung 3. Empfohlene Komponenten für den Schutz von PoE-Stromkreisen im Innen- und Außenbereich
Abbildung 3. Empfohlene Komponenten für den Schutz von PoE-Stromkreisen im Innen- und Außenbereich
© Littlefuse
Abbildung 4. Integrierter Schaltkreis mit zweikanaligem TVS-Dioden-Array zum Schutz einer Ethernet-PHY-Schaltung vor Spannungsspitzen
Abbildung 4. Integrierter Schaltkreis mit zweikanaligem TVS-Dioden-Array zum Schutz einer Ethernet-PHY-Schaltung vor Spannungsspitzen
© Littlefuse

Schutz eines PoE-Netzwerks in einer Außenumgebung

Im Freien sind die Bedingungen für elektronische Geräte wesentlich anspruchsvoller als in Innenräumen. Es besteht ein höheres Risiko von Überstromfehlern durch unerwünschte Stromübergänge. Auch die Gefahr durch blitzbedingte Überspannungen steigt. Wie bei der PoE++-Schutzschaltung wird auch bei PoE-Schaltungen für den Außenbereich und raue Umgebungen eine träge Sicherung auf jeder E/A-Leitung empfohlen, um vor Stromübergängen zu schützen. Ein Beispiel ist rechts oben in Abbildung 3 dargestellt. In dieser schwierigen Umgebung sollten zusätzlich zu den Sicherungen auch Gasentladungsröhren an den E/A-Leitungen angebracht werden. Eine Gasentladungsröhre bietet durch eine Klemmschaltung Schutz vor Blitzschlag oder anderen gefährlichen Transienten. Eine Gasentladungsröhre hat die folgenden Eigenschaften:

Die Fähigkeit, einen Stromstoß von bis zu 1.000 A zu absorbieren und auszuhalten

Niedrige Kapazität, unter 1 pF, unabhängig von der am Bauteil anliegenden Spannung

Gasentladungsröhren gibt es in Modellen mit oberflächenmontierbarem Gehäuse. Zu beachten ist, dass die Kombination aus Sicherung und Gasentladungsröhre alle regulatorischen Anforderungen erfüllen sollte, die für den PoE++-Standard beschrieben sind.

Wie bei anderen Schaltungen kann ein TVS-Dioden-Array den Ethernet-PHY-Chipsatz schützen. Im Falle des PoE-Schaltkreises für den Außenbereich sollte ein TVS-Dioden-Array mit höherer Leistung zum Einsatz kommen, wie die in Abbildung 5 gezeigte 2-Kanal-Komponente. Solche Bauteile können 3.000 W an transienter Leistung oder 150 A Stoßstrom absorbieren. Die integrierte Zener-Diode bietet Transientenschutz für das gesamte Bauteil, und die internen Suppressordioden gewährleisten differenziellen Transientenschutz für die einzelnen Kanäle.

Abbildung 5. Pinbelegung und Funktionsblockdiagramm für einen zweikanaligen TVS-Dioden-Transientenschutz
Abbildung 5. Pinbelegung und Funktionsblockdiagramm für einen zweikanaligen TVS-Dioden-Transientenschutz
© Littlefuse

Der Wert von robustem Design

Wer einen Überlastungsschutz in seine Kommunikationssysteme integriert, verhindert Ausfälle durch schädliche Umwelteinflüsse. Die Vorteile sind reduzierte Servicekosten und ein besserer Ruf des Produkts, die bei weitem die geringen Kosten für die zusätzlichen Komponenten überwiegen. Wer den Schutz von Anfang an in das Design einbezieht und nicht erst nachträglich einbaut, verlängert zu Beginn die Entwicklungszeit nur minimal, vermeidet aber nachträgliche Korrekturen. Darüber hinaus lässt sich bei der Entwicklung und Auswahl von Schutzkomponenten wertvolle Entwicklungszeit einsparen, wenn man auf das Fachwissen eines Herstellers zurückgreift. Dieser kann mit kosteneffektiven Lösungen helfen, die Gesamtkosten zu reduzieren.

Über den Autor

Todd Phillips ist der Global Strategic Market Manager für den Geschäftsbereich Elektronik. Er kam 2006 als Vertriebsingenieur für den industriellen POWR-GARD-Geschäftsbereich zu Littelfuse. 2011 wurde er regionaler Vertriebsleiter im Geschäftsbereich Elektronik. Zu seinen derzeitigen Aufgaben gehören die Entwicklung von Marketingmaterial, das Management von Marketingaktivitäten für neue Produkteinführungen sowie die Durchführung von Marktstudien und Machbarkeitsanalysen für neue Produktideen. Er erhielt seinen BSEE von der Milwaukee School of Engineering.


Lesen Sie mehr zum Thema


Das könnte Sie auch interessieren