Advertorial

Effizienz ist Trumpf

29. Januar 2021, 10:04 Uhr | SIGLENT TECHNOLOGIES Germany GmbH, Michaela Stolka
Power Woche Trends 2021
© Siglent

In den letzten Jahren hat die Bedeutung der Leistungselektronik stark zugenommen und dies wird auch so bleiben. Was sind die Gründe dafür? Ein Blick auf die aktuellen Trends zeigt, dass bei fast allen die Verfügbarkeit und die effiziente Nutzung von elektrischer Energie ein wichtiger Bestandteil ist

Diesen Artikel anhören

Angetrieben durch die globalen Herausforderungen, wie Klimaerwärmung und Umweltverschmutzung finden technische Themen wie grüne Energie und alternative Antriebe große Beachtung. Darüber hinaus führt die immer weiter zunehmende Mobilität und die explodierende Anzahl von drahtlos kommunizierenden IoT-Geräten, zu immer mehr batteriebetriebenen Endgeräten. Als letztes Beispiel soll hier der wachsende Datenverkehr genannt sein. Hier ist die Verbindung zur Leistungselektronik nicht gleich zu erkennen, aber der Blick in die Rechenzentren zeigt, wie stark der wachsende Datenverkehr den Energieverbrauch beeinflusst. In einer Studie der RWTH Aachen (beauftragt von EON) wurde herausgearbeitet wie die groß der Anstieg des Energiebedarfs der Datenzentren durch die Einführung der neuen Mobilfunkgeneration 5G, mit ihren verschiedenen Stufen (Release 15,16,17) sein könnte. Der Energiebedarf alle Rechenzentren weltweit betrug 2017 bereits, geschätzte 416 Terawatt (TW). Stellt man sich nun vor, dass durch Optimierung und Weiterentwicklung der millionenfach verbauten Konverter (AC/DC und DC/DC) die Effizienz verbessert und somit der Verbrauch um 1% gesenkt werden könnte, würde das eine Einsparung von 4 TW bedeuten. Zusätzlich führt eine höhere Effizienz dazu, dass weniger Abwärme entsteht. Das führt zu weiteren Einsparungen, da weniger Energie in die Kühlung gesteckt werden muss. Dieses Beispiel ist eines von vielen und soll unterstreichen welchen Stellenwert die Entwicklung von hocheffizienten Konvertern und Invertern jetzt bereits einnimmt. 

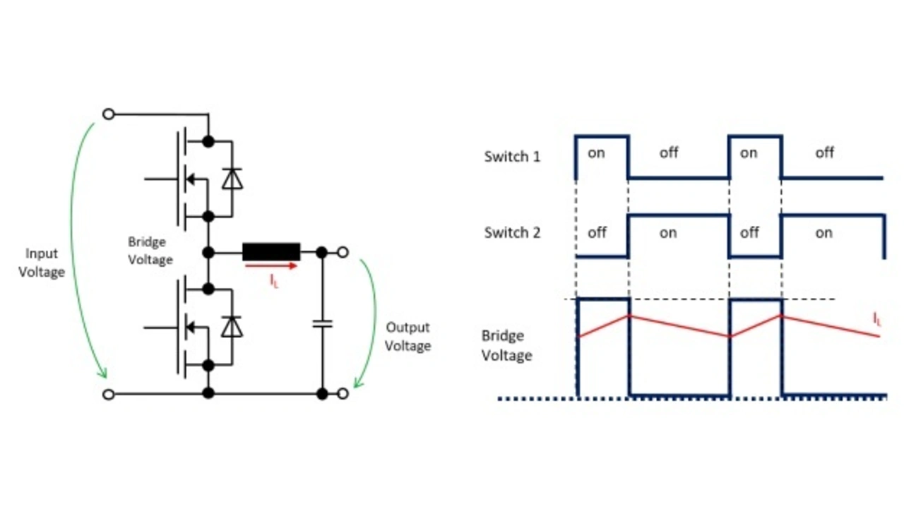
Das oberste Entwicklungsziel ist somit die Effizienzsteigerung. Aber jeder Entwickler weiß, dass es noch weitere wichtige Vorgaben gibt. Ein Go-/No-Go-Kriterium ist das Bestehen der EMV-Zulassungsmessungen. Weitere Zielvorgaben sind Größe, Gewicht und natürlich die Zuverlässigkeit. In der Regel sind einige der Ziele nicht zueinander komplementär, so dass ein Mittelweg gefunden werden muss. Als Grundlage für den weiteren Artikel soll hier kurz über die Grundstruktur eines DC/DC Abwärtskonverters gesprochen werden. Das Bild (Bild 1) zeigt die typische Kernschaltung eines Konverters. Der High-Side- und der Low-Side-"Schalter" (im Bild MOSFETs) sind in Reihe geschaltet. Die Steuerung erfolgt durch eine Gate-Steuerschaltung oder einer IC-Lösung. Das Zeitdiagramm zeigt, dass die Ein / Aus-Zyklen beider Schalter zueinander invertiert sind. Als Ergebnis wechselt die Brückenspannung zwischen Null und der Versorgungsspannung. Der resultierende Strom durch die Induktivität ist der Lade- / Entladestrom für die Ausgangskapazität. Durch Variation der An-/ Aus-Zykluszeit (PWM) kann der Lade- und Entladestrom und anschließend die entsprechende Ausgangsspannung an der Ausgangskapazität gesteuert werden. Dies ist eine sehr allgemeine Erklärung, aber es hilft, die allgemeine Funktion zu erklären.

SIGLENT

© SIGLENT

Mit diesem Basiswissen können nun die Designherausforderungen grundsätzlich diskutiert werden. Was kann also getan werden, um eine höhere Effizienz zu erreichen? Zuerst muss die am besten passende Topologie ausgewählt werden. Je nach Anwendung gibt es bessere oder schlechtere Lösungen. Der zweite Schritt bezieht sich auf die Auswahl des Halbleiterschalters. Neue Halbleitermaterialien sind inzwischen auf dem Markt verfügbar. Die so genannten „Wide-Bandgap“ (WBG) Materialien wie Siliziumkarbid (SiC) oder Galliumnitrit (GaN) sind die beiden bekanntesten. Diese haben geringere Verluste (Schalt-/Leitungsverluste), eine höhere Spannungsfestigkeit, steilere Schaltflanken und ermöglichen höhere Schaltfrequenzen. Aber wie immer, bekommt man nichts umsonst. 

Eine, durch die Verwendung neuer Technologie entstehende Herausforderung ist der Mangel an Erfahrungen bei der Implementierung von SiC- und GaN-Schaltern. Dies kann zu Problemen (z. B. Instabilität) während des Entwurfszyklus führen. Steilere Flanken und höhere Schaltfrequenz sind hervorragende Quellen für EMV-Emissionen. Die Einhaltung der Standards ist wie bereits erwähnt entscheidend.  Die höheren Kosten für die neuen Materialien können durch weniger und/oder kleinere Kühlkörper und Komponenten amortisiert werden.

Eine weitere hochinteressante Frage ist: Können moderne Schaltungssimulationen das Testen und Messen überflüssig machen? 

Der Fortschritt bei den Simulationstools, die Weiterentwicklung der implementierten Modelle und die Leistungssteigerung der Computertechnik erweitern die Anwendungsbereiche und verbessern die Präzision der Simulation. Nichtsdestotrotz, ist nach wie vor die Simulation nur so gut wie die Modelle und die bereitgestellten Daten. Ein Beispiel sind passive Komponenten. In der Regel ändern sich die Spezifikationen passiver Komponenten mit dem Anwendungsfall. Beispielsweise haben Keramikkondensatoren bei unterschiedlichen Vorspannungen unterschiedliche Kapazitäten, oder die Induktivität von Spulen ändert sich mit dem Strom. Die Datenblätter der Komponenten repräsentieren dies meistens nicht. ESR, ESL oder AC-Widerstand sind für die wenigsten Anwendungsfälle verfügbar. Daher ist es notwendig, die Komponenten unter realen Bedingungen zu messen, bevor die Daten in das Simulationswerkzeug eingegeben werden. Darüber hinaus gibt es Must-Have-Tests wie EMV-Konformität und Zuverlässigkeitstests. Auch die Leistungsspezifikationen des Endprodukts wie Stromverbrauch, Dynamik müssen durch Messung nachgewiesen werden.

SIGLENT

© SIGLENT
SIGLENT

© SIGLENT

Werfen wir zum Schluss einen Blick auf die häufigsten und wichtigsten Messungen. Aus didaktischen Gründen beginnen wir mit der Messung des Lastsprungverhaltens. Diese Messung wird normalerweise zu einem späteren Zeitpunkt im Entwicklungsprozess durchgeführt. Sie zeigt jedoch deutlich, was passiert, wenn das Design nicht gut ausgeführt wird. Während der Messung wird der Laststrom zwischen z.B. 10% und 90% des Maximalstroms sprunghaft geändert. Die Siglent DC-Last (hier SDL1020X-E) kann entsprechend konfiguriert werden. Es kann neben dem Strom, das Tastverhältnis und auch die Steilheit der Flanke eingestellt werden. Die DC-Lasten ermöglich somit eine flexible und einfache Testerstellung. Parallel zum Strom wird die Ausgangsspannung mit dem Oszilloskop gemessen. Der obere Teil im Bild 2 zeigt eine starke Oszillation. Neben dem Energieverlust kann dies auch zu Problemen bei den EMV-Tests führen. Die dargestellten Schwingungen sind typischerweise auf eine unzureichende Stabilität des Designs und Probleme in der Rückkoppelschleife zurückzuführen. Zur Problemeingrenzung kann im nächsten Schritt, die „Loop-Response“ vermessen werden. Diese Messung wird üblicherweise im Bode-Diagramm dargestellt. Aus dem Bode-Plot kann dann sowohl die Phasen- als auch die Amplitudenreserve („Phase & Gain Margin“) ausgelesen werden. Alle Siglent Oszilloskope der X-Serie verfügen standardmäßig über diese Funktionalität (Bild 3). Im oben beschriebenen Fall ist die Phasenreserve zu klein. Im Folgenden wurde durch Anpassung und Optimierung des Designs der Phasenabstand erhöht. Im Bild 2 (unten) ist die Verbesserung des Lastsprungverhaltens dargestellt.

SIGLENT

© SIGLENT

Um ein optimales Ergebnis zu erreichen und Probleme möglichst früh zu erkennen wird empfohlen, so früh wie möglich mit entwicklungsbegleitenden Messung zu beginnen. Je früher Probleme erkannt werden, desto geringer ist der Korrekturaufwand und die -kosten. Idealerweise sollte die erste Aufgabe darin bestehen, den inneren Kern, d. h. die „Schaltzentrale“, zu optimieren. Ein korrektes Layout ist hier entscheidend, um eine Hochfrequenzoszillation durch LC-Resonanzen (CDS / Ltrace) zu vermeiden. Ferner muss die Totzeit zwischen High-Side- und Low-Side-Umschaltung angemessen sein. Wenn diese zu knapp bemessen ist, können Kurzschlüsse auftreten, und wenn sie zu lang ist, steigen die Verluste bzw. sinkt die Effizienz. Entwicklungsbegleitende EMV-Vormessungen bzw. Pre-Compliance-Messungen sollen ebenfalls so früh wie möglich eingeplant werden. Die Spektrum Analysatoren aus der Einstiegsklasse (z.B. SSA3015X Plus) von Siglent eignen sich hervorragend für diese Aufgabe.

Zusammenfassend kann man sagen, dass die Renaissance der Leistungselektronik auf die aktuellern Markttrends zurückzuführen ist. Effiziente und zuverlässige Konverterschaltungen sind zu einem maßgeblichen Bestandteil von neuen Produkten geworden. Neue Halbleitermaterialien eröffnen den Entwicklern neue und mehr Möglichkeiten, bringen aber auch neue Herausforderungen mit sich. Zum besseren Verständnis der Zusammenhänge und um das Beste aus dem Design herauszuholen, müssen umfangreiche Messungen durchgeführt werden. Siglent hat in den letzten drei Jahren sein Angebot an Messgeräten stark erweitert und kann nun eine breite Palette von Produkten anbieten. Das Ziel ist, jeden Leistungselektronikentwickler effizient bei der Lösung seiner Aufgaben zu unterstützen und damit einen Teil zur Wertschöpfung beizusteuern.


Lesen Sie mehr zum Thema


Das könnte Sie auch interessieren