HF-Transceiver

Optimierte Stromversorgung für 6-GHz-Transceiver

23. August 2021, 06:00 Uhr | Pablo Perez und John Martin Dela Cruz, Harry Schubert
©

Lässt sich das Rauschverhalten eines HF-ICs quantifizieren, so kann seine Stromversorgung optimiert werden. Am Beispiel eines HF-Transceiver-ICs wird gezeigt, wie Rauschen in eine Stromversorgung gezielt eingespeist wird, um zu ermitteln, wieviel Rauschen auf der Versorgungsspannung tolerierbar ist.

Diesen Artikel anhören

Der ADRV9009 von Analog Devices ist ein hoch integrierter, Transceiver für den 6-GHz-Frequenzbereich mit zwei Sendern und Empfängern, integrierten Synthesizern und digitalen Signalverarbeitungsfunktionen. Er kombiniert hohe Leistungsfähigkeit und geringen Leistungsbedarf, wie sie von 3G-, 4G- und 5G-Macrozellen-TDD-Basisstationen (Time Division Duplex) gefordert wird.

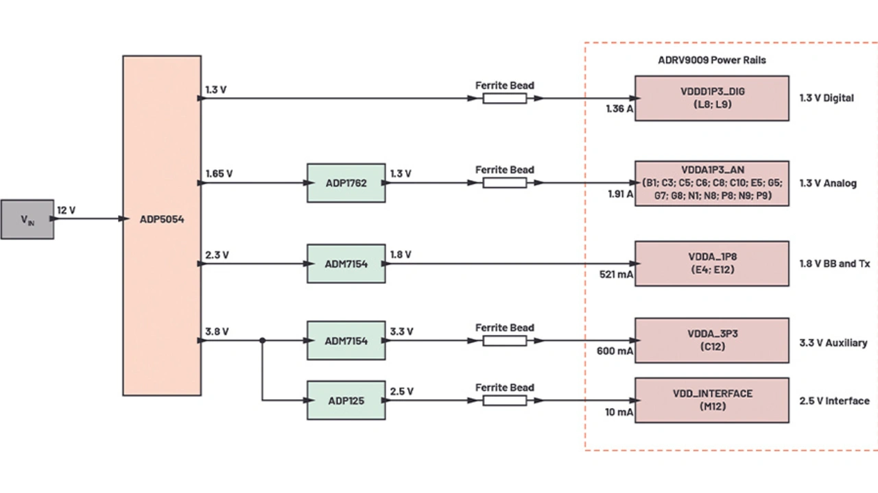
Stromversorgung des Zweifach-HF-Transceivers ADRV9009 von Analog Devices
Bild 1. Ein Standard-Evaluierungsmodul für die Stromversorgung des Zweifach-HF-Transceivers ADRV9009. In diesem Aufbau wird der Vierfach-Schaltregler-IC ADP5054 mit vier nachgeschalteten LDO-Reglern eingesetzt, um die Rauschspezifikationen zu erfüllen und die Leistung des Transceiver-ICs zu steigern. Das Ziel ist es nun, die Gesamtleistungsfähigkeit dieser Stromversorgung zu erhöhen.
© Analog Devices

Bild 1 zeigt die Standard-Stromversorgung für den Zweifach-HF-Transceiver-IC ADRV9009. Sie besteht aus einem Vierfachschaltregler ADP5054 (Abwärtswandler) mit vier Linearreglern (LDO, Low Drop-Out). Hier ist der Entwickler gefordert, zu erkennen, welcher Leistungsparameter der Stromversorgung verbessert werden kann und dabei nur so viel Rauschen generiert, dass die Leistungsfähigkeit des Transceivers nicht beeinträchtigt wird.

Um die Stromversorgung zu optimieren, ist es notwendig die Empfindlichkeit des ADRV9009 bezogen auf das Rauschen der Stromversorgung zu quantifizieren. Der Zweifach-6-GHz-HF-Transceiver-IC benötigt vier unterschiedliche Stromversorgungspegel, nämlich:

  • 1,3 V für analoge Schaltungsteile (VDDA1P3_AN)
  • 1,3 V für digitale Schaltungsteile (VDDD1P3_DIG)
  • 1,8 V für den Sender und die Basisband-Stufen (VDDA_1P8)
  • 2,5 V Interface (VDD_INTERFACE)
  • 3,3 V Auxiliary (VDDA_3P3)

Analyse der Standard-Stromversorgung

Bild 2 zeigt die PSMR-Ergebnisse (Power Supply Modulation Ratio) am Empfängerport 1 für die Analog-Versorgungsspannungen (VDDA1P3_AN, VDDA_1P8 und VDDA_3P3). Für die Digital-Versorgungsspannungen – VDDD1P3_DIG und VDD_INTERFACE – erzeugte das Maximum der eingespeisten Welligkeit (Brummspannung), die mit einem Signalgenerator generiert werden konnte, keine Störspitzen im Ausgangsspektrum. Für die Optimierung der Stromversorgung muss sich der Entwickler also nicht um das Minimieren der Welligkeit auf diesen Digital-Versorgungsleitungen kümmern. Die modulierte Störungsamplitude wird in dBFS (relative to full scale) angegeben, wobei die maximale Ausgangsleistung 0 dBFS in einem 50-Ω-System 7 dBm oder 1415,89 mVSS entspricht.

PSMR-Analyse
Bild 2. Die Ergebnisse der PSMR-Analyse (Power Supply Modulation Ratio) für die Analog-Versorgungsspannungen des HF-Transceivers ADRV9009, gemessen am Empfänger 1.
© Analog Devices

Für die 1,3-V-Analog-Versorgungsspannung (VDDA1P3_AN) wurde die Messung in zwei unterschiedlichen Zweigen auf dem Transceiver-Modul durchgeführt. In Bild 2 ist zu erkennen, dass der PSMR bei <200 kHz Welligkeitsfrequenz auf unter 0 dB abfällt. Dies bedeutet, dass eine konstante Welligkeit bei diesen Frequenzen höhere Modulationsspitzen verursacht. Konkret heißt das, dass Empfänger 1 unter 200 kHz sehr empfindlich auf eine geringste Welligkeit der 1,3-V-Analog-Versorgungsspannung (VDDA1P3_AN) reagiert.

Die 1,8-V-Versorgungsspannung (VDDA_1P8) ist im Transceiver-Modul auf zwei Zweige verteilt: für den Sender (VDDA1P8_TX, Bild 2 rote Kurve) und für die Basisbandstufen (VDDA1P8_BB, Bild 2 grüne Kurve). Die Versorgungsspannungskurve für den Sender (VDDA1P8_TX) erreicht ein Minimum-PSMR bei 100 kHz von rund 27 dB, was 63,25 mVSS bei 100 kHz entspricht, was wiederum in modulierten Verzerrungen (Spitzen) von 2,77 mVSS resultiert. Die Versorgungsspannungskurve für die Basisbandstufen (VDDA1P8_BB) zeigt ein Minimum von ca. 11 dB bei 5 MHz, was Maxima von 0,038-mVSS bei 0,136 mVSS injizierter Welligkeit entspricht.

Für die Versorgungsspannung der analogen Hilfsstufen (VDDA_3P3) zeigen die gemessenen Werte in Bild 2, dass um 130 kHz herum und darunter der PSMR unter 0 dB sinkt. Das beweist, dass der Empfänger 1 sehr empfindlich auf Rauschen der 3,3-V-Versorgungsspannung (VDDA_3P3) reagiert. Mit steigender Frequenz steigt auch der PSMR für diese Versorgungsspannung und erreicht bei 5 MHz bis zu 72,5 dB.

In Summe zeigen die PSMR-Ergebnisse, dass das Rauschen auf den Versorgungsspannungen 1,3 V (VDDA1P3_AN) und 3,3, V (VDDA_3P3) für analoge Schaltungsteile am besorgniserregendsten sind und den signifikantesten Welligkeitsanteil in den Empfänger 1 des Transceivers ADRV9009 einkoppeln.

PSRR-Verhalten
Bild 3. Das PSRR-Verhalten der Versorgungsspannungen für die analogen Schaltungsteile des Transceivers ADRV9009 bezogen auf Empfänger 1.
© Analog Devices

Bild 3 zeigt das PSRR-Verhalten (Power Supply Rejection Ratio) für die Versorgungsspannungen der analogen Stufen. Die PSRR-Kurve der 1,3-V-Spannung (VDDA1P3_AN) ist mit ca. 60 dB bis zu 1 MHz flach und fällt bei 5 MHz leicht auf ein Minimum von ca. 46 dB. Dies kann als ein Brummen von 0,127 mVSS betrachtet werden, das eine 0,001 mVSS-Verzerrung produziert, die der Oszillatorfrequenz (LO, Local Oscillator) zusammen mit dem modulierten HF-Signal überlagert ist.

Die PSRR der Basisband-Versorgungsspannung (VDDA1P8_BB) des ADRV9009 hat den niedrigsten Wert bei 5 MHz mit ca. 47 dB, wogegen die PSRR der Sender-Spannungsversorgung (VDDA1P8_TX) nicht unter einen Wert von ca. 80 dB fällt. Im Spektrum unter 1 MHz ist die PSRR der 3,3-V-Versorgungsspannung (VDDA_3P3) höher als die in Bild 3 dargestellten 90 dB. Die Messung wurde bei 90 dB abgeschnitten, da die maximale injizierte Welligkeit bis zu 1 MHz 20 mVSS beträgt und nicht hoch genug ist, Verzerrungen über dem Grundrauschen des lokalen Oszillators zu generieren. Die PSRR für diesen Pegel ist höher als der gezeigte Pegel unter 1 MHz, und wenn die Frequenz steigt, fällt sie bei 4 MHz auf 76,8 dB, ihr kleinster Wert im Bereich zwischen 10 kHz und 10 MHz.

Wie auch die PSMR-Ergebnisse zeigen die PSRR-Werte, dass die Mehrzahl des in die Frequenz des lokalen Oszillators eingekoppelten Rauschens, insbesondere über 1 MHz, von den Versorgungsspannungen 1,3 V und 3,3 V für die analogen Schaltungsteile (VDDA1P3_AN und VDDA_3P3) stammt.

Testen der Stromversorgung auf HF-Eignung

Ausgangsrauschspektrum des Abwärtswandlermoduls LTM8063
Bild 4. Das Ausgangsrauschspektrum des Abwärtswandlermoduls LTM8063 im Frequenzbereich von 100 Hz bis 100 MHz – gemessen wurden unterschiedliche Konfigurationen. Der Gleichspannungswandler versorgt die analogen Stufen im Transceiver-IC ADRV9009 mit 1,3 V (VDDA1P3_AN). Eingezeichnet ist auch die Grenzlinie mit der maximal erlaubten Welligkeit für diese Versorgungsspannung.
© Analog Devices

Um zu bestimmen, ob eine Stromversorgung den Rauschanforderungen genügt, wird die Welligkeit der Ausgangsspannung gemessen (Bild 4). Zu diesem Spektrum wird eine Überlagerung addiert: der Schwellwert, bei dem Verzerrungen im Seitenband des modulierten Signals auftreten. Diese überlagerten Daten werden, durch injizieren von sinusförmiger Welligkeit in die jeweilige Stromversorgung an mehreren Referenzpunkten beobachtet, um zu erkennen, welche Welligkeitspegel Seitenband-Verzerrungen erzeugen.

Die in den Bildern 4 bis 6 dargestellten Schwellenwerte sind für die drei Versorgungsspannungen gültig, auf die der Transceiver-IC am empfindlichsten reagiert. Das Spektrum der Versorgungsspannung ist für unterschiedliche DC/DC-Wandlerkonfigurationen mit und ohne aktive Spreizspektrum-Frequenzmodulation (SSFM) gezeigt, und mit zusätzlicher Filterung via LDO-Regler oder Tiefpass (LC). Die Signalformen wurden auf dem Stromversorgungsmodul gemessen, um genügend zusätzlichen Spielraum zu geben, der größer oder gleich 6 dB unter der Rauschgrenze ist.

Bild 4 zeigt den Verzerrungs-Schwellenwert für die 1,3-V-Versorgungsspannung (VDDA1P3_AN) zusammen mit dem gemessenen Rauschspektrum für unterschiedliche Konfigurationen des µModule-DC/DC-Wandlers LTM8063. Wie in Bild 4 dargestellt, erzeugt das direkte Versorgen des Transceiver-ICs mit dem LTM8063 und deaktivierter Spreizspektrum-Frequenzmodulation eine Welligkeit bei der Grundschaltfrequenz und Harmonischen des Gleichspannungswandlers LTM8063, das den Schwellenwert übersteigt. Mit 0,57 VSS liegt die Welligkeit insbesondere bei 1 MHz deutlich über dem Grenzwert (Bild 4, blaue Kurve), was anzeigt, dass eine Kombination von Nachregelung und Filter nötig ist, um das Rauschen vom Schaltregler zu unterdrücken.

Wird nur ein LC-Filter (kein LDO-Regler) hinzugefügt (Bild 4, rosa Kurve), erreicht die Welligkeit bei der Schaltfrequenz gerade das erlaubte Maximum – damit gibt es wahrscheinlich nicht genug Reserve, um die Spitzenleistung des Transceiver-ICs sicher zu erreichen. Das Hinzufügen eines nachgelagerten LDO-Reglers und Einschalten der Spreizspektrum- Betriebsart des LTM8063 (Bild 4, orangene Kurve) senkt die Welligkeitsamplitude bei der Grundschaltfrequenz und ihren Harmonischen über das gesamte Spektrum, und das Rauschen hat wegen der SSFM seinen Spitzenwert in der 1/f-Region.

Die optimalen Ergebnisse werden erzielt, wenn die SSFM eingeschaltet und sowohl ein LC-Filter als auch ein LDO-Regler hinzufügt wird. Dies reduziert das vom Schalten des Gleichspannungswandlers verursachte verbleibende Rauschen und lässt einen Spielraum von ca. 18 dB bis zur maximal erlaubten Welligkeit.

Ausgangsrauschspektrum des Abwärtswandlermoduls LTM8074
Bild 5. Das Ausgangsrauschspektrum des Abwärtswandlermoduls LTM8074 mit eingeschalteter SSFM. Es erzeugt die 1,8-V-Versorgungsspannung (VDDA_1P8) für den Transceiver-IC ADRV9009. Im Diagramm ist auch die Grenzlinie mit dem Schwellenwert der maximal erlaubten Welligkeit eingezeichnet.
© Analog Devices

Die Spreizspektrum-Frequenzmodulation verteilt das Rauschen über ein breiteres Frequenzband und verringert damit das Spitzen- und Durchschnittsrauschen bei der Schaltfrequenz und ihren Harmonischen. Sie wird durch das auf und ab modulieren der Schaltfrequenz mit einem 3-kHz-Dreieckssignal realisiert. Dies erzeugt zwar wiederum eine Welligkeit bei 3 kHz, die aber vom LDO-Regler unterdrückt wird.

Wenn SSFM aktiviert ist, treten die resultierende Niederfrequenzwelligkeit und ihre Harmonischen auch in den Ausgangsspektren der 1,8-V- und 3,3-V-Versorgungsspannungen (VDDA_1P8 und VDDA_3P3) auf, wie in Bild 5 und Bild 6 gezeigt. Wie in Bild 5 zu sehen, liefert

Das Rauschspektrum des Abwärtswandlermoduls LTM8074 (Bild 5) zeigt mit aktivierter SSFM einen minimalen Spielraum von ca. 8 dB für die maximal erlaubte Welligkeit der 1,8-V-Versorgungsspannung (VDDA_1P8) des Transceiver-ICs ADRV9009. Deshalb ist in dem Fall keine nachgelagerte Filterung mit einem LDO-Regler nötig, um die Rauschbedingungen für diese Versorgungsspannung zu erfüllen.

Ausgangsrauschspektrum der 3,3-V-Versorgungsspannung (VDDA_3P3) des Transceiver-ICs ADRV9009
Bild 6. Das Ausgangsrauschspektrum der 3,3-V-Versorgungsspannung (VDDA_3P3) des Transceiver-ICs ADRV9009 und die für diese Spannung gültige Grenzlinie für die maximal tolerierte Welligkeit. Diese Versorgungsspannung wird ebenfalls von einem Abwärtswandlermodul LTM8074 erzeugt, das für die Messung in unterschiedlichen Konfigurationen betrieben wurde. Über die 3,3-V-Versorgungsspannung reagiert der Transceiver-IC sehr empfindlich auf niederfrequente Welligkeitsanteile, da die Spannung auch den Taktgenerator speist und dieses Rauschen Phasen-Jitter verursacht.
© Analog Devices

Bild 6 zeigt das Rauschspektrum für unterschiedliche Konfigurationen des µModule-Gleichspannungswandlers LTM8074 zusammen mit den maximalen Rauschanforderungen für die 3,3-V-Versorgungsspannung (VDDA_3P3) des Transceiver-ICs ADRV9009. Der Einsatz nur des LTM8074 (Bild 6, blaue und orangene Kurven) – kein Filter oder nachgelagerter LDO-Regler – generiert Rauschen, das die Rauschgrenzen immer übersteigt, unabhängig davon, ob der Spreizspektrum-Modulationsmodus ein- oder ausgeschaltet ist.

Die Ergebnisse von zwei alternativen Konfigurationen erfüllen die Rauschspezifikationen mit einem Spielraum von >6 dB: sowohl der LTM8074 mit deaktivierter SSFM und einem LC-Filter (Bild 6, violette Kurve) als auch der LTM8074 mit SSFM und einem nachgelagerten LDO-Regler (Bild 6, grüne Kurve). Obwohl beide die Anforderungen mit ausreichendem Spielraum erfüllen, ist die Version mit einem nachgeschaltetem LDO-Regler hier besser geeignet. Und zwar, weil die 3,3-V-Versorgungsspannung (VDDA_3P3) im Transceiver-IC ADRV9009 auch die Versorgung des Taktgenerators (3P3V_CLK1) übernimmt. Deshalb ist das Verringern des 1/f-Rauschens relativ wichtig, weil das Rauschen hier zu Phasen-Jitter im lokalen Oszillator führen kann, wenn es nicht unterdrückt wird.

passend zum Thema


  1. Optimierte Stromversorgung für 6-GHz-Transceiver
  2. HF-optimierte Stromversorgung


Lesen Sie mehr zum Thema


Das könnte Sie auch interessieren