WSN für das Bauwerksmonitoring – Teil 2

Konzeption eines gemischten Funknetzwerks

30. Dezember 2020, 10:17 Uhr | Von Klaus Dembowski
Diesen Artikel anhören

Fortsetzung des Artikels von Teil 1

Sensorik für Bauwerke

Für die Zustandsüberwachung von Brücken oder auch allgemein von Bauwerken werden traditionell Dehnungsmessstreifen (DMS) eingesetzt. Sie werden fest mit dem Messobjekt verbunden, sodass Verformungen durch Dehnung, Stauchung oder Torsion am Messobjekt direkte Auswirkungen auf die Verformung des DMS haben, was die Veränderung seines elektrischen Widerstands zur Folge hat.

Dehnungsmessstreifen werden in unterschiedlichen Ausführungen als Folien-, Draht- oder auch Halbleiter-DMS hergestellt. Gegen den Einsatz von DMS in dieser Applikation spricht zunächst die relativ aufwendige Montage und Befestigung am Messobjekt. DMS erfordern zudem eine Abstimmung an das Messobjekt sowie eine analoge Signalverarbeitung mithilfe einer Wheatstone-Messbrücke. Außerdem sind sie verhältnismäßig teuer und weisen eine relativ hohe Stromaufnahme auf.

Nicht selten ist eine Vielzahl von speziellen DMS an einem Bauwerk zu montieren, weil sie Verformungen nur sehr lokal erfassen können. Deshalb werden derartige Messungen mittlerweile auch mit faseroptischen Sensoren d.h. mit langen Glasfasern (100 m), die sich über das gesamte Messobjekt erstrecken, durchgeführt [11]. Messungen sind somit an vielen Stellen des betreffenden Bauwerks möglich und ergeben einen Gesamteindruck der Verteilung auftretender mechanischer Spannungen. Das Anbringen entsprechender Glasfasern und die Signalverarbeitung sind für die vorgesehene Brückenüberwachung, die sich möglichst einfach nachträglich montieren lassen soll, jedoch ebenfalls zu aufwendig.

Wesentlich einfacher gestaltet sich der Einsatz von Beschleunigungssensoren, die innerhalb bestimmter Zeitintervalle die aktuelle Beschleunigung über alle drei Raumrichtungen erfassen. Die Montage an einer Brücke, mit der sie mitschwingen, ist schnell und ohne irgendwelche Beschädigungen derselben möglich; im einfachsten Fall wird die Box mit den Sensoren mit Kabelbindern befestigt. Der Abgleich (Nulllage) erfolgt über die Software, und weil die entsprechenden Beschleunigungssensoren über eine digitale Schnittstelle wie SPI oder I2C verfügen, ist der Anschluss an die Elektronik eines IQRF-Knotens unproblematisch.

passend zum Thema

Der Beschleunigungssensor MPU6050 von TDK InvenSense bietet die notwendige Funktion und Leistung für die Bauwerkssensorik
Bild 7. Der Beschleunigungssensor MPU6050 von TDK InvenSense bietet die notwendige Funktion und Leistung für die Bauwerkssensorik.
© Dembowski

Bekannte Beschleunigungssensoren sind ADXL346 und ADXL313 von Analog Devices, BMI160 und BMA400 von Bosch Sensortec sowie der MPU6050 von TDK InvenSense. Für sie sind teilweise auch entsprechende Module zum Heraustrennen (Breakout Boards) mit Abschlusswiderständen (Pull-ups) und Stromversorgung (LDO) erhältlich, sodass dann beim Einsatz von I2C als Schnittstelle lediglich vier Leitungen inklusive der Spannungsversorgung mit dem IQRF-Transceivermodul zu verbinden sind.

Der MPU6050 (Bild 7) weist mit 10 µA die geringsten Stromaufnahme der genannten Beschleunigungssensoren auf. Er enthält außerdem als Einziger ein Gyroskop, mit dem sich die Verlagerung des Sensorknotens, z.B. bei beweglichen Brücken, zusätzlich erfassen lassen könnte, weshalb für das Brückenmonitoringprojekt dieser Typ mit einem Breakout Board der Firma Watterott (Bild 8) eingesetzt wird.

 Die eingesetzten Breakout Boards mit dem MPU6050 (oben) und dem HDC1080 lassen sich einfach adaptieren
Bild 8. Die eingesetzten Breakout Boards mit dem MPU6050 (oben) und dem HDC1080 lassen sich einfach adaptieren.
© Dembowski

Um wetterbedingte Einflüsse berücksichtigen zu können, sind außerdem ein Temperatur- und ein Luftfeuchtigkeitssensor sinnvoll. Sowohl auf den IQRF-Modulen ist ein Temperatursensor eingebaut als auch im MPU6050, der für die Temperaturkompensation bei der Beschleunigungsmessung bestimmt ist und dessen Messwerte sich auch separat auslesen lassen. Beide Sensoren bieten eine Genauigkeit von ±1 °C, was prinzipiell ausreichend sein dürfte.

Luftfeuchtigkeitssensoren werden ebenfalls von den bekannten Herstellern wie Bosch (BME280) und Texas Instruments (HDC1080) sowie auch von Sensirion (SCC30DB) und Amphenol Advanced Sensors (T9602-3D-1) hergestellt, die bei vergleichbaren Kenndaten wie der Genauigkeit von typisch 3 % und einer Langzeitdrift mit 0,25–0,5 % mit recht unterschiedlichen Preisen und Werten für die Stromaufnahme aufwarten.

Der Luftfeuchtigkeitssensor HDC1080 von Texas Instruments ist der preislich günstigste Typ mit der geringsten typischen Stromaufnahme von 190 µA und bietet einen integrierten Temperatursensor mit einer Genauigkeit von typisch 0,25 °C. Deshalb wird er für die Applikation zur Messung der relativen Luftfeuchte und der Temperatur auf einem Breakout Board der Firma Watterott (Bild 8) für das Brückenmonitoringprojekt verwendet.

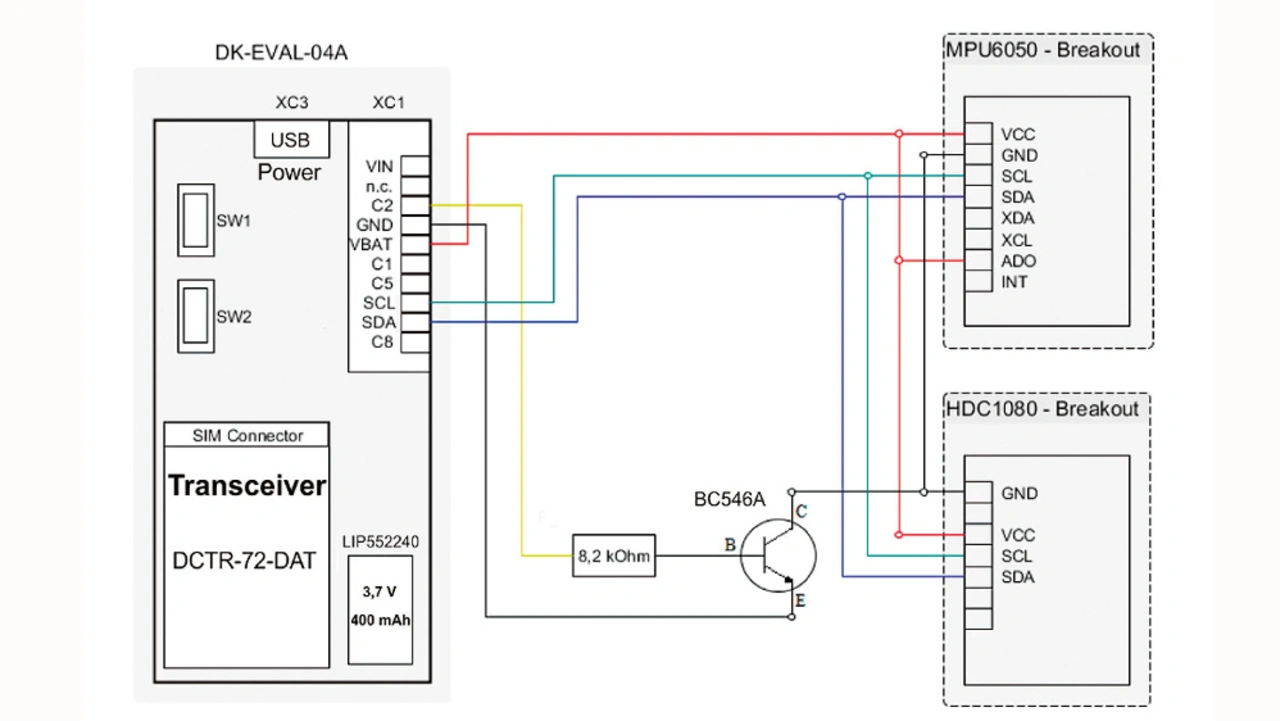
Aufbau des Funksensorknotens zur Brückenüberwachung mit IQRF-Transceiver sowie den beiden Breakout Boards mit dem Beschleunigungs- und dem Luftfeuchtigkeitssensor
Bild 9. Aufbau des Funksensorknotens zur Brückenüberwachung mit IQRF-Transceiver sowie den beiden Breakout Boards mit dem Beschleunigungs- und dem Luftfeuchtigkeitssensor.
© Dembowski

Um Energie zu sparen, wird der Temperatursensor des IQRF-Transceivers deaktiviert. Die Spannungsversorgung für die beiden Breakout Boards mit den Sensoren kann vom IQRF-Transceiver über einen Transistor komplett abgeschaltet werden. Auch wenn die Sensoren selbst recht genügsam in der Leistungsaufnahme sind, befindet sich auf den Breakout Boards zusätzlich noch Peripherie – Widerstände, LDO –, die auch im Schlafmodus der Sensoren circa 1 mA Strom aufnehmen.

Die im Brückenmonitoringprojekt vorgesehenen drei Sensorknoten (Bild 9) werden in wetterfeste Gehäuse (RND 455-00155, Reichelt Elektronik) eingebaut. Für das Messen der Temperatur und der Feuchtigkeit werden die Gehäuse mit einer geschützten Öffnung versehen. Der Beschleunigungssensor wird an der Gehäuseinnenseite festgeklebt.

ie Stromaufnahme eines Funksensorknotens nach Bild 9 über einen kompletten Zyklus mit den signifikanten Stufen.
Bild 10. Die Stromaufnahme eines Funksensorknotens nach Bild 9 über einen kompletten Zyklus mit den signifikanten Stufen
© Dembowski

Der Energiebedarf der Sensorknoten hängt von der momentanen Aktivität ab und ist beim Senden mit 4 mWs (17 mA) am höchsten und im Bereitschaftsbetrieb mit ca. 0,1 mWs (0,37 mA) am geringsten. Dazwischen bewegen sich die Werte für die weiteren Schritte wie etwa Initialisierung, Kalibrierung und Messung, die der Funktransceiver und die angeschlossene Elektronik durchlaufen. In Bild 10 ist die Stromaufnahme für einen kompletten aktiven Zyklus (856 ms) gezeigt.

Mit den in den Sensorknoten (DCTR-72-DAT) vorhandenen Akkus, die eine Kapazität von 400 mAh aufweisen, wäre ein Dauersendebetrieb (400 mAh/17 mA × 0,7) von 33,6 h unter Berücksichtigung eines Entladefaktors von 0,7 möglich. Realistisch ist hingegen, dass nur einmal pro Stunde Daten erfasst und gesendet werden und der Sensorknoten ansonsten im Bereitschaftsbetrieb (400 mAh/0,37 mA × 0,7) verharrt, was dann eine Laufzeit von 64 Tagen ergeben würde.

Cloud-Anbindung

Der IQRF-Coordinator im IQRF-Sigfox-Gateway sammelt jede Stunde die Messwerte aller drei Sensorknoten, die automatisch mit einem Zeitstempel versehen werden, verarbeitet diese und sendet sie jeweils als 12 Byte große Nachricht über Sigfox in die Sigfox-Cloud. Zuvor ist das jeweilige Sigfox-Gerät auf der Sigfox-Website (https://buy.sigfox.com/activate) zu registrieren, wofür dem Fox-3-Modul ein Zettel mit einem Registrierungscode beiliegt. Nach erfolgreicher Registrierung kann die Sigfox-Cloud mit dem angegebenen Modul ein Jahr lang kostenlos genutzt werden. Für ein einzelnes Sigfox-Gerät sind üblicherweise 21 Euro pro Jahr zu entrichten.

Die Daten in der Sigfox-Cloud lassen sich mit jedem Internet-fähigen Gerät nach der Anmeldung unter der Adresse https://backend.sigfox.com/auth/login anzeigen. Die registrierten Geräte tauchen unter Device Type auf, deren Einstellungen sich an dieser Stelle auch anpassen lassen. Über den jeweiligen Device-Eintrag (roter Rahmen im Bild 11) gelangt der Nutzer zu den Messages; das sind die Nachrichten, die vom IQRF-Coordinator an die Sigfox-Cloud gesendet werden. Die Nachrichten lassen sich nach dem Datum filtern und als CSV-Datei lokal abspeichern und beispielsweise mit einem Tabellenkalkulationsprogramm wie Excel öffnen und anzeigen.

Die Daten und Einstellungen für das System in der Sigfox-Cloud
Bild 11. Die Daten und Einstellungen für das System in der Sigfox-Cloud.
© Dembowski

Zum Fox-3-Modul hin wird keine Datenübertragung (Downlink) benötigt, weshalb an dieser Stelle auch nichts (None) einzustellen ist. Das Payload Display ist von besonderem Interesse, weil sich hier die eingehenden Daten unter Custom Configuration für die Anzeige formatieren lassen. Das erste eintreffende Byte gibt die Nummer des Knotens an, von dem die Sensordaten stammen. Darauf folgen die Beschleunigungswerte des MPU6050 für alle drei Achsen, wobei jede Achse 2 Byte benötigt und der Wert vorzeichenbehaftet ist. Im Anschluss folgen die Daten des HDC1080 mit 2 Byte für die ebenfalls vorzeichenbehaftete Temperatur, gefolgt von 2 Byte für die relative Feuchtigkeit, die kein Vorzeichen führt, und das letzte Byte ist für (zukünftige) Fehlermeldungen reserviert.

An der ersten Stelle unter Data/Decoding (blauer Rahmen im Bild 11) werden diese Rohdaten angezeigt, gefolgt von den (umgesetzten) Sensordaten, wie sie unter Payload Display eingestellt worden sind. Die Messwerte müssen jeweils mit 10-2 multipliziert werden, weil sie zuvor für die Darstellung von zwei Nachkommastellen mit dem Faktor 100 multipliziert worden sind, und werden für die Beschleunigung in g, für die Temperatur in °C und für die relative Luftfeuchtigkeit in % angegeben.

Installation an einer Brücke und Erprobung

Das komplette Messsystem mit den drei Sensorknoten und der Zentrale, die den IQRF-Coordinator mit dem Fox-3-Modul bildet sowie die Datenübertragung per Sigfox vornimmt, ist an einer Fußgängerbrücke auf dem Gelände der Technischen Universität Hamburg erprobt worden. Nach der Befestigung der drei Sensorknoten an der Brücke wird der IQRF-Coordinator über den Programmer CK-USB-04A mit einem Notebook verbunden, auf dem die IQRF-IDE installiert ist, und die Option Discovery aufgerufen, woraufhin das IQRF-Funknetzwerk automatisch gebildet und die entsprechende Konfiguration abgespeichert wird.

Dieser Vorgang ist bei einer Positionsveränderung der Knoten erneut durchzuführen, um stets die korrekte und optimale Funktion des vermaschten Funknetzwerks sicherzustellen. Das ist allgemein für vermaschte Funknetzwerke zu empfehlen, die auf einem zentralen Manager basieren, wie beispielsweise auch das Dust Network [7]. Gewissermaßen handelt es sich somit um »statische Maschen«, im Gegensatz etwa zum »dynamischen« Bluetooth Mesh, das flexibler auf Positionsveränderungen von Sensorknoten reagieren kann, was bei der Überwachung von Bauwerken jedoch eher nicht relevant ist.

Der IQRF-Coordinator wird anschließend vom Programmer abgezogen und auf den SIM-Steckverbinder der Zentrale gesteckt. Der Programmcode für die Zentrale ist zuvor in den Speicher des Fox-3-Moduls übertragen worden, sodass nach dem Anstecken des Akkus oder eines Netzteils die Funktion der Zentrale startet und sie die Messwerte der Sensorknoten stündlich in die Sigfox-Cloud überträgt.

Im aktiven Modus, der ca. 1,5 s dauert, braucht die Zentrale 29 mA für das Ermitteln der Sensordaten und für die Datenübertragung in die Sigfox-Cloud. Diese Stromaufnahme ist für das Energiebudget unerheblich, weil sich die Stromaufnahme in der übrigen Zeit, die von den Schlafmodi des Mikrocontrollers auf dem Fox-3-Modul und dem Sigfox-Modul geprägt ist, auf ca. 17 mA beläuft. Damit ist die im Akku gespeicherte Energie nach elf Tagen bereits erschöpft – wieder mit Berücksichtigung eines Entladefaktors von 0,7. In Relation zur Betriebszeit der Sensorknoten von 64 Tagen sind die elf Tage der Zentrale verhältnismäßig gering. Damit das Funksensornetzwerk für die Brückenüberwachung über zwei Monate lang erprobt werden kann, wurde die Zentrale deshalb nicht dauerhaft mit dem Akku, sondern mit einem Steckernetzteil in einem nahe gelegenen Büro betrieben.

 Die Funksensorknoten sind an einer Fußgängerbrücke montiert, die Zentrale ist in einem Büro platziert
Bild 12. Die Funksensorknoten sind an einer Fußgängerbrücke montiert, die Zentrale ist in einem Büro platziert.
© Dembowski

Natürlich sollte es möglich sein, die Stromaufnahme der Zentrale im Schlafmodus zu reduzieren, allerdings liefert die Dokumentation zum Fox-3-Modul hierzu nicht die notwendigen Informationen. Entwickler müssten dazu sowohl die Finessen des ATSAMD21 bzw. des ARM Cortex M0+ und des Sigfox-Moduls von Telit, nebst derem optimalen Zusammenspiel, für eine möglichst geringe Stromaufnahme selbst ergründen, worauf jedoch in diesem Brückenmonitoringprojekt verzichtet wurde.

Statt einer einfachen Fußgängerbrücke (Bild 12) wäre eine Brücke mit Schwerlastverkehr für die Detektierung der Beschleunigungen im Prinzip aussagekräftiger (> ±0,5 g). An eine öffentliche Brücke darf man ohne eine Genehmigung jedoch nicht einfach etwas anbringen. Dieser nächste logische Schritt ist bereits geplant. Er eröffnet auch die Möglichkeit die Energie für die Funksensorknoten und die Zentrale per Energy Harvesting zu gewinnen – per Piezo- oder elektrodynamischem Wandler aus den Vibrationen der Brücke.

Messwerte der an der Brücke angebrachten Beschleunigungssensoren
Bild 13: Messwerte der an der Brücke angebrachten Beschleunigungssensoren.
© Dembowski

Ein Hüpftest (Bild 13) auf der Fußgängerbrücke des TUHH-Privatgeländes führte zu einwandfrei detektierbaren Signalen, wie es im Bild 10 insbesondere am Signal der Z-Achse (Richtung der Erdbeschleunigung) zu erkennen ist. Das Messintervall beträgt dabei nur mehrere Sekunden, was in der Sigfox-Cloud nicht darstellbar wäre, weshalb diese Messwerte direkt aus der IQRF-IDE gewonnen wurden. Gemäß einer »vorausschauenden Wartung« werden die Ergebnisse in der Sigfox-Cloud als Tendenzen über größere Zeiträume dargestellt, d.h. Werte, die aus einer derartigen kurzzeitigen Belastung resultieren, gehen dabei nicht mit ein.

Die gewünschte Empfindlichkeit, der Erfassungsbereich sowie die Vorverarbeitung und Zwischenspeicherung von Messungen – in der Zentrale – wird allein durch die Programmierung bestimmt und ändert nichts am Bauwerksüberwachungssystem, das demnach äußerst vielseitig und flexibel einsetzbar ist.

 

Literatur

[7] Dembowski, K.: Funksensornetzwerk für das Bauwerksmonitoring – Teil 1: Wahl des Funkprotokolls. elektronik.de, 13.10.2020, www.elektroniknet.de/kommunikation/wireless/wahl-des-funkprotokolls.180227.html.

[8] Dembowski, K.: Einfache Realisierung einer Funkstrecke: LoRa ohne WAN. elektroniknet.de, 9.3.2017, www.elektroniknet.de/lora-ohne-wan-139548.html.

[9] ASME FOX 3, User Guide. Axel Elettronica, Version 1.3, 2016, https://static6.arrow.com/aropdfconversion/f22f413f838e0217b2c849f03d1f7a0ed20312ae/asmefox3userguidev1-3.pdf.

[10] IQRF SPI, Technical Guide for TR-7xD, for IQRF OS v4.02 and v4.03D. IQRF Tech, 2020, https://static.iqrf.org/Tech_Guide_IQRF_SPI_TR-7xD_200526.pdf.

[11] Lemme, H.: Faseroptische Sensoren in Bauwerken: Risse und Verformungen finden. elektronik.de, 2.3.2017, www.elektroniknet.de/elektronik/messen-testen/risse-undverformungen-finden-139337.html.

 

 

Der Autor

 

 

 

Klaus-Dembowski von der TU Hamburg
Klaus Dembowski von der TU Hamburg.
© Dembowski

Klaus Dembowski

ist Wissenschaftlicher Angestellter am Institut für Mikrosystemtechnik an der Technischen Universität Hamburg. Sein Zuständigkeitsbereich beinhaltet die Entwicklung von Hard- und Software für Mikrosysteme mit dem Schwerpunkt auf Anwendung von Energy-Harvesting-Techniken.

Er wurde 2011 und 2017 von der Redaktion der Elektronik für seine Fachaufsätze »Sensornetze mit energiesparender Funktechnik« und »Funkelektroden zur Messung bioelektrischer Signale: EKG ohne Kabel« als »Autor des Jahres« ausgezeichnet.


  1. Konzeption eines gemischten Funknetzwerks
  2. Sensorik für Bauwerke

Lesen Sie mehr zum Thema


Das könnte Sie auch interessieren

Jetzt kostenfreie Newsletter bestellen!