Die Anforderungen des 10-Gbit/s-Ethernet bringen den Umschwung

Neue Rechnerstrukturen für die Kommunikation

4. August 2009, 15:48 Uhr | Dr. Jens Würtenberg
Diesen Artikel anhören

Fortsetzung des Artikels von Teil 1

Am Anfang steht der PHY

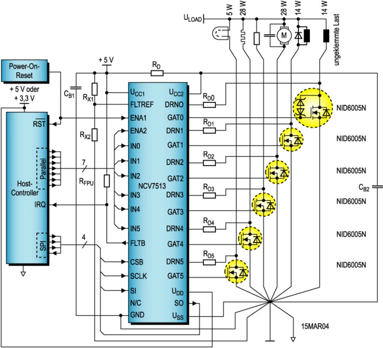
Die Ausgänge werden durch die Kombination einer ODER-Verknüpfung der einzelnen parallelen Eingänge gesteuert oder aber über die serielle 16-bit-SPI-Schnittstelle. Die parallelen Eingänge verfügen über voneinander unabhängige interne Pull-Down-Stromquellen. Diese Eingänge können dazu verwendet werden, eine PWM-Steuerung der Gate-Ausgänge vorzunehmen. Funktionen der SPI-Schnittstelle sind die Steuerung aller sechs Ausgangskanäle, ein Fehler-Management sowie ein leistungsbegrenzender PWM-Betrieb mit programmierbaren Einschaltzeiten. Die Digitaleingänge des Bauteils sind gleichermaßen für 3,3 V und 5 V geeignet und können daher problemlos wahlweise direkt an Mikrocontroller mit 3,3-V- oder 5-V-Logikpegel angeschlossen werden.

Eine Power-Up/Down-Steuerung verhindert unkontrollierte Betriebszustände am Ausgang durch die Überwachung der UCC1-Stromversorgung. Zudem zwingt eine interne Power-On-Reset-Schaltung (POR) sämtliche GATx-Ausgänge dazu, solange auf Low-Potential zu verharren (externe MOSFET-UGS ≈ USS), bis die Versorgungsspannung soweit angestiegen ist (typisch 4,2 V), dass eine ordnungsgemäße Funktion des Bauteils garantiert ist. Sobald der Pre-Driver seinen aktiven Zustand erreicht hat, werden sämtliche Register zunächst auf ihre Ausgangswerte zurückgesetzt bzw. initialisiert. Falls UCC1 unter die POR-Spannungsschwelle sinken sollte, werden alle GATx-Ausgänge auf Low-Potential gezogen, bis UCC1 unter rund 0,7 V abgefallen ist.

Die beiden Enable-Eingänge erlauben die gleichzeitige Abschaltung aller Ausgänge und die komplette Deaktivierung der Fehlererkennung. Enable 1 (ENA1) besitzt einen internen Pull-Down-Widerstand. Tritt dort ein Low-Signal auf, wird ein Soft-Reset ausgelöst, wobei sämtliche Ausgänge abgeschaltet und auch die GATx-Register zurückgesetzt werden. Enable 2 (ENA2) verfügt über eine interne Pull-Down-Stromquelle. Wenn an diesem Pin ein Low-Signal auftritt, bewirkt dieses zwar eine Abschaltung der Ausgänge, jedoch bleiben hier die Informationen in den GATx-Registern erhalten.

passend zum Thema

Wie auch immer die Rechenleistung der Systeme gesteigert werden kann, in der Kommunikation kommt es darauf an, die Daten möglichst kostengünstig über möglichst große Strecken zu transportieren. Die Anwendung bestimmt dabei die Entwicklungsziele: Für die Verwendung in einer Systemumgebung – etwa einem Data Center – sind die verdrillten Kupferleitungen bis zu einer Länge von 100 m wünschenswert, darüber ist die Übertragung per Lichtwellenleiter unvermeidlich.

52ah0201.jpg
Bild 1. Typische Applikation mit dem NCV7513 als zentrales Element einer vielseitig einsetzbaren Treiberstufe.

Für die Verwendung in Data Centers wurden das „10 Gigabit Ethernet Attachment Unit Interface“ (XAUI) und das „Serial Gigabit Media Independent Interface“ (SGMII) definiert. Beim XAUI werden vier Leitungen parallel mit den typischen 3,125-Gbit/s-LVDS-Treiber-Bausteinen über einen 10-Gbit/s-Ethernet-„Media Access Controller“ (MAC) betrieben. Die Firma Broadcom [1] etwa bietet mit dem „BCM84812“ einen entsprechenden Baustein mit den physikalischen Schnittstellen (PHY) für zwei 10-Gbit/s-Ethernet-Ports, mit denen Ethernet-Pakete 100 m über CAT6aund CAT7-UTP-Kabel (Unshielded Twisted Pair) übertragen werden können (Bild 1). Der Hersteller gibt an, dass pro Port eine Leistung von 6 W umgesetzt wird, in einem „Low Power“-Modus werden 30 m überbrückt.

Der hochintegrierte Baustein in 65-nm-Technologie basiert auf einem DSP, dessen Rechenleistung für die Realisierung der an die Übertragungsstrecke angepassten digitalen „Equalizer“ benötigt wird. Für die Signalaufbereitung zur Übertragung in die vier Leitungen mit jeweils 800 Mbaud der PAM-16-Symbole wurden neben der Taktrückgewinnung schnelle A/D- und D/A-Wandler, Bausteine für die Codierung und Decodierung im „Low Density Parity Code“-Verfahren (LDPC) sowie die DSQ128-Abbildung (Double Square) realisiert. Neben den Leitungstreibern sind auch alle erforderlichen Schaltungen einschließlich der PLL-Kreise auf dem Chip integriert.

Der NCV7513 ist ein 16-bit-SPI-Slave-Bauteil. Die SPI-Kommunikation zwischen dem Host und mehreren Bauteilen des Typs NCV7513 kann parallel durch eine individuelle CSB-Adressierung erfolgen oder auch durch eine Serienschaltung (Daisy-Chain) von Bauteilen, die ein SPI-kompatibles Protokoll verwenden. Die Tabelle zeigt eine Übersicht der Eingangs-/Ausgangs-Register samt Definitionen. Bild 2 verdeutlicht das korrekte SPI-Timing. Fehlerdaten werden zeitgleich vom SO-Pin (Serial-Out) des Bauteils gesendet, während Befehlsdaten am SI-Pin (Serial-In) empfangen werden. Der Host beginnt eine Kommunikation, indem der CSB-Eingang auf Low gezogen wird. Die 16 am SI-Pin empfangenen Datenbits werden in einen neuen Befehl umgesetzt, wenn CSB auf High gezogen wird. Der NCV7513 verfügt selbstverständlich über eine Frame-Error-Erkennung. Um als gültig erkannt zu werden, müssen mehrere Vielfache von 16-SCLK-Zyklen innerhalb eines CSB-Frames auftreten. Befehle mit weniger als 16 SCLK-Zyklen oder auch Befehle mit mehr Zyklen werden als Befehle ignoriert, jedoch nicht ein ganzzahliges Vielfaches von 16.

9160201_tm.jpg
Bild 1. Ein PHY für alle Datenübertragungsraten: Von 100 Mbit/s bis 10 Gbit/s bereitet der Baustein „BCM84812“ die Ethernet-Datenströme für die Übertragung über CAT6a- bzw. CAT7-UTP-Kabel auf.
52ah0202.jpg
Bild 2. Das SPI-Timing des NCV7513.

Deep Inspection

Der Fehlerfall für die Anti-Saturation (Short-to-ULOAD) wird überwacht, wenn die Gate-Ausgänge auf ON geschalten sind (UGS ≈ UCC2). Die Schwellwerte für die Anti-Saturation-Fehlererkennung sind voll programmierbar, indem eine extern programmierte Referenzspannung (RX1 und RX2) an den Eingang FLTREF angelegt wird und zusätzlich mittels einer Kombination von vier diskreten internen Verhältniswerten. Diese diskreten Verhältniswerte sind über die SPI-Schnittstelle wählbar und gestatten unterschiedliche Anti-Saturation Ansprechschwellwerte für eine beliebige Gruppe von je drei Ausgangskanälen.

Ein Masseschluss (Short-to-GND) oder eine offene Last werden erkannt, wenn die GATx-Ausgänge auf OFF liegen (UGS ≈ USS). Hierzu wird ein Fensterkomparator verwendet, der jede DRNx-Eingangsspannung mit einer Referenzspannung vergleicht. Diese Referenz ist proportional zu UCC1. Falls die Spannung an DRNx weniger beträgt als die Masseschluss-Referenz, dann wird ein Masseschluss-Fehler erkannt. Falls die Spannung an DRNx aber unter der bei offener Last liegt und höher ist als die bei Masseschluss, wird der Fehler „offene Last“ erkannt.

Das nächste Glied in der Kette einer industriegerechten Datenübertragung mit 10 Gbit/s ist ein System oder ein Baustein, mit dem die aus den unteren Übertragungsklassen (100 Mbit/s, 1 Gbit/s) gewohnten Möglichkeiten einer Priorisierung, Steuerung oder auch Zurückweisung von Datenpaketen durch eine Auswertung ihrer Inhalte möglich ist. Das Unternehmen NetLogic Microsystems [2] bietet mit dem Chip „NLS2008 NetL7“ einen Baustein, der Inhalte von Datenpaketen bei einer Datenübertragungsrate von 20 Gbit/s kontinuierlich auslesen und nach wählbaren Signaturen klassifizieren kann (Bild 2).

Auf der Grundlage einer „Engine“, die vom Hersteller stolz als „Intelligent Fabric for Automata-based content processing“ (IFA) bezeichnet wird, kann der „Prozessor“ Datenpakete von maximal 96 Millionen simultan ablaufenden Netzwerk-Prozessen miteinander vergleichen. Dabei bleibt die Systemleistung von 120 Gbit/s einer Verarbeitung von Paket-Inhalten auf der OSI-Schicht 7 auch bei komplexen Datenstrukturen mit Hunderten von Regeln erhalten, selbst wenn darin „Wild Cards“ und reguläre Ausdrücke (Reg-Exp) enthalten sind. Die superskalare Sechs-Wege-Architektur des Prozessors erlaubt dabei, sechs voneinander unabhängige Anwendungen simultan zu bedienen.

tabelle_07ed2a.jpg
Die einfache Struktur der SPI-Register des NCV7513 erlaubt eine problemlose Handhabung in der Praxis, gezeigt sind die Eingangsbefehle und der Datenausgang.
9160202_tm.jpg
Bild 2. Anwendung des NetL7-Prozessors als Firewall zwischen dem Internet und einem sicheren Netzwerk. Der NetL7 übernimmt die Inspektion der eingehenden Datenpakete nach den in einer komplexen Datenstruktur festgelegten Regeln.

  1. Neue Rechnerstrukturen für die Kommunikation
  2. Am Anfang steht der PHY
  3. Autor
  4. Neue Rechnerstrukturen für die Kommunikation
  5. Neue Rechnerstrukturen für die Kommunikation

Jetzt kostenfreie Newsletter bestellen!