Transceiver für das 2,4-GHz-ISM-Band

15. November 2006, 17:30 Uhr | Haroon Khan

Im unlizenziert nutzbaren 2,4-GHz-Band arbeiten z.B. Bluetooth, WLAN 802.11b, ZigBee sowie ISM-Funksysteme. Für jede dieser Anwendungen existieren spezielle Transceiver, die ausschließlich für den jeweiligen Standard geeignet sind, obwohl nur geringfügige Modifikationen an der Transceiver-Architektur erforderlich wären, um die Verwendung mit einem anderen Standard zu ermöglichen.

Diesen Artikel anhören

Im unlizenziert nutzbaren 2,4-GHz-Band arbeiten z.B. Bluetooth, WLAN 802.11b, ZigBee sowie ISM-Funksysteme. Für jede dieser Anwendungen existieren spezielle Transceiver, die ausschließlich für den jeweiligen Standard geeignet sind, obwohl nur geringfügige Modifikationen an der Transceiver-Architektur erforderlich wären, um die Verwendung mit einem anderen Standard zu ermöglichen.

Welche Ähnlichkeiten bestehen zwischen einigen der 2,4-GHz-Funkübertragungs-Standards und welche Möglichkeiten gibt es, einen einzigen vielseitigen und für mehrere Standards geeigneten Transceiver einzusetzen? – Das ist eine Frage, die für Entwickler von großer Bedeutung sein kann.

Technische Details zu den 2,4-GHz-Applikationen

Das im Bereich von 2,400 GHz bis 2,483 GHz liegende ISM-Band (Industrial, Scientific, Medical) ist weitgehend unreguliert und kann lizenzfrei benutzt werden. So erklärt es sich, dass zahlreiche Anwendungen vom ISM-Band Gebrauch machen – von Bluetooth über 802.11b Wireless LAN, HomeRF und DCT (Digital Cordless Telephony – in den USA und Asien an Stelle des europäischen DECT-Standards gebräuchlich) bis hin zu industriellen Anwendungen wie beispielsweise Mikrowellenöfen. Zwischen den Spezifikationen vieler dieser Anwendungen gibt es Überschneidungen, beispielsweise hinsichtlich des Datendurchsatzes sowie bezüglich der Modulations- und Zugriffsverfahren (z.B. GFSK und TDD/FDD). Einige Standards wie etwa Bluetooth und DCT sind sich sogar in den meisten wichtigen Spezifikationen ähnlich und würden für den Umstieg von einem Standard zum anderen nur vergleichsweise wenige Änderungen verlangen. Dennoch gibt es für Bluetooth und DCT jeweils eigene, spezielle Transceiver-Architekturen.

Bluetooth ist für die Sprach- und Datenkommunikation über kurze Distanzen konzipiert. Es verwendet 79 Kanäle im ISM-Band mit einem Kanalraster von 1 MHz und einem Durchsatz von 1 Mbit/s. Es werden 1600 Frequenzsprünge in der Sekunde durchgeführt. Die Sendeleistung beträgt +4 dBm für Class 2 und +20 dBm für Class 1. Moduliert wird nach dem GFSK-Verfahren (Gaussian Frequency Shift Keying).

DCT ist in erster Linie für die Sprachkommunikation über eine Entfernung von etwa 300 m vorgesehen, nutzt 94 Kanäle in einem Raster von 864 kHz und basiert auf den FDMA- (Frequency Division Multiple Access), TDMA- (Time Division Multiple Access) und TDD-Zugriffsschemata (Time Division Duplex) mit einem Durchsatz von 576 kHz. Es wird die GFSK-Modulation angewandt, und die Sendeleistung beträgt +23 dBm. Durch Frequency Hopping mit 100 Sprüngen pro Sekunde wird die Leistung auf das Frequenzband verteilt.

802.11b ist einer der Wireless-LAN-Standards für z.B. drahtlose Internet-Netzwerke mit einer Reichweite von etwa 60 bis 100 m. Der Maximaldurchsatz beträgt rund 10 Mbit/s. QPSK-Modulation (Quadrature Phase Shift Keying) und das DSSS-Verfahren (Direct Sequence Spread Spectrum) mit seiner größeren Bandbreite eignen sich besser als das Frequenzsprung-Verfahren (FHSS = Frequency Hopping Spread Spectrum) zum Erreichen größerer Distanzen und Übertragungsraten. Die maximale Ausgangsleistung (in Europa) ist +20 dBm.

HomeRF wendet sich vermehrt an private Anwendungen, während 802.11b in erster Linie für den Büroeinsatz ausgelegt ist. HomeRF nutzt ebenfalls das Frequenzsprung-Verfahren, hat eine Reichweite von 50 m und ermöglicht einen maximalen Durchsatz von 10 Mbit/s (HomeRF 2.0). Im Interesse hoher Datenraten werden die 4-FSK-Modulation (Four Frequency Shift Keying) und eine maximale Ausgangsleistung von +30 dBm angewandt.

Zu den industriellen Applikationen zählen beispielsweise Fernsteuerungen. Diese haben Ähnlichkeit mit Anwendungen gemäß Bluetooth Class 1 und dienen zum Übertragen von Diagnosedaten von und zu Maschinen, verwenden aber nicht den gleichen Frequenzplan wie Bluetooth. Ein weiteres Beispiel sind die sog. „Guide Ports“ (Besucherführer) für Museen. Auch hier besteht Ähnlichkeit mit Bluetooth und DCT, doch gibt es Abweichungen hinsichtlich des Frequenzplans und der Modulationsverfahren.

Da die Resonanzfrequenz von Wasser ebenfalls bei 2,4 GHz liegt, arbeiten auch Mikrowellenöfen mit dieser Frequenz. Zwar bleibt ein Großteil der Strahlung hier im Innern des Ofens, es gelangt jedoch noch genügend Streustrahlung nach außen, um andere in der Nähe befindliche ISM-Band-Applikationen zu stören. Insbesondere die Breitbandigkeit der von einem Mikrowellenofen ausgehenden Streustrahlung hat zur Folge, dass die FHSS-Immunität von Bluetooth und die DSSS-Immunität von 802.11b beeinträchtigt werden.

kasten-1_02.jpg

Ähnlichkeiten zwischen den Standards

Von den zuvor erwähnten Standards werden im Folgenden Bluetooth, DCT und eine industrielle Anwendung miteinander verglichen. Da sich viele Spezifikationen von Bluetooth Class 1 und DCT überschneiden, weisen die entsprechenden Transceiver-Architekturen große Ähnlichkeit auf. In der Tabelle sind einige wichtige Spezifikationen beider Standards und von „Guide Ports“ aufgeführt. Die übrigen Anwendungen im ISM-Band (z.B. industrielle Fernsteuerungen) basieren auf ähnlichen Spezifikation, weichen allerdings in ihrem Frequenzplan, ihrem Zugriffsverfahren und ihrer Datenrate ab.

Transceiver-Architekturen im Vergleich

41wh0101_03.gif
Bild 1. Der Bluetooth-HF-Chip LMX5251 mit externer Beschaltung

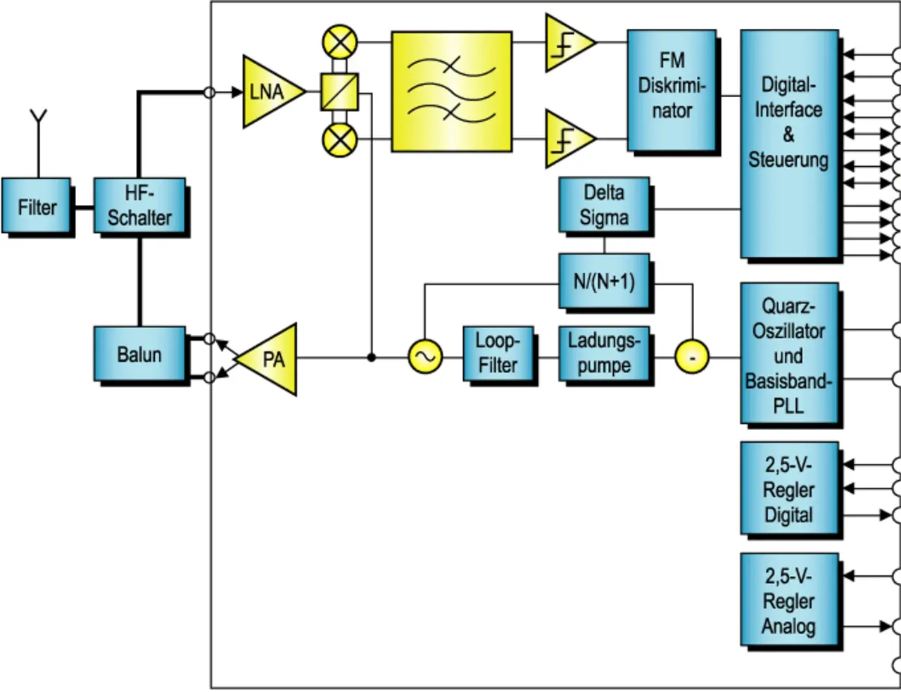
Einen guten Vergleich von Architekturen erlauben die Bluetooth- und DCT-Transceiver LMX5251 (Bild 1) und LMX4268 (Bild 2) von National Semiconductor (www.nsc.com), eventuell mit gesteuerten Leistungsverstärkern (PA). Letztgenannter nutzt eine mit 1,2 GHz arbeitende PLL-Schaltung, während der LMX5251 mit 2,4 GHz arbeitet. Die Ausgangsfrequenz des LMX4268 wird jedoch verdoppelt, um das Eingangssignal für den PA-Treiber und ein LO-Signal (Local Oscillator) für den Empfänger zu erhalten (wie im Falle des Bluetooth-HF-Chips). Beide Transceiver basieren auf einer Empfängerarchitektur mit niedriger Zwischenfrequenz (Low IF) und digitalem Tx/Rx-Datenausgang. Zur Steuerung des externen Leistungsverstärkers werden GPIO-Ports herangezogen. Während das Schleifenfilter im Falle des LMX4268 extern angeordnet ist, hat der LMX5251 ein internes Schleifenfilter. Die externe Anordnung dieses Funktionsabschnitts hat Vor- und Nachteile. Vorteilhaft ist die Möglichkeit der Feinabstimmung der PLL-Schaltung: Phasenrauschen, Einrastzeit und Spektrum lassen sich einstellen. Nachteilig ist zweifellos der größere Aufwand an externen Bauteilen. Die Empfindlichkeit des LMX4268 beträgt etwa –93 dBm und ist damit bei ähnlichen Modulationsverfahren um 10 dB besser als die des LMX5251.

41wh0102_03.gif
Bild 2. DCT-Radio-Chip LMX4268 mit externer Beschaltung.

Bild 1 zeigt den LMX5251 mit externer Anordnung von Symmetrierglied, Filter und Schalter (in folgenden CMOS-HF-Chips waren diese Front-End-Funktionen integriert). Das gesamte Design wird dadurch kompakter und billiger, und es ist einfacher in der vorgesehenen Applikation implementierbar. Nachteilig an dieser Integration ist hingegen, dass kein PA mehr zwischen Symmetrierglied und Schalter eingefügt werden kann, weil die Anschlüsse dieser Funktionselemente nicht herausgeführt sind. Für Class-1-Anwendungen und industrielle ISM-Band-Applikationen kommt diese Lösung daher nicht in Betracht. Eine Möglichkeit, den hohen Integrationsgrad mit der Tauglichkeit für Class 1 zu verbinden, ist das Herausführen der Anschlüsse des Symmetrierglieds bzw. des PA-Treibers und des Schalters (Bild 3). Für den Class-1-Betrieb wird ein externer PA hinzugefügt (Leistungsanhebung von +5 dBm auf +20 dBm), der für Class-2/3-Applikationen durch eine einfache „Null-Ohm“-Verbindung ersetzt wird.

Der Ausgang des PA-Treibers ist an den Gehäuse-Pin herausgeführt, an den der Eingang des externen Leistungsverstärkers angeschlossen wird. Nach der Verstärkung erfolgt die Rückführung des Signals in den Transceiver-Baustein, wo es dem Schalter und dem Filter zugeleitet wird. Ein mögliches Problem mit diesem Design besteht darin, dass die mit hoher Signalleistung beaufschlagte externe Leitung Interferenzen mit anderen Funktionsabschnitten des ICs hervorrufen könnte. Problematisch kann auch die innerhalb des ICs anfallende Verlustwärme sein, da der typische Verlust von etwa 3 dB zu einer Verlustleistung von etwa 50 mW in der Kombination aus Schalter und Filter führt.

41wh0103_03.gif
Bild 3. Integrierter Class-1-Transceiver; der PA ist extern hinzugefügt.

Ein universeller 2,5-GHz-ISM-Transceiver

Wegen der großen Ähnlichkeit der Spezifikationen der drei hier besprochenen Standards erscheint es attraktiv, einen einzelnen Transceiver mit der Funktionalität aller drei Varianten zu bauen. Ein solcher Transceiver wäre extrem vielseitig, denn er könnte für die jeweils gewünschte Anwendung programmiert werden. Die Spanne reicht von Bluetooth Class 2 (ohne externen PA) und Class 2 (mit PA) über sämtliche DCT-Applikationen bis hin zu industriellen Anwendungen im ISM-Band einschließlich des Guide Port. Die daraus resultierenden sehr hohen Produktionsstückzahlen dieses Bausteins würden sich kostensenkend auswirken.

Um zu ermitteln, welche Art Architektur und welche Spezifikationen ein solcher Transceiver aufweisen muss, ist ein erneuter Blick auf Parameter in der Tabelle erforderlich. Der optimale ISM-Band-Transceiver wäre somit eine Kombination aus einem Bluetooth- und einem DCT-Transceiver, mit einer Fractional-N-<ΣΔ>-Direktmodulations-PLL mit externem Schleifenfilter und kurzer Einrastzeit (um die Voraussetzungen für 1600 Frequenzwechsel/s zu schaffen) sowie mit einem hochempfindlichen Empfänger mit Variable-Gain-LNA. Ein optionaler Leistungsverstärker wird für Class 1 und industrielle Applikationen hinzugefügt, während Filter und TR-Umschalter nicht extern zu implementieren sind. Mit einem 2-Punkt-Modulationsverfahren werden dann Datenraten bis zu 1,1 Mbit/s erreicht. Das resultierende Design kann bei entsprechender Programmierung für viele Anwendungen im ISM-Band eingesetzt werden.

tabelle_b12940_03.jpg

  1. Transceiver für das 2,4-GHz-ISM-Band
  2. Autor

Jetzt kostenfreie Newsletter bestellen!