Mittlerer und unterer Leistungsbereich

Bessere QR/FF-Sperrwandler sind machbar

20. Oktober 2022, 16:00 Uhr | Von Santina Leo, Application Development Engineer, Farhan Beg, technisches Marketing, und Antonino Gaito, Senior Application Engineer im Bereich Leistungs-MOSFET, alle bei STMicroelectronics
STMicroelectronics
© STMicroelectronics

LED-Treiber, Ladegeräte und andere Anwendungen auf Basis von Sperrwandlern brauchen einen höheren Wirkungsgrad und eine größere Leistungsdichte, um Energie zu sparen und den Platzbedarf sowie das Gewicht zu reduzieren. Entscheidend ist dabei ist die Wahl des Schalttransistors.

Diesen Artikel anhören

Fortsetzung des Artikels von Teil 1

Technologie »MDmesh K6«

Um die aus dem Bedarf des Marktes resultierenden Herausforderungen zu erfüllen, bietet die Technologie »MDmesh K6« von ST deutliche Vorteile in Sperrwandler-Topologien für Netzteile, Ladegeräte, LED-Beleuchtungen, Smart Meter, Hilfsstromversorgungen und industrielle Stromver-sorgungen.

Die MDmesh-K6-Technologie bietet eine Durchbruchspannung von 800 V im Verbund mit einem reduzierten RDS(on) sowie geringeren Eingangs- und Ausgangskapazitäten. Dies sorgt unabhängig von der Frequenz für effizientere Schalteigenschaften, sodass ein hohes Performance-Niveau und eine hohe Leistungsdichte realisiert werden können. Die 800-V-Klasse ist die erste, die in dieser neuen Familie auf den Markt kommt. Für die Zukunft plant ST zusätzlich die Einführung von MDmesh-K6-Bausteinen in weiteren Spannungsklassen.

Zu den wichtigen Parametern von MOSFETs gehören die Gateladung (Qg) und die in der Ausgangs-kapazität gespeicherte Energie (Eoss), denn beide haben entscheidende Auswirkungen auf die Schaltverluste. Qg hängt eng mit dem Aufwand zum Ansteuern des MOSFET zusammen: je kleiner der Wert, umso niedriger die Treiberverluste. Ein geringer Eoss-Wert wiederum kommt hauptsächlich hart schaltenden Applikationen zugute, da die während des abgeschalteten Zustands in der Ausgangskapazität gespeicherte Energie im MOSFET-Kanal dissipiert wird, wenn der Baustein einschaltet. Die Verringerung dieser dissipierten Energie führt unmittelbar zur Energieeinsparung und minimiert die insgesamt im Wandler entstehenden Verluste. Eine wichtige Kennzahl stellt natürlich auch der RDS(on)-Wert dar, der die Leitungsverluste bestimmt und bei hohen Leistungen eine entscheidende Rolle spielt.

STMicroelectronics
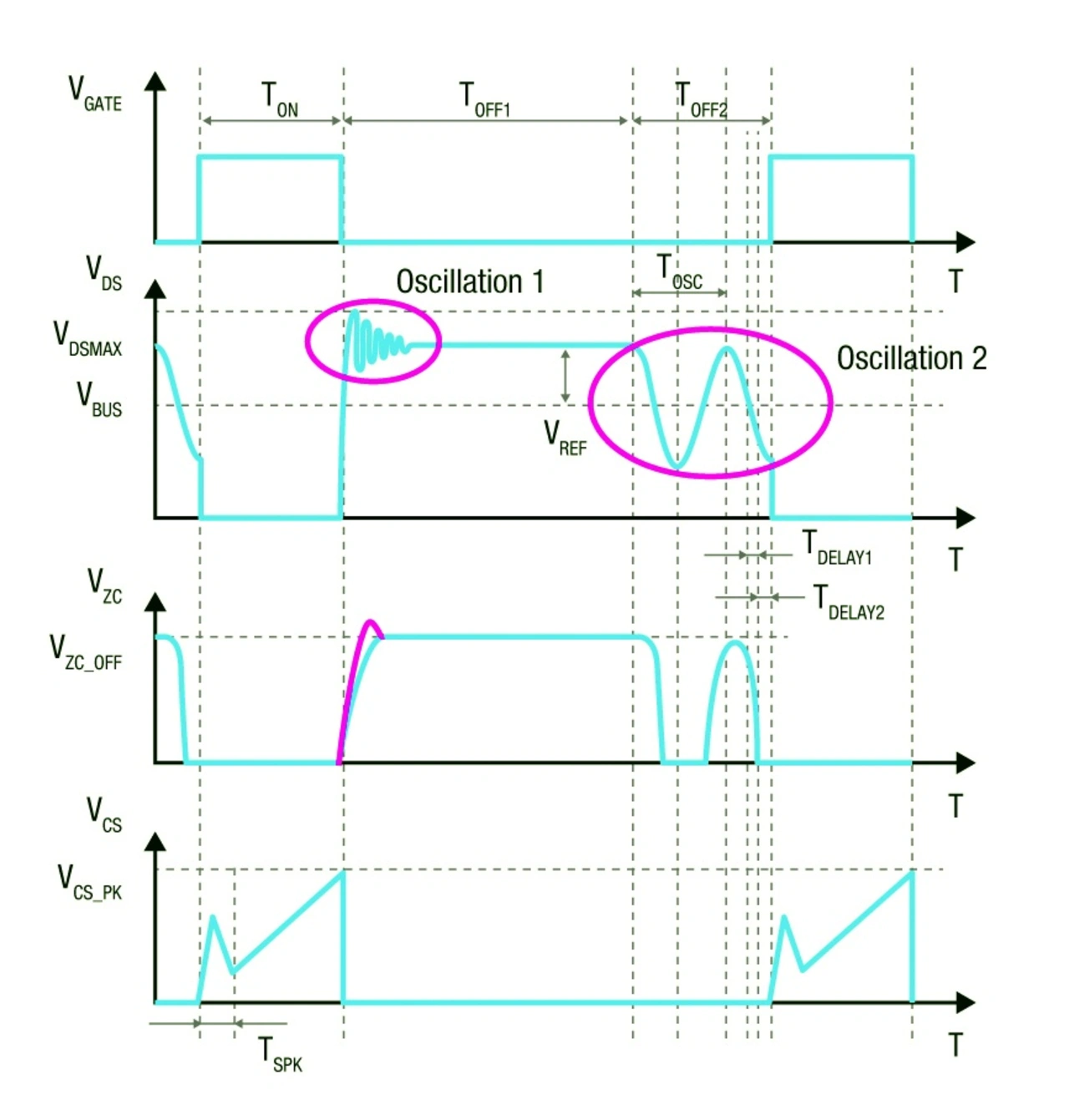
Bild 4: Funktionsprinzip des QR-Sperrwandlers
© STMicroelectronics
STMicroelectronics
Bild 5: Vergleich der Eoss-Werte
© STMicroelectronics

Wirkungsgrad-Eigenschaften der neuen MDmesh-K6-Technologie

MDmesh K6 ist die neueste, für sehr hohe Spannungen ausgelegte Superjunction-MOSFET-Technologie (SJ) von ST. Die für 800 V konzipierte MDmesh-K6-Serie, Nachfolgerin der bereits fest auf dem Markt etablierten Reihe MDmesh K5, kombiniert die Vorteile schnell schaltender SJ-MOSFETs mit einer überaus einfachen Anwendung. Ihre sehr niedrigen Schaltverluste sorgen ferner dafür, dass sich geschaltete Anwendungen noch effizienter und kompakter realisieren lassen.

Wie bereits erwähnt, ist eine der wichtigsten MOSFET-Kennzahlen, die von entscheidender Bedeutung für die finale Leistungsfähigkeit eines Sperrwandlers ist, der Eoss-Wert. Bild 5 bietet einen Überblick über diesen Parameter, der in erster Linie für die Schaltverluste relevant ist. Es ist deutlich zu sehen, dass der Eoss-Wert bei der Serie MDmesh K6 gegenüber der 800-V-Technologie MDmesh K5 von ST um mehr als 50 Prozent reduziert wurde.

Deutlich wird das hohe Performance-Niveau der neuen MDmesh-K6-Technologie an der in Bild 6 dargestellten Steigerung des Wirkungsgrads eines als QR-Sperrwandler implementierten LED-Treibers mit 100 W Leistung. Der Wirkungsgrad bei Verwendung eines MDmesh-K6-MOSFET wird hier mit den Werten verglichen, die mit einem Baustein auf Basis der vorigen MDmesh-K5-Technologie und mit dem Produkt eines Mitbewerbers erzielt werden.

STMicroelectronics
Bild 6: Wirkungsgrad im mittleren bis hohen Leistungsbereich
© STMicroelectronics
STMicroelectronics
Bild 7: Klassenbester RDS(on)-Wert für einen DPAK-Baustein
© STMicroelectronics

Durch den schlichten Umstieg auf einen MDmesh-K6-Baustein lässt sich eine Effizienzsteigerung von 0,1 Prozentpunkten bei Volllast erzielen.

Da der Trend auf dem Markt heutzutage zu möglichst kompakten Stromversorgungen geht, be-steht ein Bedarf an immer kleineren und leistungsfähigeren MOSFETs. MDmesh K6 trägt diesem Bedarf Rechnung und ermöglicht kompaktere Designs, die in einer höheren Leistungsdichte auf der Systemebene resultieren.

Die MDmesh-K6-Technologie ermöglicht die Herstellung von MOSFETs, die trotz kleinerer Gehäu-seabmessungen den gleichen RDS(on)-Wert haben wie die frühere Generation. Wie Bild 7 zu entnehmen ist, kann die MDmesh-K6-Technologie mit 220 mΩ den klassenbesten RDS(on)-Wert für DPAK-Bausteine vorweisen – das sind immerhin rund 60 Prozent weniger als bei der vorigen Technologie MDmesh K5 von ST. Die DPAK-Gehäuse tragen außerdem dazu bei, Platz zu sparen und die Leistungsdichte zu erhöhen, indem Bausteine mit Durchsteckgehäuse durch oberflächenmontierbare Bauelemente ersetzt werden.

Zusammenfassung

Der Sperrwandler ist die meistverwendete Leistungswandler-Topologie in Anwendungen des unteren bis mittleren Leistungsbereichs. Eine maßgebliche Rolle für die Leistungsfähigkeit des finalen Designs spielt dabei die Wahl des Schalters und seiner Parameter.

Die neueste, aus Superjunction-Leistungs-MOSFETs mit sehr hoher Durchbruchspannung beste-hende MDmesh-K6-Familie von ST bietet eine breite Auswahl an RDS(on)-Werten und unterschiedlichen Gehäuseoptionen. Die Bauelemente eignen sich optimal für Anwendungen wie etwa LED-Treiber und Ladegeräte, die sich auf einem wettbewerbsfähigen Preisniveau durch einen hohen Wirkungsgrad, kleine Abmessungen und große Zuverlässigkeit auszeichnen müssen. 


  1. Bessere QR/FF-Sperrwandler sind machbar
  2. Technologie »MDmesh K6«


Lesen Sie mehr zum Thema


Das könnte Sie auch interessieren