Kombinierter Verstärker

Hohe Ausgangsleistung und hohe DC-Genauigkeit

4. Januar 2021, 07:00 Uhr | Jino Loquinario, Harry Schubert
©

Die Vorzüge der jeweils verwendeten Verstärker-ICs kombinieren und gleichzeitig deren Limitierungen kompensieren. Genau das ist mit einer kombinierten Verstärkerschaltung möglich. Sorgfältig dimensioniert, lässt sich der kombinierte Verstärker exakt für eine Applikation anpassen.

Diesen Artikel anhören

Für Entwickler ist quasi normal und auch meist zu erwarten, dass sie mit neuen Anwendungen konfrontiert werden, für die es keine existierende Schaltung gibt. Um die damit verbundenen Anforderungen zu erfüllen, ist es erforderlich, eine Schaltung zu erarbeiten, die über die Leistungsfähigkeit der am Markt verfügbaren Produkte hinausgeht. Eine Anwendung kann beispielsweise einen Verstärker erfordern, der sehr schnell ist, eine hohe Spannung mit einem hohen Ausgangsstrom liefert und gleichzeitig eine hohe DC-Genauigkeit, geringes Rauschen und geringe Verzerrung etc. aufweist.

Sowohl Verstärker, die die Anforderungen an Geschwindigkeit und hohe Ausgangsspannungen/-ströme erfüllen, als auch Verstärker, die eine ausgezeichnete DC-Genauigkeit haben, sind am Markt verfügbar. Allerdings werden meist nicht alle Anforderungen von einem einzigen Verstärker allein erfüllt. Mit diesem Problem konfrontiert, könnte man annehmen, dass es unmöglich ist, einen Verstärker zu realisieren, der allen Anforderungen für diese Anwendungen gerecht wird. Dann bliebe einem Entwickler nur die Wahl zu einer zweitklassigen Lösung, also entweder einen Präzisionsverstärker oder einen schnellen Verstärker einsetzen und er müsste dabei einige der Anforderungen aufgeben.

Glücklicherweise stimmt das so nicht ganz. Es gibt dafür eine Lösung in Form eines kombinierten Verstärkers – einer Reihenschaltung unterschiedlicher Verstärker (composite amplifier).

Kombinierte Verstärkerschaltung

Bild 1. Prinzipschaltung des kombinierten Verstärkers (composite amplifier) mit zwei in Reihe geschalteten Verstärkerstufen.
Bild 1. Prinzipschaltung des kombinierten Verstärkers (composite amplifier) mit zwei in Reihe geschalteten Verstärkerstufen.
© Analog Devices

Ein kombinierter Verstärker ist eine Reihenschaltung mit zwei einzelnen Verstärkern, die so konfiguriert ist, dass sie die Vorteile der einzelnen Verstärker beibehält aber ihre jeweiligen Nachteile abschwächt.

Nach der Schaltung in Bild 1 sollte Verstärker 1 für die oben beschriebene Anwendung eine ausgezeichnete DC-Genauigkeit, ein gutes Rauschverhalten und eine geringe Verzerrung aufweisen, Verstärker 2 hingegen als Treiber die Anforderungen an die hohe Ausgangsleistung erfüllen. Bei dieser Anordnung ist der Verstärker 2 mit seiner benötigten Ausgangsleistung innerhalb der Regelschleife des Verstärkers 1 angeordnet, der die für diese Anwendung erforderlichen Eingangsspezifikationen erfüllt.

Im Folgenden werden einige Vorteile und Techniken dieser Verstärkerschaltung diskutiert.

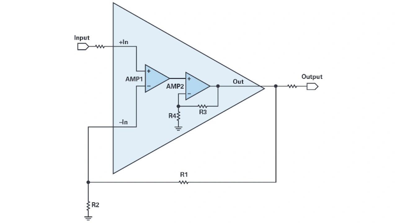
Einstellen der Verstärkung

Bild 2. Ein kombinierter Verstärker – aus zwei Operationsverstärken aufgebaut – lässt sich als einzelner Verstärker betrachten.
Bild 2. Ein kombinierter Verstärker – aus zwei Operationsverstärken aufgebaut – lässt sich als einzelner Verstärker betrachten.
© Analog Devices

Wer sich erstmalig mit einem zusammengesetzten Verstärker befasst, stellt sich zuerst meist die Frage, wie dessen Verstärkung einzustellen ist. Dazu ist es hilfreich, sich den kombinierten Verstärker als einen einzigen, nicht-invertierenden Operationsverstärker (OPV), entsprechend dem großen Dreieck in Bild 2, vorzustellen.

Die Verstärkung dieses nicht-invertierenden OPVs berechnet sich zu 1 + R1/R2. Das im Innern des nicht-invertierenden OPVs ein kombinierter Verstärker steckt, ändert daran nichts. Die Gesamtverstärkung wird immer noch vom Verhältnis R1 zu R2 bestimmt.

Bei dieser Konfiguration ist es verlockend anzunehmen, dass die Änderung der Verstärkung von OPV2 mit Hilfe von R3 und R4 den Ausgangspegel von OPV2 beeinflusst und eine Änderung der kombinierten Verstärkung bewirkt, dies ist jedoch nicht der Fall. Ein Erhöhen der Verstärkung an OPV2 mit R3 und R4 würde nur die effektive Verstärkung und den Ausgangspegel von OPV1 verringern, so dass der Ausgang der Verstärkerkombination (OPV2-Ausgang) unverändert bleibt. Ebenso bewirkt ein Verkleinern der Verstärkung von OPV2 nur eine Erhöhung der Verstärkung von OPV1, so dass auch hier die Verstärkung des kombinierten Verstärkers aus OPV1 und OPV2 nur von R1 und R2 abhängt.

Dieser Fachaufsatz betrachtet die wichtigsten Vorteile und Überlegungen beim Schaltungsentwurf eines kombinierten Verstärkers. Die Auswirkungen auf Bandbreite, DC-Genauigkeit, Rauschen und Verzerrung werden dabei besonders hervorgehoben.

Erweiterung der Bandbreite

Einer der Hauptvorteile eines kombinierten Verstärkers im Vergleich zur einfachen Verstärkerschaltung mit identischer Verstärkung ist die erweiterte Bandbreite.

Werden zwei einzelne Verstärker, mit jeweils einer Transitfrequenz (fT) von 100 MHz (GBWP, Gain–Bandwidth Product), wie in Bild 3 gezeigt zusammengeschaltet, so steigt die effektive Transitfrequenz dieser Kombination an (Bild 4).

Bild 3. Kombinierter Verstärker aus zwei Operationsverstärkern mit gleichem Verstärkungs-Bandbreite-Produkt und einem Verstärkungsfaktor von Eins.
Bild 3. Kombinierter Verstärker aus zwei Operationsverstärkern mit gleichem Verstärkungs-Bandbreite-Produkt und einem Verstärkungsfaktor von Eins.
© Analog Devices
Bild 4. Der kombinierte Verstärker aus Bild 3 erreicht bei einem Verstärkungsfaktor von Eins eine höhere Bandbreite als der einzelne Operationsverstärker aus dem er besteht.
Bild 4. Der kombinierte Verstärker aus Bild 3 erreicht bei einem Verstärkungsfaktor von Eins eine höhere Bandbreite als der einzelne Operationsverstärker aus dem er besteht.
© Analog Devices

Bild 5 zeigt einen kombinierten Verstärker mit einem Verstärkungsfaktor von Zehn, diese Gesamtverstärkung wird mit den Widerständen R1 und R2 eingestellt. Die Verstärkung von OPV2 ist dabei auf ungefähr 3,16 eingestellt, was die effektive Verstärkung von OPV1 auf denselben Wert zwingt. Das gleichmäßige Verteilen der Verstärkungsfaktoren auf beide Verstärker resultiert in der höchstmöglichen Bandbreite.

Bild 6 vergleicht den Frequenzgang eines einzelnen Verstärkers mit Verstärkungsfaktor Zehn mit einem kombinierten Verstärker, dessen Beschaltung ebenfalls für den Verstärkungsfaktor Zehn dimensioniert wurde. In diesem Fall bietet der kombinierte Verstärker eine ca. 300%ige Steigerung der Bandbreite. Wie ist das möglich?

Bild 5: Kombinierter Verstärker, beschaltet für einen Verstärkungsfaktor von Zehn. Die Widerstände sind so gewählt, dass beide Operationsverstärker mit dem gleichen Verstärkungsfaktor arbeiten.
Bild 5: Kombinierter Verstärker, beschaltet für einen Verstärkungsfaktor von Zehn. Die Widerstände sind so gewählt, dass beide Operationsverstärker mit dem gleichen Verstärkungsfaktor arbeiten.
© Analog Devices
Bild 6. Im Vergleich zum einfachen Operationsverstärker erreicht der kombinierte Verstärker aus Bild 5 eine deutlich höhere Bandbreite bei Verstärkungsfaktor Zehn.
Bild 6. Im Vergleich zum einfachen Operationsverstärker erreicht der kombinierte Verstärker aus Bild 5 eine deutlich höhere Bandbreite bei Verstärkungsfaktor Zehn.
© Analog Devices

Eine konkrete Schaltung für einen kombinierten Verstärker als Beispiel zeigt Bild 7. Die Frequenzgänge der einzelnen Operationsverstärker und des kombinierten Verstärkers sind in Bild 8 dargestellt. Um eine Gesamtverstärkung von 40 dB zu erhalten, sollen zwei identische Operationsverstärker eingesetzt werden, jeder mit einer Leerlaufverstärkung von 80 dB und einer Transitfrequenz von 100 MHz.

Bild 7. Die Gesamtverstärkung von 40 dB wird annähernd gleich auf die beiden Operationsverstärker aufgeteilt, um die maximale Bandbreite zu erzielen.
Bild 7. Die Gesamtverstärkung von 40 dB wird annähernd gleich auf die beiden Operationsverstärker aufgeteilt, um die maximale Bandbreite zu erzielen.
© Analog Devices
Bild 8. Der erwartete Frequenzgang des kombinierten Verstärkers verdeutlicht wie hoch sich die Bandbreite gegenüber der Schaltung mit einem Operationsverstärker erhöht.
Bild 8. Der erwartete Frequenzgang des kombinierten Verstärkers verdeutlicht wie hoch sich die Bandbreite gegenüber der Schaltung mit einem Operationsverstärker erhöht.
© Analog Devices

Um die höchstmögliche Bandbreite für diese Kombination zu realisieren, wird die benötigte Gesamtverstärkung gleichmäßig auf die beiden Operationsverstärker verteilt. Jeder OPV wird einer Verstärkung von 20 dB betrieben. Das Einstellen der Verstärkung von OPV2 auf 20 dB bewirkt für OPV1 ebenfalls eine effektive Verstärkung von 20 dB.

Durch diese Verstärkungskonfiguration arbeiten beide Operationsverstärker niedriger in ihrer jeweiligen Leerlaufverstärkungskurve als dies bei einer Verstärkung von 40 dB der Fall wäre. Im Vergleich zu einem einzelnen Operationsverstärker mit 40 dB hat daher der kombinierte Verstärker eine höhere Bandbreite.


  1. Hohe Ausgangsleistung und hohe DC-Genauigkeit
  2. Stabilität erfordert eine sorgfältige Dimensionierung
  3. Schaltungen mit kombinierten Verstärkern


Lesen Sie mehr zum Thema


Das könnte Sie auch interessieren