Bidirektionale Leistungswandler

Das Maximum aus ESS herausholen

10. April 2024, 11:00 Uhr | Juan Carlos Rodriguez, Power Conversion Systems Engineer bei Analog Devices
Energiespeichersysteme
© Componeers GmbH/Adobe

Es wird die Implementierung einer isolierten und bidirektionalen DC/DC-Leistungsübertragung vorgestellt, bei der ein Digital-Controller für den FPT- und RTP-Modus angepasst wurde. Damit liegt der Umwandlungswirkungsgrad über 94% in beiden Energieübertragungsrichtungen, was Tests bestätigen.

Diesen Artikel anhören

Modulare batteriegestützte Energiespeichersysteme (ESS) sind Schlüsseltechnologien für den Aufbau eines Ökosystems für grüne Energie, da sie die effektive Nutzung von Strom aus erneuerbaren Energiequellen unterstützen. Eine zunehmend beliebte Anwendung sind ESS für wiederverwendete Batterien. In diesem Teilmarkt werden voraussichtlich bis zu 80% der ausrangierten Batterien in ESS für stationäre Netzdienste umgewandelt, wodurch sich die Nutzungsdauer der Batterien von 5 auf bis zu 15 Jahre erhöht. Man geht davon aus, dass diese Systeme die Netzkapazität im Jahr 2030 um bis zu 1 TWh erweitern werden.1 Diese neue Anwendung wird in naher Zukunft auf dem Energiemarkt an Bedeutung gewinnen.

Eine typische Implementierung besteht aus verschiedenen Stapeln von Batteriemodulen, die ihre Energie über Leistungswandler an die zentralen Wechsel- oder Gleichstrombusse übertragen (um die Energie anschließend in irgendeiner Form an die Verbraucher zu verteilen). Die Herausforderung bei dieser Art von System liegt darin, dass jedes Modul eine andere chemische Zusammensetzung und Kapazität sowie ein anderes Alterungsprofil hat. In einer herkömmlichen modularen Topologie wirkt sich das schwächste Modul auf die nutzbare Gesamtkapazität des gesamten Stapels aus (Abbildung 1).

Bild 1
Abbildung 1: Die Herausforderung beim Einsatz von modularen ESS
© Analog Devices

Um diese Einschränkung zu überwinden, wird in der Architektur in Abbildung 2 die Energie im Stapel über individuelle DC/DC-Wandler für jedes Batteriemodul auf einen gemeinsamen DC-Zwischenbus übertragen. Diese Energie wird dann zur Unterstützung eines zentralen Mittelspannungs-Wechsel- oder Gleichstrombusses über einen Hauptstromrichter verwendet. Die Spannungs- und Leistungswerte in Abbildung 2 wurden auf der Grundlage typischer Werte von ESS auf dem Markt gewählt: 48-V-Batteriemodule, 400-V-DC-Zwischenbusse, Hauptstromrichter mit mehr als 20 kW (hohe Leistung) und zentralisierte Busse mit bis zu 1500 V.2

Bild 2
Abbildung 2: Ein modulares batteriegestütztes ESS
© Analog Devices

In Abbildung 2 sind die Erdungsreferenzen der einzelnen Module im Stapel unterschiedlich, so dass eine Isolierung erforderlich ist, um die einzelnen DC/DC-Wandler für jedes Batteriemodul zu implementieren. Um hybride Systeme wie ESS mit wiederverwendeten Batterien zu unterstützen, muss jeder dieser Wandler außerdem in der Lage sein, Energie bidirektional zu übertragen. Auf diese Weise lassen sich das unabhängige Laden/Entladen jedes Moduls und der Ladungsausgleich leicht erreichen. Die zentralen Baugruppen der hier dargestellten Anwendung sind daher DC/DC-Wandler, die gleichzeitig isoliert und bidirektional sind.

In den folgenden Abschnitten wird gezeigt, dass spezielle Digitalregler für die Leistungsumwandlung eine gute Alternative für eine sichere und zuverlässige Implementierung des gewünschten DC/DC-Wandlertyps sind, indem diese Regler (die normalerweise nur für die unidirektionale Leistungsübertragung ausgelegt sind) an den bidirektionalen Betrieb angepasst werden.

Spezielle Digitalcontroller für die Leistungsumwandlung

Für die Steuerung der Schaltgeräte in Hochleistungs-DC/DC-Wandlern (größer als 1 kW) ist die digitale Steuerung der derzeitige Industriestandard und basiert typischerweise auf Mikrocontrollern (MCUs).3 Trotzdem könnte eine zunehmende Konzentration auf funktionale Sicherheit (FS) in industriellen Anwendungen dazu führen, dass stattdessen spezielle digitale Controller verwendet werden. Aus der Sicht des Systemdesigns ist eine einfachere FS-Zertifizierung besonders bei modularen Implementierungen von Vorteil, da sie den Designprozess erleichtert und somit die Gesamtzeit bis zum Umsatz verkürzt. Einige der Gründe, die für den Einsatz von speziellen Digitalcontrollern gegenüber MCUs sprechen, werden im Folgenden erläutert.4

  • Mikrocontroller sind auf eine Software angewiesen, die bis zur Entwicklung der IEC 61508 in einem sicherheitskritischen System nicht zulässig war, da sie aufgrund der Anzahl der darin enthaltenen Zustände als instabil galt. Daher besteht ein großer Teil des FS-Aufwands bei einer MCU aus der Entwicklung der Software.
  • Neben der Software müsste auch die MCU selbst zertifiziert werden.
  • Obwohl spezielle digitale Controller (als konfigurierbare Komponenten) immer noch datengesteuert sind, beinhaltet ihr Konfigurationsprozess eine Sprache mit begrenzter Variabilität (Limited Variability Language, LVL) im Gegensatz zu einer Sprache mit voller Variabilität (Full Variability Language, FVL), die für MCUs charakteristisch ist.
  • Da es sich um eine sequenzielle digitale Maschine handelt, können die Funktionen einer speziellen digitalen Steuerung durch Tests vollständig verifiziert werden, was bei der Software in einer MCU im Allgemeinen nicht möglich ist. Daher sind die wichtigsten Sicherheitsfunktionen bei der Verwendung eines speziellen Controllers im Gerät integriert.
  • Es ist möglich, dass zusätzliche Sicherheitsfunktionen für MCU-Implementierungen im Vergleich zu den integrierten Sicherheitsfunktionen in einer speziellen Steuerung erheblichen Zusatzaufwand auf der Hardware-Seite erfordern. Dies kann zu einer höheren Komplexität auf Systemebene führen, wenn eine Fehlermöglichkeits-, Einfluss- und Diagnoseanalyse (Failure Modes, Effects and Diagnostic Analysis, FMEDA) durchgeführt wird.
  • Bei der Verwendung eines speziellen Controllers kann zusätzliche Sicherheit (falls erforderlich) in einer externen MCU programmiert werden, die typischerweise auf Systemebene verfügbar ist.

Der ADP1055 von Analog Devices ist ein Digital-Controller, die speziell für die isolierte DC/DC-Hochleistungsumwandlung entwickelt wurde und eine Reihe von Funktionen für verbesserte Effizienz und Sicherheit bietet. Dazu gehören programmierbarer Überstromschutz (Overcurrent Protection, OCP), Überspannungsschutz (Overvoltage Protection, OVP), Unterspannungsabschaltung (Undervoltage Lockout, UVLO) und Übertemperaturschutz (Overtemperature, OTP). Wie viele äquivalente Standardbauteile auf dem Markt ist dieser Controller nur für die Energieübertragung in eine Richtung ausgelegt, d.h. für FPT (Forward Power Transfer: Vorwärtsleistungsübertragung). Um einen bidirektionalen Betrieb zu erreichen, muss die Anwendung mit dem Regler so angepasst werden, dass sie auch in der RPT-Richtung (Reverse Power Transfer, Rückwärtsleistungsübertragung) funktioniert. Im nächsten Abschnitt wird ein wichtiger Aspekt sowohl im FPT- als auch im RPT-Modus untersucht, der vor dem Anpassungsprozess verstanden werden muss. Es handelt sich dabei um den Wirkungsgrad des angestrebten DC/DC-Wandlers.

Wie man eine effiziente Energieumwandlung erreicht

Unter den verschiedenen Technologien, die für die isolierte und bidirektionale Energieübertragung bei Gleichstrom zur Verfügung stehen, ist die in Abbildung 3a dargestellte Architektur aufgrund ihrer einfachen Implementierung eine der am häufigsten kommerziell genutzten.5

Bild 3
Abbildung 3: Simulation der Leistungsumwandlungstopologie: (a) Modell und (b) Wirkungsgrade im Standardbetrieb
© Analog Devices

Diese Topologie kann entweder als spannungsgespeister Vollbrücken-Synchrongleichrichter mit Mittelanzapfung (FPT) oder als stromgespeister Gegentaktwandler mit Vollbrücken-Synchrongleichrichter (RPT) betrachtet werden. Eine Fallstudie mit 400 V (DC) in der Primärseite (DC-Bus) und 48 V (DC) in der Sekundärseite (Batteriemodul) für hohe Leistungen über 1 kW wird dargestellt, um die allgemeinen Herausforderungen der Anwendung zu illustrieren. LTspice® wurde verwendet, um den Betrieb mit typischen Wide-Band-Gap-Leistungsbauelementen zu simulieren, die mit 100 kHz schalten. Die für die Simulation verwendeten Parameter sind in Tabelle 1 dargestellt.

Tabelle 1:

SchaltkreisparameterWert
Nenn-ZwischenkreisspannungVBUS = 400 V (DC)
Batterie-NennspannungVBATT = 48 V (DC)
Schalter MA, MB, MC, MDSCT3017AL 650 V/18 A SiC MOSFETs
Schalter MSR1, MSR2, MCLAMPIPB065N15N3 150 V/136 A MOSFETs
TransformatorNp/Ns = 6:1; Lm = 50 µH; LLEAK = 0,1 bis 1 µH
DrosselspuleLo = 50 µH
KlemmkondensatorCCLAMP = 1 µF
BuskondensatorCo = 10 µF
Schaltfrequenz100 kHz (effektiv 200 kHz)

Die Ergebnisse in Abbildung 3b zeigen einen raschen Rückgang des Wirkungsgrads bei höheren Leistungen, wenn eine normale hart schaltende (Hard-Switching, HS) PWM verwendet wird. Dies wird noch deutlicher, wenn man RPT mit FTP vergleicht. Um den Betrieb zu verbessern, werden zwei Hauptverlustmechanismen identifiziert, die mit den entsprechenden nachfolgend beschriebenen Schalttechniken gemildert werden können.

  • Soft Switching: Abbildung 4a zeigt, wie in diesem Design mit geringer Streuinduktivität die Primärschalter MA und MB bei den Übergängen von passiv zu aktiv nicht schnell abschalten, wenn eine normale PWM verwendet wird. Diese Situation führt zu höheren Schaltverlusten im Gesamtsystem. In diesem Fall hilft die Verwendung von phasenverschobener (Phase-Shifted, PS) PWM (auch bekannt als Zero-Voltage Switching (ZVS), also Soft Switching) dabei, die Drain-to-Source-Spannungen während dieser Übergänge auf null zu bringen. Dies kann durch geeignete, lastabhängige Totzeiten erreicht werden, die die vollständige Entladung der Drain-to-Source-Kapazitäten der Schalter ermöglichen. Die Ergebnisse der Anwendung von PS zeigt Abbildung 4b.
Bild 4
Abbildung 4: Primärschalter für Passiv-Aktiv-Übergänge der Primärschalter mit (a) HS und (b) PS PWM
© Analog Devices
  • Aktive Klemmung: Abbildung 5a zeigt, dass sich während des Ausschaltens der Sekundärschalter MR1 und MR2 eine große Spitze und ein Klingeln an ihren Drain-to-Source-Spannungen beobachten lassen. Diese transienten Ereignisse gefährden die Integrität des Schalters, verschwenden Energie und tragen zu elektromagnetischen Störungen (Electromagnetic Interference, EMI) bei. Eine digital gesteuerte aktive Klemmung mit einem zusätzlichen Schalter (z.B. mit MCLAMP in Abbildung 3) ist die beste Alternative, um die negativen Auswirkungen dieser Spikes zu mildern.6 Dadurch kann die Effizienz dieser Architektur weiter gesteigert werden. Die Ergebnisse der Anwendung einer Form der aktiven Klemmung sind in Abbildung 5b dargestellt.
Bild 5
Abbildung 5: Primärschalter für Passiv-Aktiv-Übergänge der Primärschalter mit (a) HS und (b) PS PWM
© Analog Devices

Die Umsetzung dieser Strategien hat zu einer Erhöhung des Wirkungsgrads des Wandlers von weniger als 80 auf mehr als 90% bei 5 kW im RPT geführt. Ähnliche Wirkungsgrade für FPT und RPT werden auch von den Simulationsstudien vorhergesagt, wie in Abbildung 3b gezeigt.

Um diese Schaltfunktionen zu implementieren, bietet der ADP1055 sechs programmierbare PWM-Ausgänge, um das Timing der Schalter zu gestalten, sowie zwei GPIOs, die als aktive Clamp Snubber konfiguriert werden können. Beide Funktionen lassen sich leicht über eine benutzerfreundliche GUI programmieren. Die Vorteile dieser und anderer Funktionen dieses digitalen Controllers können im ADP1055-EVALZ-Nutzerhandbuch näher untersucht werden, in dem die Standard-FPT-Anwendung betrachtet wird.

Nachdem die Mechanismen zur Erzielung tragfähiger Wirkungsgrade ermittelt wurden, die sowohl für den FPT- als auch für den RPT-Modus in dieser Anwendung geeignet sind, wird schließlich die Anpassung an den RPT-Modus untersucht.

RTP-Anpassung

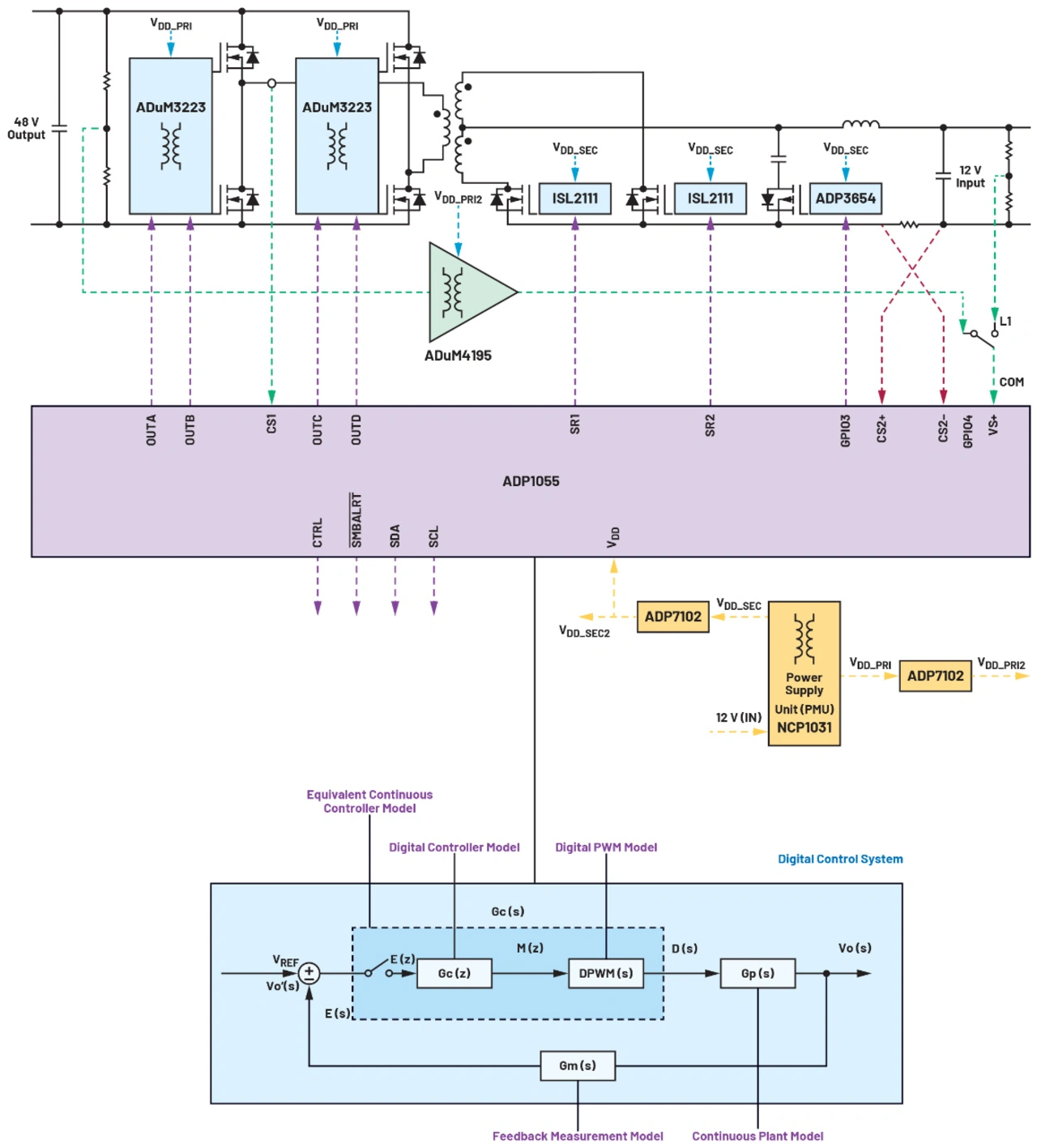
Um den Betrieb der analysierten Anwendung im RPT zu demonstrieren, wurde ein Niederspannungs-Versuchsaufbau als Proof of Concept erstellt. Dieser Aufbau basierte auf der Hardware des ADP1055-EVALZ-Handbuchs, die ursprünglich für 48 VDC bis 12 VDC/240 W FPT unter Verwendung des ADP1055 als Haupt-Controller bei einer Schaltfrequenz von fSW = 125 kHz als Standardfall ausgelegt war. Die Anpassung des RPT-Betriebs erforderte dann entsprechende Hardware- und Softwareänderungen. Abbildung 6 (oben) zeigt die vorgeschlagene Signalkette auf der Hardwareseite für diese Aufgabe mit den folgenden Highlights:

Bild 6
Abbildung 6: Signalkette zur Anpassung von RPT mit einem speziellen digitalen Controller
© Analog Devices
  • Die vier Primärschalter werden über zwei passende isolierte Halbbrücken-Gate-Treiber (ADuM3223) ein- und ausgeschaltet. Die präzisen Timing-Eigenschaften (max. 54 ns Isolator- und Treibergruppenlaufzeit) dieser Treiber spiegeln die Steuersignale genau in der PWM wider.
  • Die isolierte Stromversorgungseinheit im ADP1055-EVALZ-Nutzerhandbuch wurde neu verdrahtet und um ein zusätzliches Präzisions-LDO (ADP1720) ergänzt, um die beiden Erdungsreferenzen im System zu berücksichtigen und alle verschiedenen ICs der Anwendung zu versorgen.
  • Auf der Messseite werden die Klemmen für die Strommessung am Strommess-Widerstand vertauscht, so dass der Ausgangsstrom in der Sekundärseite des Transformators des Gesamtwandlers in der richtigen Richtung an den Klemmen CS2+ und CS2- der Steuerung gemessen wird.
  • Schließlich wird der isolierte Verstärker ADuM4195 verwendet, um eine sichere und genaue Messung der Zwischenkreisspannung zu ermöglichen, die im RPT-Modus die Ausgangsvariable ist, im Gegensatz zu FPT, wo die batterieseitige Spannung der geregelte Ausgang war.

Das auf dem ADuM4195 basierende Messverfahren ist eine der wichtigsten Ergänzungen zur Hardware des Regelkreises. Neben einer sicheren Isolationsspannung von 5 kV (von der Hochspannungs-Primärseite zur Niederspannung-Steuerseite), einem breiten Eingangsbereich von bis zu 4,3 V und einer Genauigkeit von etwa 0,5% bei der Referenzspannung bietet der ADuM4195 eine hohe Mindestbandbreite von 200 kHz. Dies ermöglicht eine schnelle Schleifenregelung und damit eine bessere Reaktion auf Transienten als bei typischen Lösungen mit Strommess-Widerstand und Optokoppler, was für den Betrieb der Anwendung mit ihrer 125-kHz-Schaltfrequenz unerlässlich ist. Abbildung 7 zeigt den endgültigen Versuchsaufbau mit den Hardwareergänzungen aus Abbildung 6, die in einer ADuM4195-basierten Messkarte implementiert wurden, die dem ursprünglichen Evaluierungsboard im ADP1055-EVALZ-Nutzerhandbuch hinzugefügt wurde.

Bild 7
Abbildung 7: Versuchsaufbau für den RPT-»Proof of Concept«
© Analog Devices

Abbildung 6 (unten) zeigt auch die softwareseitige Konfiguration für die RPT-Anpassung. Das digitale Kontrollsystem wurde eingehend untersucht. Die Ergebnisse sind folgendermaßen in den Beschreibungsblöcken des Prozesses zusammengefasst:

  • Das richtige stationäre Verhalten wurde erreicht, indem die PWM-Einstellungen so geändert wurden, dass die Änderungen des Tastverhältnisses proportional zur Ladung der Sekundärspule sind. Dies entspricht dem Boost-Betrieb, den die Architektur im RPT-Modus aufweist.
  • Die Übertragungsfunktion im Laplace-Bereich, Gp(s), wurde mit der AC-Kleinsignal-Äquivalentschaltungstechnik7 unter Berücksichtigung des LCL-Ausgangsfilters des Designs im ADP1055-EVALZ-Nutzerhandbuch ermittelt. Anders als bei der FPT ist die Antwort der Leistungsstufe bei der RPT die eines Systems zweiter Ordnung mit einer rechtsseitigen Nullstelle (RHZ), die für einen Hochsetzsteller in CCM typisch ist. Hier gilt es zu beachten, dass ein System dieses Typs von Natur aus instabil ist und eine Verringerung der Bandbreite im Fehlerverstärker erfordert.
  • Die Rückkopplungsmessung Gm(s) wurde mit Hilfe der MATLAB System Identification Toolbox auf Basis des Frequenzgangs des ADuM4195 modelliert, der als isolierter Folger arbeitet (Abbildung 8). Ein dominanter Pol um 200 kHz wurde bestätigt, so dass eine schnelle Reaktion gewährleistet ist, die oberhalb der Zielbandbreite des Regelsystems (etwa 10% der beobachtbaren Doppelfrequenz von 250 kHz) liegt.
Bild 8
Abbildung 8: Frequenzgang des AduM4195
© Analog Devices
  • Die Option, einen Pol in den digitalen Standardkompensator des Reglers einzufügen, wurde gewählt, um die Bandbreite des gesamten Regelsystems zu verringern, was bei dieser nicht minimalen phasenerhöhenden Auswirkung der Leistungsstufe erforderlich ist. Daher wurde der digitale Regler in Gleichung 1 verwendet (Konstanten wie im ADP1055-Handbuch definiert).

Um die Analyse im Laplace-Bereich zu halten, wurde ein zeitkontinuierliches Modell Gc(s) von Gc(z) gemäß der digitalen Regelungstechnik erstellt.8 So wurde zunächst eine Rechenverzögerung hinzugefügt (× z-1), und die endgültige Darstellung in kontinuierlicher Zeit erreicht, indem

(a) die Tustin-Approximation (z = ((4fsw + s)/f 4sw-s))

und

(b) die Padé-Approximation zur Modellierung der diskreten PWM-Verzögerung (von Tsa/2=1/4fsw) eingesetzt wurden, so dass

  • schlussendlich die Open-Loop-Übertragungsfunktion Gol(s) = Gp(s) x Gm(s) x Gc(s) für den Entwurf einer stabilen Reaktion untersucht und dabei der MATLAB Control System Designer als regulärer zeitkontinuierlicher Regelkreis verwendet wurde.

Eine der wichtigsten Beobachtungen dabei ist, dass die Reaktion in RPT instabil wäre, wenn die gleichen Regelkonstanten wie für FPT verwendet würden. Daher ist ein angemessener Entwurf der endgültigen Werte der Konstanten in Gc(s) für einen zuverlässigen Betrieb essenziell. Nachdem durch den Entwurf eine stabile Open-Loop-Übertragungsfunktion erreicht wurde, wurde der Regler zurück in den digitalen Bereich transformiert. Abbildung 9 (links) zeigt den Frequenzgang des entworfenen digitalen Filters Gc(z), der mit der grafischen Benutzeroberfläche des ADP1055 leicht konfiguriert werden kann, siehe Abbildung 9 (rechts).

Bild 9
Abbildung 9: Auf dem ADP1055 konfigurierte digitale Filterreaktion
© Analog Devices

Die im vorigen Abschnitt untersuchten Funktionen zur Steigerung des Wirkungsgrads (PS-PWM mit adaptiven Totzeiten und aktiver Klemmung) wurden ebenfalls konfiguriert. Experimentell wurde festgestellt, dass es zur Erzielung einer korrekten ZVS bei den Aktiv-Passiv-Übergängen für RPT erforderlich war, die Totzeiten in der PWM-Sequenz zu ändern. Das heißt, das Einschalten der Sekundärschalter wurde so abgewandelt, dass sie vor jedem Übergang von aktiven zu passiven Intervallen erfolgen, um eine Stromumkehr zu ermöglichen.9

Die Anpassung an RPT wurde erfolgreich getestet, wobei 48 V in der Primärseite aus einem Eingang von 12 V in der Sekundärseite gewonnen wurden. Wie in Abbildung 10a dargestellt, wurde eine hervorragende Ausgangsspannungsregelung bei Last- und Eingangsspannungsänderungen von 0,1% bzw. 0,02% relativer Standardabweichung (Relative Standard Deviation, RSTDEV) erreicht (Abbildung 10a). Abbildungen 10b und 10c zeigen den Umwandlungswirkungsgrad bzw. die Sprungantwort auf eine 50%ige Laständerung. Die Wirkungsgrade im RPT-Modus sind ähnlich wie im FPT-Modus, wobei in beiden Fällen der Spitzenwert bei 94% im mittleren Leistungsbereich liegt. Die Parameter für die Sprungantwort (Überschwingen und Einschwingzeit) betragen 1% und 1,5 ms im RPT-Modus im Vergleich zu 2% und 800 μs im FPT-Modus. Es wird ein geringeres Überschwingen und eine etwas langsamere Einschwingzeit beobachtet, was zu einer stabilen Reaktion auf Transienten führt. Diese Ergebnisse bestätigen die Gültigkeit und den Erfolg des Entwurfsprozesses für die Anpassung des digitalen Reglers an die bidirektionale Leistungsübertragung.

Bild 10
Abbildung 10: Ergebnis: (a) Ausgangsspannungsregelung, (b) Wirkungsgrad und (c) 50% Lastsprungverhalten im RPT-Modus.
© Analog Devices

Fazit

Spezielle Digitalcontroller für die Leistungsumwandlung sind eine gute Alternative, um sichere und zuverlässige Anwendungen im Energiemarkt zu implementieren. Dies liegt daran, dass sie im Vergleich zu Mikrocontrollern eine einfachere FS-Zertifizierung unterstützen können, was die Zeit bis zum Umsatz von Entwürfen auf Systemebene reduziert. Da diese Bausteine typischerweise für die unidirektionale Energieübertragung ausgelegt sind, hat der Autor in diesem Beitrag ihre Anpassung an den bidirektionalen Betrieb untersucht. Theoretische Modelle, Simulationen und experimentelle Studien demonstrieren die Anwendung eines isolierten bidirektionalen DC/DC-Wandlers für batteriebasierte ESS. Die Ergebnisse bestätigen die Machbarkeit der Anwendung, wobei für beide Energieübertragungsrichtungen ähnliche Leistungen erzielt werden.

Autor:

Dr. Juan Carlos Rodríguez schloss 2009 sein Studium der Elektrotechnik an der Ecuadorian Army Polytechnic School (Quito, Ecuador) mit dem B.Sc. ab und erwarb 2011 bzw. 2017 den Master of Engineering und den Doktortitel an der RMIT University (Melbourne, Australien). Nach einer Postdoc-Stelle an der University of Limerick (Irland) kam er 2019 zu ADI, um sich mit isolierten Stromanwendungen und erneuerbaren Energien zu beschäftigen. Er hat in den Bereichen Industrieautomatisierung, Energy Harvesting für Smart-Grid- und IoT-Anwendungen und leistungselektronische Umwandlung für nachhaltige Elektrizität gearbeitet.

Referenzen:

1 Venkata Anand Prabhala, Bhanu Prashant Baddipadiga, Poria Fajri und Mehdi Ferdowsi. „An Overview of Direct Current Distribution System Architectures & Benefits.“ Energies, Bd. 11, Nr. 9, September 2018.

2 Gerard Reid und Javier Julve. „Second Life-Batterien als flexible Speicher für Erneuerbare Energien.“ Bundesverband Erneuerbare Energie e.V. (BEE), April 2016.

3 Hrishikesh Nene und Toshiyuki Zaitsu. „Bi-directional PSFB DC-DC Converter with Unique PWM Control.“ IEEE Applied Power Electronics Conference and Exposition (APEC), 2017.

4 Tom Meany. „The Ideal Power Supply Monitor for Functional Safety.“ EngineerZone, Juni 2020.

5 Yu Du, Srdjan Lukic, Boris Jacobson und Alex Huang. „Review of High Power Isolated Bidirectional DC-DC Converters for PHEV/EV DC Charging Infrastructure.“ IEEE Energy Conversion Congress and Exposition, 2011.

6 Subodh Madiwale. „Digital Control Enables High Reliability DC-to-DC Power Conversion with Active Snubbing.“ Analog Devices, September 2016.

7 Robert W. Erickson und Dragan Maksimović. Fundamentals of Power Electronics, 2. Aufl., Januar 2001.

8 Simone Buso und Paolo Mattavelli. Digital Control in Power Electronics, 2. Aufl. Morgan & Claypool Publishers, Mai 2015.

9 Guipeng Chen, Yan Deng, Hao Peng, Xiangning He und Yousheng Wang. „An Optimized Modulation Method for Full-Bridge/Push-Pull Bi-Directional DC-DC Converter with Wide-Range ZVS and Reduced Spike Voltage.“ ECON 2014 – 40th Annual Conference of the IEEE Industrial Electronics Society, 2014.


Lesen Sie mehr zum Thema


Das könnte Sie auch interessieren