Smarte Drinks

Cocktail-Booster mit Qualcomms Snapdragon

11. Februar 2019, 12:45 Uhr | Charalampos Tzintziras und Frank Riemenschneider
© Gastromatix

Gastromatix ist ein Unternehmen, das sich auf die Entwicklung automatisierter Lösungen für die Gastronomie spezialisiert. Der Cocktail-Booster ist ein Getränkeautomat mit integrierter End-to-End-Platform, die Point-of-Sale-, Reporting- und Remote-Management-Funktionen zur Verfügung stellt.

Diesen Artikel anhören

Gute Cocktails zu mixen, ist für jeden Barkeeper eine Herausforderung. Mit dem sogenannten »Cocktail Booster« hat die Firma Gastromatix einen Getränkeautomaten auf Basis eines SOMs des Typs Myon I des Embedded-Spezialisten Keith & Koep in Wuppertal entwickelt, der den Wettbewerb mit seinen menschlichen Mixer-Kollegen nicht zu scheuen braucht. 

Mit dem Myon I CPU-Modul startete Keith & Koep eine SOM-Generation mit kompaktem Formfaktor und sehr geringem Energiebedarf, mit denen sehr kleine IoT oder Handheld-Geräte ausgerüstet werden können. Für das erste CPU-Modul dieser neuen SOM-Serie hat Keith & Koep den Snapdragon-Quad-Core-Prozessor 410E von Qualcomm ausgewählt, der auf der 64-Bit-arm-V8-A-Architektur mit Cortex-A53-Prozessor basiert.

Mit der Plattform des Snapdragon 410E ist Qualcomm erstmalig in den Embedded-Markt eingetreten. Qualcomm garantiert für diese Plattform eine erweiterte Verfügbarkeit von mindestens 10 Jahren (bis 2025), ab dem ersten kommerziellen Muster und erfüllt mit diesem ausreichend langen Produktzyklus ein wichtigstes Kriterium für den Embedded-Markt.

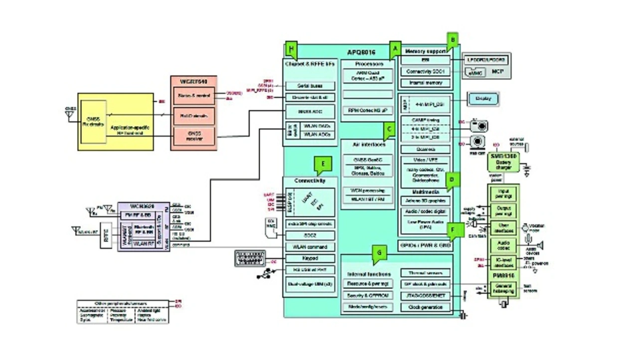
Der Snapdragon 410E basiert auf dem im Dezember 2013 für den Konsumermarkt vorgestellten SoC Snapdragon 410, das bis heute in 118 Smartphones unter anderem von Lenovo, Samsung und Asus verbaut wurde und wird in einem 28-nm-LP-CMOS-Prozess bei TSMC gefertigt. Das Blockdiagramm des Snapdragon 410E in Bild 1 zeigt, warum Keith & Koep das SoC als Basis seines SOMs gewählt hat: eine vergleichsweise hohe Rechenleistung, große Energieeffizienz, eine Vielzahl von Multimedia-Features sowie USB, WiFi, Bluetooth, GPS-Schnittstellen. Zur Verfügung stehen Windows-10-IoT-Core, Linux und Android-Betriebssysteme. Damit kann das Myon I SOM in einer Vielzahl von Anwendungsbereichen eingesetzt werden.

passend zum Thema

Keith & Koep GmbH
Bild 1: Blockschaltbild des embedded-SoCs Snapdragon-410E von Qualcomm.
© Qualcomm

In dem Prozessor-Cluster (A in Bild 1) des Snapdragon 410E finden sich vier jeweils mit 1,2 GHz getaktete Cortex-A53-CPUs von arm mit einem privaten 32 KB großen L1-Cache, einem geteilten 512 KB großen L2-Cache sowie einer MCU des Tpys arm-Cortex-M3, der die Stromversorgung des Modems steuert. Er koordiniert Shutdown/Wakeup, die Taktfrequenzen und die Versorgungsspannungen.

In Block B findet sich der Speicherteil, konkret die 32 bit breite EBI-Schnittstelle zu externem LPDDR2, LPDDR3 oder SDRAM-Speicher, die mit bis zu 533 MHz getaktet wird, was zu einem maximalen Durchsatz von 8,5 GB/s führt. Dazu gibt es via SDC1 eine Anbindung von eMMC-4.5-Karten oder SD-Flash-Devices.

Block C beinhaltet die Luftschnittstellen, über den Companion-Chip WCN3620 werden WLAN, Bluetooth und FM-Radio unterstützt. Eine Positionsbestimmung kann über GPS, BeiDou und Glonass (wahlweise auch Galileo) erfolgen.

Wie immer bei Qualcomm zeichnet sich auch der Snapdragon 410E durch eine überdurchschnittliche Multimedia-Ausstattung (Block D) aus. Die GPU Adreno-306 für 3D-Grafiken wird beim 410E nur 400 MHz getaktet (beim Konsumer-Chip 410 mit 450 MHz), was zu einer Pixelrate von 0,8 GPixel/s und einer Gleitkomma-Verarbeitungsleistung von 0,02 TFLOPS führt. Displays werden in HD-Auflösung (1280 × 720 Pixel bei 60 Frames/s) und mit 1, 18 oder 24 bit Farbtiefe unterstützt. Dazu stehen Kameraschnittstellen, Video Encoding/Decoding, Audiowiedergabe und Web-Unterstützung unter anderem durch eine optimierte JavaScript-Engine der Version 8 zur Verfügung.

Keith & Koep GmbH
Bild 2: Der Cocktail-Booster von Gastromatix.
© Gastromatix

Bei der Konnektivität (Block E) ist zu erwähnen, dass kapazitive Panel über I²C und SPI angebunden werden können, ebenso auch Sensoren unterschiedlichster Art. Daneben gibt es auch noch USB 2.0 in der High-Speed-Variante. Die 122 konfigurierbaren IOs (Block F) können als Eingang (Pull-Up, Pull-Down oder No-Pull) oder Ausgang (mit programmierbarem Treiberstrom) eingesetzt werden. Die Blöcke G (interne Funktionen wie PLLs, Takterzeugung, Debugging) und H (Schnittstellen zum HF-Frontend) vervollständigen den Snapdragon-410E.

i-PAN M7 CoverLens 

Das i-PAN M7 CoverLens ist ein komplett ausgestatteter arm-Touchpanel-Computer, bei dem das Myon I CPU-Modul eingesetzt wird.

Das Industrie-Panel verfügt über ein 7.0-Zoll-Multi-Touch-TFT-Display, welches für den professionellen Einsatz konzipiert ist und durch die hohe Helligkeit von 850 cd/qm sowie der Anti-Reflex-Oberfläche auch im Außenbereich bei Tageslicht eingesetzt werden kann. Die Auflösung beträgt 800 × 480 Pixel.

Als Schnittstellen stehen Ethernet, USB-2.0-Host, μUSB-2.0-OTG zur Verfügung. Zudem ist das Gerät mit einem μSD-Kartensockel, eine Echtzeituhr mit Backup-Batterie sowie einer Powerfail-Erkennung ausgestattet. Zusätzlich können über i-MOD-Erweiterungs-Platinen I²C, UART, Kamera und Batterieschnittstellen angeschlossen werden. Audioschnittstellen werden über Lötkontakte bereitgestellt. Die Spannungsversorgung kann über POE (Power Over Ethernet), 12/24 VDC oder eine Batterie erfolgen.

Durch die reichhaltige und praxisnahe Ausstattung kann das i-PAN M7 CoverLens für die verschiedensten Branchen eingesetzt werden, darunter Fertigung, Medizintechnik, Automobil, Luftfahrt, Einzelhandel und Gastronomie.

Keith & Koep GmbH
Bild 3. Anschlüsse der Komponenten für unterschiedliche Cocktails.
© Gastromatix

Diese Vorteile erkannte auch Gastromatix. Als erstes Projekt für die Einbindung des Touchpanels wählte Gastromatix den Cocktail-Booster aus. Dabei konnte das Touchpanel unverändert verwendet werden, da Gastromatix alle gewünschten Funktionen auf dem Gerät vorfand und auch der Einbau in das Cocktail-Booster-Gehäuse sehr einfach erfolgen konnte. Das sparte wertvolle Zeit und Kosten. Auch seitens des Betriebssystems gab es keinen großen Anpassungsprozess. Hier wählte Gastromatix Microsofts Windows-10-IoT-Core. Dabei ging es um die Zeit bis zur Markteinführung. Mit Windows-10-IoT-Core und Azure muss sich ein Entwickler nicht darum kümmern, Bibliotheken zusammenzustellen, Parameter zu definieren undsoweiter. Alles passt einfach zusammen und funktioniert ohne viel Klempnerarbeit.

Von Microsoft wird das i-PAN M7 CoverLens Starter-Kit als arm-Testplattform für das Betriebssystem Windows-10-IoT-Core verwendet. Insgesamt 100 Stück von diesem Starter-Kit sind seit Juli 2017 bei Microsoft im Einsatz. Neben Windows-10-IoT-Core stehen zusätzlich Linux- und Android-Betriebssysteme zur Verfügung.

Der Gastromatix Cocktail-Booster 

Gastromatix ist ein Unternehmen, das sich auf die Entwicklung automatisierter Lösungen für die Gastronomie spezialisiert. Mit dem Cocktail-Booster (Bilder 2 und 3) ist ein Getränkeautomat entwickelt worden, der bei Großveranstaltungen Cocktail-Services anbieten kann. Dabei sollte direkt eine End-to-End-Plattform integriert werden, die Point-of-Sale-, Reporting- und Remote-Management-Funktionen zur Verfügung stellt.

Darum war es Gastromatix wichtig, dass der Cocktail-Booster sich mit Cloud-Diensten verbinden kann. Die Windows Azure-IoT-Lösung hat sich hier als ideal erwiesen, da erweiterte Reporting- und Managementfunktionen einfach integriert werden können.

Azure-IoT ist eine Sammlung von Cloud-Diensten, die von Microsoft verwaltet werden und IoT-Ressourcen verbinden, überwachen und steuern. Vereinfacht ausgedrückt besteht eine IoT-Lösung aus einem oder mehreren IoT-Geräten und einem oder mehreren in der Cloud ausgeführten Back-End-Diensten, die miteinander kommunizieren.

Keith & Koep GmbH
Bild 4 Core-Subsysteme von Microsofts Azure-IoT-Plattform.
© Microsoft

Eine IoT-Lösung umfasst folgende Hauptkomponenten: Geräte, Back-End-Dienste und die Kommunikation zwischen diesen beiden Komponenten. Die IoT-Geräte-SDKs ermöglichen das Erstellen von Apps, die auf den Endgeräten ausgeführt werden, damit sie die erforderlichen Aufgaben ausführen können. Mit den SDKs können Telemetriedaten an einen IoT-Hub gesendet, Nachrichten und Updates vom IoT-Hub empfangen werden undsoweiter. Bild 4 zeigt die Core-Dienste von Azure IoT.

Das Gerät kann in beide Richtungen mit Back-End-Diensten kommunizieren. Hier sind einige der Funktionen, die ein Back-End-Dienst bereitstellen kann: Bedarfsgesteuertes Empfangen von Telemetriedaten von Ihren Geräten und bestimmen, wie diese Daten verarbeitet und gespeichert werden sollen, Analysieren der Telemetriedaten entweder in Echtzeit oder später, um Erkenntnisse zu gewinnen, Senden von Befehlen aus der Cloud an ein bestimmtes Gerät, Bereitstellen von Geräten und Steuern, welche Geräte eine Verbindung mit Ihrer Infrastruktur herstellen können und Kontrollieren des Zustands der Geräte und Überwachung deren Aktivitäten. In Azure gibt es mehrere IoT-bezogene Dienste. Einige Dienste wie IoT-Central und die IoT-Solution-Accelerators bieten Vorlagen, mit denen eigene Lösungen erstellt werden können.

Keith & Koeps i-PAN-M7-Touchpanel dient gleichzeitig als Eingabe-Interface sowie als Rechnereinheit, in der alle Gerätefunktionen sowie die Cloud-Dienste gesteuert werden. Dabei ist anzumerken, dass das i-PAN-M7-CoverLens-Touchpanel natürlich auch ohne jede Cloud-Anbindung funktioniert.

Der Cocktail-Booster mit der Technologie von Keith & Koep reduziert nicht nur Arbeitskosten und Produktverschwendung sondern sorgt auch für einen hervorragenden Kundenservice. Die Cloud-Integration bietet noch mehr Effizienz durch Fernüberwachung, Bestandsverwaltung, Reporting und Abrechnung. Kunden können auch mehrere Benutzerkonten für jede Maschine einrichten. So können die Veranstalter die Geräte kaufen oder mieten und jedem einzelnen Benutzer eine eigene, sichere Kontrolle über seine Daten geben.

Die Cocktail-Booster haben bereits auf Musikfestivals, Messen und anderen Großveranstaltungen in Deutschland debütiert. Gastromatix erwartet auch dauerhafte Installationen in Restaurants, Hotels und Flughäfen. Das Besondere an der Lösung ist, dass den Kunden eine komplette Infrastruktur einschließlich der Geräte- und cloudbasierten Buchhaltungsdienste anbieten können, die sehr sicher und skalierbar ist.

Der Cocktail-Booster kann mit speziellen Getränkerezepten und Brandings angepasst werden. Gastromatix-Kunden können ihre eigenen Getränkerezepte erstellen oder aus vorgefertigten Menüs und Rezepten wählen. Nach der Auswahl der Cocktails ist der Mischprozess vollständig automatisiert und standardisiert. Es dauert etwa sechs Sekunden für jedes Getränk, und die Zutaten sind exakt portioniert, so dass jeder Cocktail so perfekt ist wie der letzte.

Für die Zukunft plant Gastromatix die Einrichtung eines Webportals zur Verwaltung der Cocktail-Booster-Flotten, damit unter anderem die Positionen der einzelnen Cocktail-Booster über GPS-Sensoren geortet werden können. Zudem sollen die geräte- und cloudbasierten Anwendungen für prädiktive Analysen genutzt werden, zum Beispiel zur Verbesserung der Maschinenwartung oder des Lieferservices. (fr)

Das Unternehmen Keith & Koep

Keith & Koep ist seit den frühen 1980er Jahren mit vielen RISC-Architekturen vertraut. Über viele Jahre entwickelte Keith & Koep Hochleistungs-Laserprinter-Rastercontroller, vielfältige Industriesteuerungen mit komplexer Sensorik, Kameratechnik unter Verwendung fast aller gängigen Echtzeitbetriebssysteme.

Zum Ende der 90er Jahre spezialisierte sich Keith & Koep auf Arm basierende Embedded-Computersysteme. Diese werden nun in den unterschiedlichsten professionellen Umfeldern verwendet. Das weltweit allererste SA1100 Computermodul unter dem Namen »Arnold« (starker Arm) wurde als Vorlage in richtungsweisenden Produkten, wie z. B. im ersten Linux/Java Smartphone (Ericsson) sowie dem weltweit erstem Webpad (SIMpad) benutzt. Im Jahre 2001, mit Erscheinen des SA1110 entstand die Idee, ein System on Module (SOM) zu erstellen, um Industriekunden teurere Entwicklungen zu ersparen und einfach auf bereits ausentwickelter Hochtechnologie aufsetzen zu können. Das erste SOM »Trizeps I« fand viele Industriekunden. Hausintern gut ausentwickelte BSPs ermöglichen Produktentwicklungszeiten von weniger als drei Monaten.

SOMs entwickelten sich nun schnell zum Main-Business. Es entstand nach und nach eine ganze Produktlinie. Das 2003 festgelegte Pinning wird noch bei heutigen Entwicklungen berücksichtigt. Seitdem können Kundenprodukte, die z. B. 2004 entwickelt wurden, ein Upgrade auf neue SOMs mit schnelleren CPUs bekommen. Kunden können zwischen CPUs verschiedener Hersteller wählen. Auf den aktuellen CPU Modulen finden sich Prozessoren von NXP und Qualcomm und Marvell. Als OS werden Microsoft Windows 10 IoT Core, Linux sowie Android unterstützt. Die von Keith & Koep entwickelten BSPs gestatten einfache und individuelle Integration von kundenspezifischen Treibern. Als Besonderheit bietet Keith & Koep als einer der weltweit wenigen Firmen Support bei der Software-Integration von Windows 10 loT Core an.


Lesen Sie mehr zum Thema


Jetzt kostenfreie Newsletter bestellen!