EMV-Simulation mit LTspice

Störaussendung und Störfestigkeit von DC/DC-Wandlerschaltungen

30. Januar 2023, 06:00 Uhr | Richard Anslow und Sylvain Le Bras, Harry Schubert
Close Up of a Computer Monitor Screen with Software Utility Tool with Digital Electronic Diagram of a Circuit Motherboard and 3D Model. Technological Research and Development Concept.
© Gorodenkoff – stock.adobe.com

Mit LTspice-Simulationsschaltungen und -Methoden lassen sich differenzielle Störungen und Gleichtakt-Störgrößen in Abwärtswandlern simulieren. Damit können zu hohe Resultate bei EMV-Labormessungen zuverlässig vorhergesagt werden – wie das Beispiel mit einem Demo-Board zeigt.

Diesen Artikel anhören

Fortsetzung des Artikels von Teil 1

LTspice-Testschaltung mit Werten aus Redexpert

LTspice-Testschaltung
Bild 3. LTspice-Testschaltung mit 4,7-µF-Ausgangskondensator und diskreten ESL- und ESR-Werten.
© Analog Devices

Die Welligkeit der Ausgangsspannung eines Abwärtswandlers ist eine Funktion der Kondensatorimpedanz und des Spulenstroms. Im Interesse einer präziseren Simulation kann Redexpert genutzt werden, um die ESR- und ESL-Werte eines 4,7-µF-Ausgangskondensators – in diesem Beispiel konkret der Kondensator Art.-Nr. 885012208040 von Würth – über die Frequenz zu extrahieren.

Tspice-Testschaltung mit Würth-Kondensator
Bild 4. Gleiche LTspice-Testschaltung wie in Bild 3, jedoch mit dem Würth-Kondensator, der die ESR- und ESL-Parameter bereits enthält.
© Analog Devices

Die ESL- und ESR-Werte werden anschließend in das Kondensatormodell von LTspice eingetragen, aber es zeigt sich schnell, dass der ESL-Wert in den Kondensatormodellen von LTspice oftmals weggelassen wird.

In den Bildern 3 und 4 sind zwei gleichwertige Schaltungen zu sehen – die eine (Bild 3) mit dem 4,7-µF-Ausgangskondensator und diskreten ESL- und ESR-Werten, die andere (Bild 4) dagegen mit dem Würth-Kondensator, in dem die ESR- und ESL-Parameter bereits enthalten sind.

Kapazität sowie die ESL- und ESR-Werte eines 4,7-µF-Kondensators.
Bild 5. Die Kapazität sowie die ESL- und ESR-Werte eines 4,7-µF-Kondensators.
© Analog Devices

Das Tool Redexpert zeigt für viele Bauteile den frequenzabhängigen Verlauf der Impedanz an, sodass wichtige parasitäre Effekte der einzelnen passiven Bauelemente ermittelt werden können. Diese Parasitics lassen sich anschließend in LTspice-Modellen verwenden, um so die Beiträge der einzelnen Bauelemente zur gesamten Ausgangsspannungs-Welligkeit aufzuschlüsseln.

FFT-Diagramm
Bild 6. Das FFT-Diagramm lässt den Beitrag der reinen Kapazität sowie der ESL- und ESR-Werte eines 4,7-µF-Kondensators zum Frequenzspektrum erkennen.
© Analog Devices

Wie bereits erwähnt, weist der LT8618 eine sehr geringe Ausgangswelligkeit von weniger als 10 mV USS auf. Werden allerdings die Auswirkungen der Lastkapazität und der ESL simuliert, ergibt sich eine Welligkeit von 44 mV USS. Tatsächlich trägt der ESL-Wert des Kondensators mit steigender Frequenz erheblich zum Störaufkommen bei, wie die Bilder 5 und 6 deutlich machen.

EMV-Beurteilung des Abwärtswandlereingangs mithilfe einer Netznachbildung

Um die EMV-Konformität im Zusammenhang mit leitungsgeführten Störgrößen zu bewerten, stützen sich die meisten Normen auf eine Netznachbildung – englisch als „Line Impedance Stabilization Network“ (LISN) oder „Artificial Mains Network“ (AMN) bezeichnet. Diese wird zwischen Stromversorgung und Prüfling (Device Under Test, DUT) platziert und besteht aus Tiefpass- und Hochpassfiltern. Die Tiefpassfilter lassen niedrige Frequenzen zwischen 0 und einigen hundert kHz an den Prüfling durch.

Einfügen der Netznachbildung
Bild 7. Zwischen Stromversorgung und Prüfling wird eine Netznachbildung eingefügt.
© Analog Devices

Die Hochpassfilter wiederum dienen dazu, die zum Prüfling hin- und zurückfließenden Störgrößen auf der Versorgungsleitung zu messen. Gemessen werden diese Spannungen an 50-Ω-Widerständen, wie in den Bildern 7 und 8 gezeigt [3].

In einem realen Labor erfolgt die Messung dieser Spannung mithilfe eines Messempfängers. LTspice eignet sich dafür, die Störspannungen abzutasten und sie über das Frequenzspektrum zum Erfassen der leitungsgeführten Störgrößen grafisch darzustellen.

Gleichtakt-Störgrößen
Bild 8. Darstellung der Gleichtakt-Störgrößen und der differenziellen Störgrößen in einer Netznachbildung [3].
© Analog Devices

Bei den leitungsgeführten Störgrößen kann zwischen Gleichtakt-Störgrößen (Common Mode, CM) und differenziellen Störgrößen (Differential Mode, DM) unterschieden werden. Diese Unterscheidung ist durchaus wichtig, da Entstörtechniken unter Umständen nur für eine der beiden Arten wirksam sind. Da die Spannungen U1 und U2 (siehe Bild 8) gleichzeitig ausgegeben werden, kann eine Netznachbildung zum Separieren von CM- und DM-Störgrößen bei der Prüfung auf leitungsgeführte Störgrößen verwendet werden [3].

Differenzielle Störgrößen werden zwischen Versorgung- und Rückleitung erzeugt, Gleichtakt-Störgrößen dagegen zwischen den Versorgungsleitungen und der Bezugsmasse, z.B. einem kupfernen Prüfkabel, über die Streukapazität CSTRAY in Bild 8. Tatsächlich bildet CSTRAY die Schaltgeräusche am Ausgang des Abwärtswandlers nach.

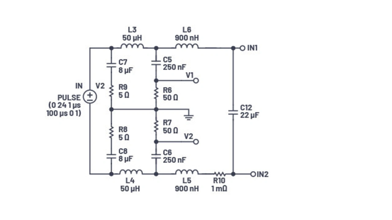
LTspice-Netznachbildung
Bild 9. LTspice-Netznachbildung, …
© Analog Devices

Die Bild 8 entsprechende LTspice-Netznachbildung ist in Bild 9 zu sehen. Im Interesse einer exakteren Simulation wird mit den Induktivitäten L5 und L6 die Induktivität der Verbindungsleitungen zwischen Netznachbildung und Prüfschaltung modelliert. Der Widerstand R10 bildet dagegen die Impedanz der geschlitzten Massefläche der Prüfplatine nach. In Bild 10 zu sehen ist C10 zur Nachbildung von CSTRAY. C11 (Bild 10) schließlich steht für die parasitäre Kapazität zwischen Leiterplatte und Sensorgehäuse.

Abwärtwandlerschaltung
Bild 10. … Abwärtswandler LT8618 und Nachbildung der parasitären Elemente.
© Analog Devices

Beim Durchführen der Simulationen sollte LTspice so eingerichtet werden, dass sich die Netznachbildungsschaltung schneller stabilisiert, da falsch gewählte Startbedingungen zu langanhaltenden Oszillationen führen können. Dazu sollte bei „Start External DC Supply Voltages at Zero“ kein Haken gesetzt sein, und bei Bedarf kann eine Anfangsbedingung (Initial Condition) für die Spannung und den Strom von Schaltungselementen spezifiziert werden.

FFT-Diagramm
Bild 11. FFT-Diagramm aus LTspice für differenzielle Störgrößen (schwarz) und Gleichtakt-Störgrößen (blau).
© Analog Devices

Bild 11 gibt die CM- und DM-Störgrößen in einem LTspice-FFT-Diagramm wieder, das an den Anschlüssen U1 und U2 der Netznachbildung aufgenommen wurde. Zum Reproduzieren der in Bild 8 angegebenen mathematischen Operationen werden U1 und U2 für die DM-Störgrößen subtrahiert und mit 0,5 multipliziert, wogegen für die CM-Störgrößen U1 und U2 addiert werden, um das Resultat anschließend mit 0,5 zu multiplizieren.

Leitungsgeführte Störaussendungen werden im Labor üblicherweise in dBµV gemessen, LTspice dagegen arbeitet standardmäßig mit dbV. Die Beziehung zwischen beiden lautet wie folgt: 1 dbV = 120 dBµV.

Der Ausdruck von LTspice für DM-Störgrößen in dBµV lautet demnach:

UDMdBμV=UU1,U2×0,5×1.000.000     (1)

Der Ausdruck für CM-Störgrößen lautet dagegen:

UCMdBμV=UU1+UU2×0,5×1.000.000     (2)
FFT-Diagramm
Bild 12. FFT-Diagramm aus LTspice mit der Grenzlinie für leitungsgeführte Störgrößen gemäß EN 55022.
© Analog Devices

In Bild 12 sind die Grenzlinie für leitungsgeführte Störgrößen sowie die von der Abwärtswandler-Schaltung ausgehenden leitungsgeführten Störaussendungen (CM und DM) dargestellt. Die Schaltung überschreitet die vorgeschriebenen Grenzwerte im Bereich von 2,3 MHz bis 30 MHz.

Hinzufügen der Grenzwerte für leitungsgeführte Störaussendungen

Syntax
Bild 13. Erzeugung der korrekten Syntax zum Kopieren und Einfügen in die Plot-Settings-Datei.
© Analog Devices

Die FFT-Darstellungsparameter in LTspice lassen sich mithilfe der Plot-Settings-Datei bearbeiten. Im FFT-Menü von LTspice wird anschließend der Menüpunkt „Save Plot Settings” ausgewählt und auf „Save” gedrückt. Die Plot-Settings-Datei kann mit einem Texteditor geöffnet und manipuliert werden, um die Grenzwerte gemäß EN 55022, den relevanten Frequenzbereich (10 kHz bis 30 MHz) und den gewünschten Amplitudenbereich (0 dBµV bis 120 dBµV) hinzuzufügen.

Definition für die Pass/Fail-Linie
Bild 14. Hinzufügen der Definition für die Pass/Fail-Linie für leitungsgeführte Störaussendungen sowie der Frequenz- und Amplituden-Skalen.
© Analog Devices

Die Frequenz- und Amplituden-Grenzen für leitungsgeführte Störaussendungen gemäß EN 55022 lassen sich mit Excel bearbeiten, um die korrekte Syntax einzuhalten, und anschließend in die Plot-Settings-Datei einfügen (siehe Bild 13). Die Liniendefinition lässt sich, wie in Bild 14 gezeigt, in die Diagramm-Einstellungen einfügen. In Bild 14 sind auch die Parameter für die x-Achse (Frequenz) und die y-Achse (Amplitude) zu sehen.


  1. Störaussendung und Störfestigkeit von DC/DC-Wandlerschaltungen
  2. LTspice-Testschaltung mit Werten aus Redexpert
  3. Korrektur des EMI-Verhaltens des Abwärtswandlers
  4. Vergleich realer Labormessungen mit den Simulationsergebnissen
  5. Literatur


Lesen Sie mehr zum Thema


Das könnte Sie auch interessieren