USB-Stecker und EMV

Filtern und schützen des USB 3.1

6. April 2020, 15:52 Uhr | Von Robert Schillinger, Field Application Engineer, und Dr. Richard Blakey, Application Engineer, beide bei Würth Elektronik eiSos
Würth Elektronik eiSos
Bild 1: USB-C-Dongle zur Demonstration der Filterung und des Schutzes von USB 3.1
© Würth Elektronik eiSos

Bei USB-3.1-Anwendungen müssen unerwünschte Signale gedämpft werden; gleichzeitig sind hohe Geschwindigkeit und Integrität des Datentransfers wichtige Eigenschaften des USB 3.1. Das birgt Herausforderungen für die EMI-Kompatibilität.

Diesen Artikel anhören

Kommerzielle und industrielle USB-Anwendungen haben die Entwicklung des Standards beschleunigt. USB 3.1 erhöht die Datenübertragungsgeschwindigkeit auf bis zu 5 Gbit/s (Gen. 1) bzw. 10 Gbit/s (Gen. 2). Diese Erhöhung bedeutet Auswirkungen auf die Übertragungscharakteristik der Leitungen. Die USB-Schnittstelle ist eine bidirektionale, symmetrische Schnittstelle. Sowohl Gegentakt- als auch Gleichtaktstörspannungen können den USB-Übertragungsweg beeinflussen: VDM-Störspannung (Voltage Differential Mode) zwischen den Signalleitungen und VCM-Störspannung (Voltage Common Mode) zwischen dem Spannungsmittelpunkt und der Referenzspannung (Masse, Kabelschirm) sind beide messbar. Dies kann eine Störung von der Schnittstelle selbst oder eine elektromagnetische Wirkung von der Umgebung in Form einer induktiven, kapazitiven oder Wellenkopplung sein.

Im Fall der USB-Übertragung wird die Gegentaktinterferenz hauptsächlich durch nichtlineare Signaloberwellen aufgrund von Impedanzfehlanpassungen und unzureichendem Schaltungsdesign erzeugt. Asymmetrie des Übertragungspfades (z.B. Sender, Leiterbahnen, Filter oder Kabel) kann zu Störausstrahlung und Beeinträchtigung der Signalqualität führen.

Gleichtaktstörung entsteht durch parasitäre Kopplung in der Schaltungsumgebung des USB-Controllers. Dies liegt in der Regel an der kapazitiven Kopplung des USB-Signals mit steigender Störfrequenz und zunehmender Amplitude. Diese Interferenzarten sind jedoch auf beiden USB-Leitungen in Phase und mit gleicher Amplitude vorhanden und daher wird die Auswirkung auf das Nutzsignal verringert. Asymmetrien im Kabel oder am Empfänger wandeln jedoch häufig den ursprünglichen Gleichtakt in ein Gegentaktstörsignal um, das dann zur Signalbeeinträchtigung beitragen kann.

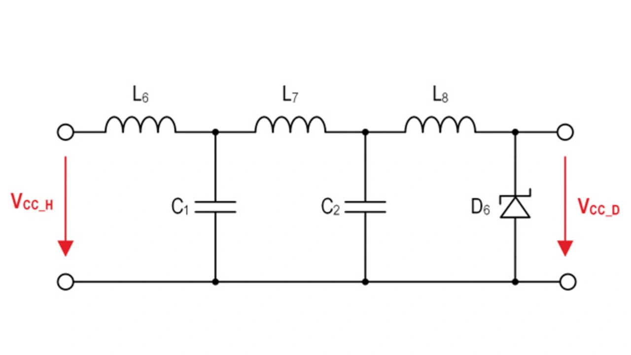
Würth Elektronik eiSos
Bild 2: Filteraufbau und TVS-Diodentopologie für 60 W Leistung
© Würth Elektronik eiSos

Eine wichtige Anforderung ist, dass der USB kleiner, dünner und leichter wird. Der USB-Typ-C-Stecker wurde parallel zum USB-3.1-Standard (SuperSpeed+, USB 3.1 Gen 2) entwickelt und ging in den aktualisierten Standard von USB 3.0 ein (jetzt USB 3.1 Gen 1). Der Anschluss umfasst jetzt 24 Pins: die vier Power/Ground-Paare, zwei Differenzialpaare (nicht SuperSpeed+) und vier SuperSpeed+-Paare (zwei für USB 3.1). USB Typ C unterstützt Datenraten von bis zu 10 Gbit/s durch die Verwendung der zwei zusätzlichen Leitungspaare und kann mindestens 3 A tragen, maximal bis zu 5 A. Um die Signalintegrität bei diesen Geschwindigkeiten aufrechtzuerhalten, muss die Kapazität von ESD-Bauteilen noch niedriger sein als die für USB 2.0, während Gleichtaktdrosseln ebenfalls bei höheren Frequenzen eine Impedanz gegenüber Gleichtaktrauschen darstellen müssen.

Filteraufbau
für 60-W-Anwendungen

Im Folgenden wird eine 60-W-Filtervariante auf Basis eines Dongles (Bild 1) betrachtet; dieser Dongle sollte für die meisten Anwendungen und Kabelverbindungen geeignet sein. Als Filtertopologie wurde ein π-Filter gewählt, da es eine hohe Einfügungsdämpfung aufweist, da sowohl die Quelle als auch die Senke in der Stromversorgung eine niedrige Impedanz aufweisen. Dies führt zu einer optimalen Fehlanpassung und daher zu einer maximalen Unterdrückung. Um hochfrequente Einkopplung von Rauschen auf die Stromleitung zu dämpfen, kann ein Tiefpassfilter mit einer Grenzfrequenz von ungefähr 1/10 der Datenrate (5 bzw. 10 Gbit/s) verwendet werden.

Anbieter zum Thema

zu Matchmaker+

  1. Filtern und schützen des USB 3.1
  2. Filterung der SuperSpeed+-Kanäle


Lesen Sie mehr zum Thema


Das könnte Sie auch interessieren