Würth Elektronik eiSos

Verluste minimieren

11. Oktober 2021, 10:24 Uhr | Von Alexander Gerfer, Ranjith Bramanpalli und Jochen Baier, Würth Elektronik eiSos
Würth Elektronik eiSos
© Würth Elektronik eiSos

Maximale Leistung auf kleinstem Raum ist das Kennzeichen der WE-MAPI-Speicherinduktivitäten der Würth Elektronik eiSos. Für energieeffiziente Schaltregler lassen sich die Bauteile am einfachsten mit dem Online-Designwerkzeug RedExpert mit seinem weltweit genauesten AC-Verlustmodell auswählen.

Diesen Artikel anhören

Fortsetzung des Artikels von Teil 1

Das Würth-Elektronik-Modell

Das Würth-Elektronik-Modell

Würth Elektronik eiSos hat ein hochmodernes Modell entwickelt, um die kompletten AC-Verluste in Induktivitäten präzise ermitteln zu können. Dieses Modell basiert auf den empirischen Daten, die mit einem Echtzeitanwendungsaufbau gewonnen werden. Hierbei werden die Gesamtverluste der Induktivität in Wechselstrom- und Gleichstromverluste unterteilt.

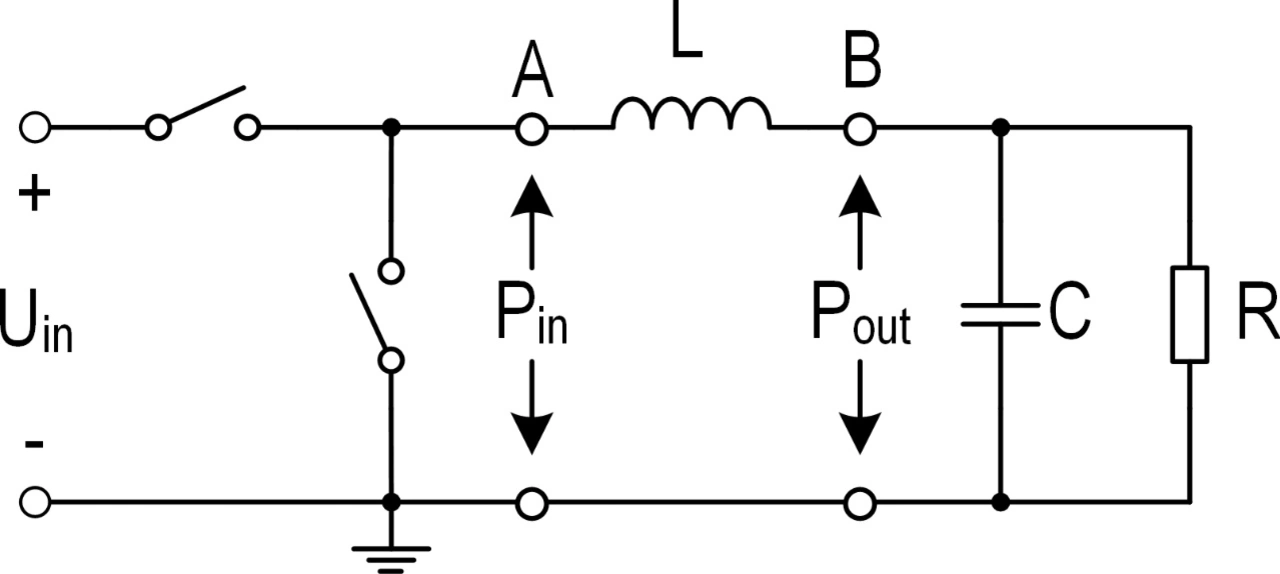
Empirische Daten werden mit einem DC/DC-Wandler erfasst, wie er in der nachfolgenden Abbildung dargestellt. An die Induktivität wird eine pulsierende Spannung angelegt, wobei die Eingangsleistung Pin und die Ausgangsleistung Pout gemessen werden. Auf dieser Basis wird Ploss = Pin – Pout ermittelt und die Wechselstromverluste der Spule PAC werden separiert. Dieser Vorgang wird für unterschiedlichste Parametereinstellungen – beispielsweise Schwankungen der magnetischen Aussteuerung, Schaltfrequenz, Ripple-Strom – gemessen, und die empirischen Daten werden aufgezeichnet. Mithilfe dieser empirischen Daten wird das Modell zur Berechnung der AC-Verluste erstellt:

PAC = f(∆I,freq,DC,k1,k2)

Würth Elektronik eiSos
Bild 3: AC- und DC-Verluste einer 2,2-µH-Spule, Tiefsetzsteller mit 24 V zu 12 V, 2 A, 500 kHz
© Würth Elektronik eiSos

Leistungsfähigkeit des Würth-Elektronik-Modells

Würth Elektronik hat das im eigenen Haus entwickelte Modell ausgiebig validiert und mit bestehenden Modellen und gemessenen Daten verglichen. Wechselstromverluste für verschiedene Materialien wie WE-Superflux, Eisenpulver, NiZn, MnZn wurden über große Tastverhältnis- und Frequenzbereiche gemessen und mit theoretischen Modellen verglichen, wie Bild 5 zeigt. In den Diagrammen sind die mit der Steinmetz-Leistungsgleichung (Pst), der modifizierten Steinmetz-Gleichung (Pmse) und der generalisierten Steinmetz-Gleichung (Pgse) ermittelten Kernverluste dargestellt. „RedExpert“ ist der Wechselstromverlust nach Berechnung mit dem AC-Verlustmodell von Würth Elektronik. „Real“ ist der gemessene AC-Verlust.

Würth Elektronik eiSos
Bild 4a: Aufbau des DC/DC-Wandlers zur Verlustermittlung
© Würth Elektronik eiSos
Würth Elektronik eiSos
Bild 4b: Zugehörige Oszilloskop-Aufnahmen
© Würth Elektronik eiSos

Verluste mit RedExpert ermitteln

RedExpert ist das Online-Designwerkzeug von Würth Elektronik eiSos, mit dem unkompliziert eine für die jeweilige Anwendung geeignete Speicherdrossel ausgewählt werden kann. Es ist ein einfach zu bedienendes und effektives Tool, um in kürzester Zeit Bauteile vergleichen und auswählen zu können.

Zunächst gibt der Benutzer die Eingangs- und Ausgangsparameter der gewünschten Topologie ein. Dann berechnet das Tool den benötigten Induktivitätswert und zeigt die passenden Induktivitäten an. Bild 6 zeigt eine Bildschirmaufnahme von RedExpert.
Die Berechnung der AC-Verluste in einem magnetischen Bauteil ist ebenso kritisch wie komplex, doch da in RedExpert das AC-Verlustmodell von Würth Elektronik integriert ist, gestaltet sich die Aufgabe einfacher. Aufgrund der genauen Berechnung der kompletten AC-Verluste eignet sich die Anwendung auch zur Temperaturabschätzung.

Würth Elektronik eiSos
Bild 5a: Induktivität aus MnZn bei 33 Prozent DC
© Würth Elektronik eiSos
Würth Elektronik eiSos
Bild 5b: Induktivität aus Eisenpulver bei 33 Prozent DC
© Würth Elektronik eiSos

Derzeit unterstützt das Tool drei Topologien, bei denen das Bauteil für die Anwendung ausgewählt werden kann: Aufwärts-, Abwärts- und SEPIC-Wandler. Dabei werden die Verluste graphisch über den kompletten Eingangsspannungsbereich dargestellt, um auch die Extremszenarien zu betrachten. So lässt sich im Handumdrehen bequem für die jeweilige Anwendung die energieeffizienteste Speicherdrossel ausgewählen.
Um die richtige Induktivität für einen Tiefsetzsteller zu ermitteln, gibt man in der Eingabemaske (Bild 7) den vorhandenen Eingangsspannungsbereich sowie Ausgangsspannung und -strom ein, dazu noch die Schaltfrequenz, die Diodenflussspannung und den angestrebten Ripple-Strom der Induktivität. Mit einem Klick auf „Details anzeigen“ erhält man die passenden Speicherinduktivitäten sowie deren erwartete Ripple-Ströme und die Verluste in der Applikation.

Würth Elektronik eiSos
Bild 6: Simulation eines Tiefsetzstellers in RedExpert mit der WE-MAPI
© Würth Elektronik eiSos

Zusätzlich gibt es einen manuellen Verlustrechner, welcher unabhängig von der Topologie die Verluste für Speicherdrosseln berechnet. Hierzu sind lediglich die Frequenz, das Tastverhältnis sowie der Ripple-Strom oder der Spannungsabfall einzugeben, und das Tool erledigt den Rest. Besonders praktisch ist, dass unterhalb der Eingabemaske die entsprechenden Eingaben sofort graphisch dargestellt werden.

RedExpert ist ein webbasiertes Tool, das heißt, der Benutzer muss es weder herunterladen noch sich um die Aktualisierung kümmern. Registrierte Kunden kommen in den Genuss weiterer Vorteile, wie etwa die Ermittlung des Induktivitätswertes oder der Temperaturerhöhung der Induktivität bei jedem beliebigen Stromwert.

Würth Elektronik eiSos
Bild 7a: Definition des Tiefsetzstellers und ...
© Würth Elektronik eiSos
Würth Elektronik eiSos
Bild 7b: ... die Verluste der gewählten Induktivität
© Würth Elektronik eiSos

  1. Verluste minimieren
  2. Das Würth-Elektronik-Modell


Lesen Sie mehr zum Thema


Das könnte Sie auch interessieren

Hohe Anforderungen moderne Industrieanlagen an die Zuverlässigkeit und Störsicherheit . Einzelne Bestandteile der Anlagen versorgen DC-Bussystemen. Wie eine störungsarme bipolare Versorgung im Niederspannungsbereich realisieren lässt?

Störungsfreie bipolare Spannung

Spannungsversorgung mit isolierten MicroModulen

Tomas Ragina/AdobeStock_472968291

Mehr Statements zur Forums-Diskussion

Auswirkungen des Ukrainekrieges

Markt&Technik

7. Anwenderforum »Passive für Profis«

Know-how-Transfer jenseits der Datenblätter

Madiberk_Taavi

Skeleton Technologies

»Unser Marktpotenzial ist extrem hoch«

WDI/Vishay

Die Wahrheit liegt zwischen den Zeilen

Datenblätter von Widerständen richtig lesen

WIMA

WIMA

DC-Link-Kondensatoren für SiC-Leistungshalbleiter

sewcream/stock.adobe.com

Passive Bauelemente

Expertenrunde erwartet starke Preiserhöhungen

AdobeStock

Lieferengpässen vs Umsatzrekorde

Warten auf die Halbleiter

Vishay Dale

Widerstandstemperaturkoeffizient

Temperatur und Konstruktion beeinflussen Widerstandsstabilität

Romolo Tavani/stock.adobe.com

Passive Bauelemente

»2022 wird zum Tanz auf dem Vulkan Teil 2«

Würth Elektronik

Magnetics on Silicon

»Wir müssen die ­Panik aus dem Geschäft ­rausbekommen«

MEMS-Oszillator-Familie für Kfz

Trotz der Allokation

Es gibt auch Lichtblicke

Gerfer_Alexander

Würth Elektronik eiSos

»Wir müssen die Panik aus dem Geschäft rausbekommen«

TDK, Vissing

TDK Europe unter neuer Führung

Josef Vissing folgt Ludger Trockel nach

Werner Lohwasser, TDK Electronics

Video-Interview mit Dr. Werner Lohwasser

Miniaturisierung und Integration bei passiven Bauelementen

WEKA Fachmedien, Alexander Gerfer, Würth Elektronik eiSos

Video-Interview mit Alexander Gerfer

Geschäftsentwicklung bei Würth Elektronik eiSos

Taiyo Yuden, Harald Sauer

Exklusiv-Interview mit Harald Sauer

Taiyo Yuden investiert in Fertigungskapazitäten

Werner Lohwasser, TDK Electronics

Video-Interview mit Dr. Werner Lohwasser

Die Zukunft der passiven Bauelemente

WEKA Fachmedien, Alexander Gerfer, Würth Elektronik eiSos

Video-Interview mit Alexander Gerfer

Herausforderungen in der Lieferkette

WEKA Fachmedien, Alexander Gerfer, Würth Elektronik eiSos

Video-Interview mit Alexander Gerfer

Zukunft bei den Induktivitäten

WEKA Fachmedien, Alexander Gerfer, Würth Elektronik eiSos

Interview mit Alexander Gerfer

»Welcome to the Jungle«

Ridvan / peterschreiber.media.

Viele Werkschließungen in Südostasien

Weiteres Risiko für Elektronikfertigung?

Continental

Passive Bauelemente

Lieferzeiten steigen durch die Bank auf Rekordniveaus

Bertold Werkmann/stock.adobe.com

Engpässe bei der Container-Schifffahrt

»In dringenden Fällen auf Luftfracht umstellen!«

Murata

Wegen Covid-19-Ausbruch

Murata schließt wichtiges MLCC-Werk vorübergehend

.

Lieferengpässe bei MLCCs

Corona-Maßnahmen könnten Murata und Samsung treffen

Seventyfour/stock.adobe

Interview mit Jens Niels Haake, Kohsel

»Maßanzüge sitzen einfach besser als Konfektionsware«

Die TDK Corporation hat MLCCs mit Soft-Terminierung und geringem ESR entwickelt. Eine Schicht aus leitfähigem Kunstharz auf den Anschluss-Elektroden sorgt bei der neuen CN-Serie für eine hohe mechanische Robustheit zum Schutz vor Leiterplattenverwind

Liefersituation bei Passiven angespannt

„Bestellungen für das 2. Quartal 2022 sind ein Muss“

Susumu, Naochika Okamoto

Neuer Präsident und CEO bei Susumu

Naochika Okamoto folgt Yuzu Kamimura nach

Induktive Bauelemente

Yageo übernimmt Chilisin Electronics

Taiyo Yuden

Keramikkondensatoren / MLCCs

Taiyo Yuden baut neues Produktionsgebäude für Bariumtitanat

Schmuckbild, das eine Umsatzsteigerung zeigt

Yageo, Chilisin und Holy Stone

Stetige Nachfrage befeuert Umsatz

.

Covid-19: Lockdown in Malaysia

Halbleiter nicht betroffen, passive Komponenten schon

Murata, 3D Silicon Capacitors

Erklärvideo von Murata

So funktionieren 3D-Siliziumkondensatoren

IQD

Spannungsvariable Oszillatoren

Den Takt halten

Das 4. Anwenderforum Passive Bauelemente findet vom 2. bis 3. Juli 2019 im Hyperion Hotel München statt.

Anwenderforum »Passive für Profis«

Keynotes beleuchten kritische Beschaffungssituation

Yageo

Kemets Integration in die Yageo-Gruppe

»Aus zwei Teams wird eine Mannschaft«

Vishay Intertechnology

Markt für passive Bauelemente 2021

Es wird spürbar enger

Madiberk_Taavi

Skeleton Technologies

EU fördert Produktionsausbau mit 51 Millionen Euro

Premo

Premo und Kaga Fei Europe kooperieren

Erfolgreicher Start im Corona-Jahr 2020