Mit PTC-Widerständen hohe Temperaturen erkennen

8. Mai 2009, 13:36 Uhr | Munenori Hikita

Die wachsende Popularität dezentraler Stromversorgungsarchitekturen auf der Basis mehrerer Point-of-Load-Wandler bringt es mit sich, dass auch die Zahl der Punkte steigt, an denen die Temperatur zu hoch werden kann. Mithilfe von PTC-Widerständen lassen sich Überhitzungen ebenso einfach wie flexibel erkennen.

Diesen Artikel anhören

Die wachsende Popularität dezentraler Stromversorgungsarchitekturen auf der Basis mehrerer Point-of-Load-Wandler bringt es mit sich, dass auch die Zahl der Punkte steigt, an denen die Temperatur zu hoch werden kann. Mithilfe von PTC-Widerständen lassen sich Überhitzungen ebenso einfach wie flexibel erkennen.

Stetig steigt der Integrationsgrad der ICs. Sie enthalten immer mehr Funktionen, und es wird ständig anspruchsvoller, solche Bausteine mit Strom zu versorgen. Benötigt werden niedrige Spannungen, hohe Ströme, eine umgehende Reaktion auf rasche Lastwechsel und ein hoher Wirkungsgrad, um die Leistungsaufnahme niedrig zu halten. So genannte Point-of-Load-Wandler (PoL) sind eine Möglichkeit, die Stromversorgung möglichst nah an den einzelnen Verbrauchern zu platzieren. In einigen modernen Laptops finden sich mehr als zehn solcher Wandler.

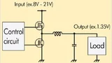
Obwohl der Wirkungsgrad der einzelnen PoL-Wandler sehr hoch ist, ist eine gewisse Erwärmung unvermeidlich, denn durch die verbauten MOSFETs fließen so hohe Ströme, dass trotz des niedrigen Einschaltwiderstands (RDS(on)) solcher Bausteine stets einige Joule in Form von Wärme abfallen. Leistungs-MOSFETs, die viel Wärme erzeugen, können als Bestandteil von PoL-Wandlern auf verschiedene Stellen der Leiterplatte verteilt sein. Verschärft wird das Problem durch die Tatsache, dass solche Leistungs-MOSFETs meist paarweise zum Einsatz kommen (Bild 1). Beim Einschalten des einen MOSFETs schaltet das Regler-IC den jeweils anderen aus. Sollte in diesem Funktionsabschnitt ein Fehler auftreten, kann es passieren, dass beide MOSFETs gleichzeitig einschalten, sodass infolge dieses Kurzschlusses sehr hohe Ströme fließen. Möglicherweise erwärmen sich beide Bausteine dabei über ihre zulässige Betriebstemperatur hinaus, nämlich je nach den individuellen Umständen auf Oberflächentemperaturen von +160 °C oder gar +200 °C.

Job_16_Murata_01_af.jpg
Bild 1: Beispiel einer PoL-Stromversorgung

  1. Mit PTC-Widerständen hohe Temperaturen erkennen
  2. Mit PTC-Widerständen hohe Temperaturen erkennen
  3. Munenori Hikita

Jetzt kostenfreie Newsletter bestellen!