Auswahl von induktiven Bauelementen für Entstör-Applikationen

Induktivitäten in der EMV

14. März 2008, 11:47 Uhr |
Diesen Artikel anhören

Fortsetzung des Artikels von Teil 1

Übertrager und Transformatoren

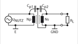
Grundsätzlich gelten die Kriterien für Spulen und Drosseln auch für Übertrager und Transformatoren. Beim Übertrager (im Folgenden auch Transformator) sind mindestens zwei Induktivitäten magnetisch eng gekoppelt (die wichtigsten Kenngrößen siehe Bild 7). Für „EMV-Belange“ müssen jedoch noch zusätzlich einige Parameter beachtet werden.

Übertrager werden oft benutzt, um galvanische Trennung zwischen zwei Schaltungseinheiten zu erreichen. Im Allgemeinen sollen nur die symmetrischen Signalkomponenten (Nutzsignal ohne symmetrische Störanteile) übertragen werden. Die asymmetrischen Signale sollen unterdrückt werden.

Auch hier spielen wie bei anderen induktiven Bauelementen zwei parasitäre Effekte eine große Rolle: die parasitäre Koppelkapazität und die Streuinduktivität. Die Gleichtaktunterdrückung asymmetrischer Signale eines Übertragers ist umso besser, je kleiner die Koppelkapazität zwischen Pimär- und Sekundärseite ist und je geringer die Streuinduktivität ist (d.h. je mehr des magnetischen Flusses im Eisen- oder Ferritkern bleibt). Die magnetischen Verluste werden beim Übertrager wie bei der Drossel über die komplexe Permeabilität beschrieben.

Die Streuverluste können durch saubere lagenweise Wicklung verringert werden. Bereits das Herausführen verschiedener sekundärer Wicklungsabzapfungen erhöht die Streuverluste. Natürlich ist auch die Wahl des Kernmaterials von entscheidender Bedeutung, für niederfrequenten Einsatz (bis einige kHz) eignet sich kornorientiertes (in Walzrichtung ausgewähltes und nachträglich wärmebehandeltes) Blech, für höherfrequenten Einsatz werden Eisenpulverkerne oder Nickel/Zink/Mangan-Eisen-Mischungen verwendet. Durch größere Wickelbreiten verringert sich die Streuinduktivität, die Koppelkapazität hängt von dem verwendeten Isolationsmaterial (εr) und dem ggf. verwendeten Isolierstoff beim Vakuumtränken ab.

Da die Kopplung nicht magnetischer, sondern elektrischer Art ist, kann die Koppelkapazität durch Einfügen eines geerdeten Schirms zwischen Primär- und Sekundärwicklung reduziert werden (Bild 8). Der Schirm muss aber am Signal-GND (sekundärseitig) angeschlossen werden, da sonst von der Primärseite mehr Störsignale eingekoppelt werden als ohne Schirm. Der Schirmanschluss muss – wie überall in der EMV – kurz und niederimpedant sein (unter 1 cm). Eine weitere Möglichkeit zur Reduzierung der Koppelkapazität ist die räumliche Trennung von Primär- und Sekundärwicklung.

8030307_tm_03.jpg
Bild 7. Kenngrößen eines Übertragers (Transformators).

Typische Koppelkapazitätswerte herkömmlicher Übertrager liegen um 200 pF bis 1 nF, die eines Störschutzübertragers unter 1 pF (!). Die Streuinduktivität und die Koppelkapazität bestimmen das Übertragungsverhalten – d.h. den Frequenzgang eines Übertragers. Zusammen bewirken sie eine Streuresonanz. Der zu übertragende Frequenzbereich muss deutlich unterhalb der Streuresonanz liegen. Über der Streuresonanzfrequenz verhält sich der Übertrager wie ein Tiefpass zweiter Ordnung, wobei sich die Resonanzfrequenz in Abhängigkeit der primär- und sekundärseitig angeschlossenen Impedanzen verschiebt. Deshalb werden hochfrequente asymmetrische Störungen von Übertragern nur unwesentlich bekämpft und müssen mit zusätzlichen schaltungstechnischen Maßnahmen (Filtern) gedämpft werden.

Auszug aus der Loseblattsammlung „Praxislösungen – Elektromagnetische Verträglichkeit“ von WEKA MEDIA/ha

Siehe auch:

Planare Induktivitäten

8030308_tm_02.jpg
Bild 8. Reduzierung der Wicklungskoppelkapazität durch Einfügen eines Schirms.

Speicherdrosseln werden auf dem Gebiet der Leistungselektronik eingesetzt, z.B. bei getakteten Netzteilen, Chopperverstärkern, Schrittmotortreibern oder – „etwas missbraucht“ – als DC-Versorgungstiefpass in Elektronikschaltungen, in denen es auf konsequente Entkopplung ankommt. Die Drosseln sind durch die Verwendung von großzügig dimensionierten Eisenpulverkernen als Energie-Zwischenspeicher geeignet. Speicherdrosseln sollten nur mit hochfrequentem Wechselstrom oder mit HF-moduliertem Gleichstrom bis ca. 10 MHz betrieben werden. Beim Einsatz von Drosseln sollte darauf geachtet werden, dass sie den Anforderungen nach EN 60938, der Norm über Anforderungen an Speicherdrosseln, entsprechen.

80303-80303-tabelle2_af_04.jpg
Tabelle 2. Wichtige Kenndaten von Speicherdrosseln

  1. Induktivitäten in der EMV
  2. Übertrager und Transformatoren
  3. Induktivitäten in der EMV
  4. Induktivitäten in der EMV

Jetzt kostenfreie Newsletter bestellen!