Kaltleiter als Strombegrenzer für LEDs

Hitzetod ausgeschlossen

23. Februar 2007, 12:18 Uhr |
Diesen Artikel anhören

Fortsetzung des Artikels von Teil 2

Verschiedene LED-Treiberschaltungen

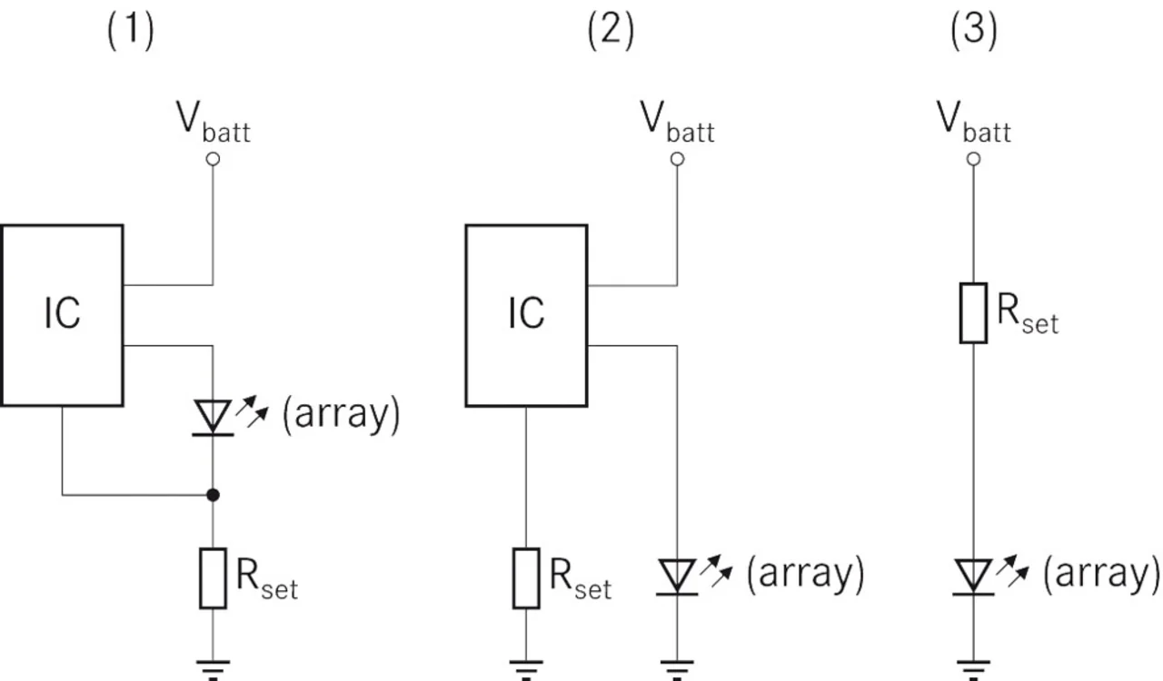
Die meisten Treibertopologien für Leuchtdioden haben folgende Gemeinsamkeit: Der Vorwärtsstrom durch die LED wird über einen Festwert-Widerstand eingestellt (Bild 2, Schaltung (3)). In der Regel hängt der durch die Leuchtdiode fließende Strom ILED von diesem Widerstand Rset entsprechend ILED ~ 1/Rout ab. Da sich der Wert des Widerstandes nicht mit der Temperatur verändert, bleibt auch der LED-Strom temperaturunabhängig.

Ein thermisches Management des LED-Stroms lässt sich erzielen, indem man den Festwiderstand durch eine Schaltung ersetzt, die selbst temperaturabhängig ist. Die folgenden Abbildungen sind Beispiele für die Verbesserung von Standardschaltungen mit einem PTC-Thermistor.

Bild 2, Schaltung (1) zeigt eine häufig eingesetzte Treibertopologie. Diese Konstantstromquelle enthält eine Rückkopplungsschleife. Der LED-Strom wird verändert, bis die IC-spezifische Rückkoppelspannung VFB über dem Messwiderstand am Feedbackpin des IC erreicht ist. Folglich stellt sich der LEDStrom auf ILED = VFB/Rout ein.

Bild_382916_03.jpg
Bild 2. Bei diesen Ansteuerschaltungen ist der Strom, der die LED durchfließt, unabhängig von der Temperatur; das erforderliche Derating bei hohen Temperaturen erfolgt daher nicht

Bild 3 zeigt eine Modifikation dieser Schaltung, die einen temperaturabhängigen LED-Strom durch einen PTCThermistor erzeugt. Die Anpassung dieser Schaltung an eine spezielle Kombination aus Treiber-IC und LED erfolgt durch die korrekte Auswahl von PTC-Thermistor, Rseries und Rparallel. Der LED-Strom berechnet sich nach Formel [1]. Bild 3 zeigt auch die resultierende Temperaturabhängigkeit des LED-Stroms. Im Vergleich zu einer Konstantstromquelle (Bild 1), die für eine maximale Betriebstemperatur von +60 °C dimensioniert ist, kann der LED-Strom zwischen 0 °C und +40 °C mit einem PTC-Thermistor um bis zu 40% erhöht und die Helligkeit der LEDs um etwa den gleichen Prozentsatz gesteigert werden. Bild 2, Schaltung (2) zeigt eine andere gängige Version der Konstantstromquelle: Der Strom wird von einem Widerstand bestimmt, der mit dem Treiber-IC verbunden ist. Allerdings ist in diesem Fall der Einstellwiderstand nicht mit den LEDs in Reihe geschaltet. Aus der IC-Spezifikation lässt sich das Verhältnis zwischen Rset und ILED entnehmen. So resultiert beispielsweise ein Reihenwiderstand von 20 kΩ beim Einsatz eines Treiber-IC des Typs »TLE4241G« von Infineon in einem LED-Strom von 30 mA.

Bild3_04.jpg
Bild 3. In dieser modifizierten Schaltung (links) liegt der PTC im Strompfad der LED; die tatsächliche Stromkurve (rechts) als Funktion der Temperatur entspricht der Spezifikation der LED (Rseries = 910 Ω, Rparallel = 18 Ω)

Bild 4 zeigt eine Modifikation der Standardschaltung, die wieder einen PTCThermistor enthält. Die hier eingesetzten PTC-Thermistoren der Baureihe B59601A (Gehäuse: EIA 0603) haben bei Raumtemperatur einen Widerstand R25 von 470 Ω. Bei der in Zehnerschritten frei wählbaren Sensing-Temperatur erreicht der Widerstand des Bauelements 4,7 kΩ mit einer Toleranz von ±5 K (Standardserie) beziehungsweise ±3 K (eng tolerierte Serie).

Bild 4 zeigt auch den resultierenden LED-Strom wieder als Funktion der Temperatur. Der eng tolerierte Festwiderstand Rseries dominiert bei niedrigen Temperaturen den Gesamtwiderstand. Erst ab etwa 15 K unterhalb der Sensing-Temperatur des PTC-Thermistors beginnt auf Grund des ansteigenden Widerstands des PTC-Thermistors die Absenkung des Stroms. Bei der Sensing-Temperatur (Gesamtwiderstand Rtotal = Rseries + RPTC = 19,5 kΩ + 4,7 kΩ = 24,2 kΩ) wird ein Strom von etwa 23 mA erreicht. Durch den steilen Anstieg des PTC-Widerstands bei noch höheren Temperaturen kommt es schnell zu einem Abschalten und damit zur Vermeidung des Hitzetods.

Bild4_03.jpg
Bild 4. Bei dieser Schaltung wird nicht im Strompfad gemessen (links), die Schaltungsauslegung ist einfacher als im Beispiel aus Bild 3. Die Kurve zeigt den LED-Strom in Abhängigkeit der Umgebungstemperatur (rechts).

<< vorherige Seite1 | 23 nächste Seite >>


  1. Hitzetod ausgeschlossen
  2. Temperaturabhängigkeit von LEDs
  3. Verschiedene LED-Treiberschaltungen

Jetzt kostenfreie Newsletter bestellen!