Hochspannung im Auto #####

7. September 2007, 15:42 Uhr | Alison Steer

Nachdem die Elektronik den Einzug ins Auto zunächst über die Komfortschiene geschafft hat, vollzieht sich nunmehr zunehmend auch ein Wandel der sicherheitsrelevanten Systeme von der Mechanik zur Elektronik. Ein Ausfall dieser Systeme durch Überspannungen im Bordnetz kann daher fatale Folgen nach sich ziehen. Der Überspannungsschutz LT4356 von Linear Technology hilft nicht nur bei Überspannungen, Stromspitzen und Verpolungen, sondern macht auch sperrige Filterteile überflüssig.

Diesen Artikel anhören

Nachdem die Elektronik den Einzug ins Auto zunächst über die Komfortschiene geschafft hat, vollzieht sich nunmehr zunehmend auch ein Wandel der sicherheitsrelevanten
Systeme von der Mechanik zur Elektronik. Ein Ausfall dieser Systeme durch Überspannungen im Bordnetz kann daher fatale Folgen nach sich ziehen. Der Überspannungsschutz LT4356 von Linear Technology hilft nicht nur bei Überspannungen, Stromspitzen und Verpolungen, sondern macht auch sperrige Filterteile überflüssig.

Bei Automobil- oder Industrieapplikationen hat man es häufig mit Spannungsspitzen zu tun, die von einigen Mikrosekunden bis zu mehreren hundert Millisekunden dauern können. Die Elektronik dieser Systeme muss die Spitzen überstehen, damit eine zuverlässige Funktion des Schaltkreises sichergestellt ist. Die kritischste Spannungsspitze in einem Automobil ist als „Lastabwurf“ bekannt und wird durch eine Unterbrechung des Batterieanschlusses verursacht, während die Lichtmaschine die Batterie lädt. Das kann aufgrund von Kabelbrüchen, korrodierten Anschlüssen oder einer versehentlichen Trennung des Anschlusses geschehen. Ein Lastabwurf verursacht für mehrere Millisekunden eine sehr hohe Überspannung. Die Amplitude hängt von der Drehzahl der Lichtmaschine und der Feldanregung im Augenblick der Trennung der Batterie ab und kann laut der Society of Automotive Engineers (SAE) bis zu 125 V hoch sein. Das typische Profil eines Lastabwurfs ist in Bild 1 zu sehen, mit einer Anstiegszeit von ungefähr 5 ms und einem exponentiellen Abfallen der Überspannung über mehrere hundert Millisekunden. Es können aber auch aufgrund einer Batteriestarthilfe oder eines defekten Reglers länger andauernde Überspannungen auftreten. Überspannungen treten auch bei Starthilfevorgängen auf, wenn z.B. eine 24-V-Batterie eingesetzt wird, um ein 12-V-System anzulassen. Im schlimmsten Fall kann die Überschreitung der Akku-Nennspannung bis zu fünf Minuten andauern.

Auch Lastsprünge aufgrund parasitärer Kabelinduktion können mikrosekundenlange Spannungsspitzen verursachen. Überspannungen können auch wiederkehrender Art sein, wenn sie zum Beispiel durch das Schalten von Relais und Magnetspulen verursacht werden. Rauschen vom Zündsystem und von verschiedenem Zubehör (elektrische Fensterheber, Türschlösser) tritt ebenfalls häufig auf. Solche Überspannungen breiten sich über das Kabelsystem des Fahrzeugs auf Grund von kapazitiver oder induktiver Kopplung in den Kabeln aus.

Da sich bei sicherheitskritischen Systemen in Fahrzeugen ein Wandel von der Mechanik hin zur Elektronik vollzieht, wird es immer wichtiger, diese Bauteile vor Überspannungen zu schützen und damit funktionsfähig zu halten. Heute befinden sich in Fahrzeugen mehr als 50 Mikrocontroller, die zahlreiche Funktionen von der Überwachung des Reifendrucks bis hin zur Betätigung der Fensterheber steuern. Hersteller komplexer Verbraucherelektronik wie beispielsweise Laptops, MP3-Spieler und GPS, die über den Zigarettenanzünder aufgeladen werden, müssen ebenfalls ihre Produkte vor Überspannungen und plötzlichen Spannungsspitzen schützen.

Bei den meisten Fahrzeugen wird eine zentral sitzende Schutzschaltung verwendet, die an der Lichtmaschine angeschlossen ist. Sie soll u.a. die Lastabwurf-Energie absorbieren. Ein weiterer Überspannungsschutz ist an jeder elektronischen Steuereinheit erforderlich, um lokal erzeugte Überspannungen abzufangen. Die gebräuchlichste Weise, Elektronik vor Spannungsspitzen zu schützen, ist eine Schaltung von Eisenkernwicklungen und hochwertigen Elektrolyt-Kondensatoren, die durch einen Überspannungsableiter und eine Sicherung ergänzt werden. Die sperrige Induktivität und der Kondensator verbrauchen kostbaren Platinenplatz und sind häufig die größten Bauteile.

7181001_tm.jpg
Bild 1. Der typische Verlauf eines Lastabwurfs erreicht Spannungsspitzen von 60 V.

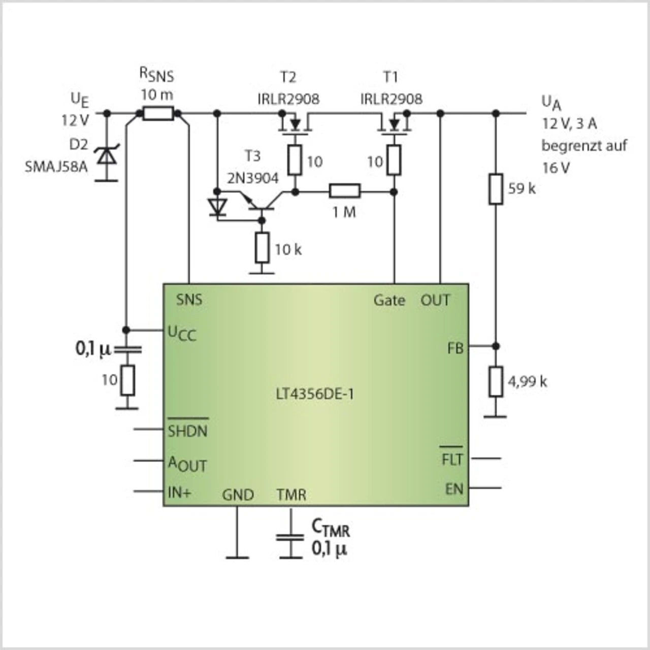
Bild 5 zeigt eine Verpolungsschutzschaltung mit einem zweiten MOSFET. Unter normalen Betriebsbedingungen mit einem positiven Eingangsstrom sind T2 wie auch T1 leitend. T3 sperrt und spielt keine Rolle. Wenn die Eingänge verpolt werden und eine negative Spannung am LT4356 anliegt, schaltet T3 durch und zieht das Gate von T2 auf das negative Eingangspotential hinunter, isoliert so T1 und schützt den nachgeschalteten Schaltkreis vor negativen Spannungen. Der LT4356 ist vor Spannungen bis zu
–30 V(DC) geschützt, wobei weder er selbst noch die Last beschädigt werden.

Ein Verpolungsschutz mit geringem Verlust ist auch mit einem P-Kanal-MOSFET möglich, doch wird der N-Kanal meistens vorgezogen, wenn die Gate-Steuerung durch den LT4356 bereitgestellt wird. Man braucht keinen Sperr-MOSFET T2 mit höheren Sperrspannungen als die vorhersehbare negative Eingangsspannung.

Der interne Verstärker kann einen externen PNP-Transistor treiben, um eine weitere Spannungsversorgung zur Verfügung zu stellen. Mit 2 mA, die der AOUT-Ausgang liefert, kann ein Linearregler zusätzlich 100 mA geregelten Ausgangsstrom liefern. Damit steht eine Versorgungsspannung zur Verfügung, mit der wichtige Systemfunktionen aufrechterhalten werden können. Bei Verwendung des LT4356-2 bleibt der Versorgungsstromregler aktiv, wenn sich der Chip im Shutdown-Modus befindet. Der Verstärker lässt sich auch als Eingangsspannungsüberwacher oder Komparator konfigurieren.

7181005_tm_02.jpg
Bild 5. Die Verpolungsschutzschaltung begrenzt die Ausgangsspannung auf 16 V und schützt den Lastkreis vor Beschädigungen durch eine falsch gepolte Ausgangsspannung.

  1. Hochspannung im Auto #####
  2. Überstrom- und Einschaltstromsteuerung
  3. Betrieb beim Kaltstart

Jetzt kostenfreie Newsletter bestellen!