Viele Schaltungen verwenden einen externen pnp-Transistor, um die Temperatur zu messen. Die präzise Temperaturmessung hängt dabei ab von der richtigen Auswahl des Transistortyps, vom Layout und der Konfiguration. Es genügt nicht, den Sensor einfach nahe an den jeweiligen Komponenten anzubringen.
Meist kommen externe bipolare pnp-Transistoren zur Temperaturmessung zum Einsatz. Dabei beschreibt Gleichung (1) die Beziehung zwischen Durchlassspannung, Strom und Temperatur.
(1) can not create the image. Check your file privileges." alt="«math xmlns=¨http://www.w3.org/1998/Math/MathML¨»«msub»«mi»I«/mi»«mi»C«/mi»«/msub»«mo»§nbsp;«/mo»«mo»=«/mo»«mo»§nbsp;«/mo»«msub»«mi»I«/mi»«mi»S«/mi»«/msub»«mo»§nbsp;«/mo»«mo»§#183;«/mo»«mo»§nbsp;«/mo»«mfenced»«mrow»«msup»«mi»e«/mi»«mrow»«mfrac»«msub»«mi»U«/mi»«mi»BE«/mi»«/msub»«mrow»«mi»n«/mi»«mo»§#183;«/mo»«msub»«mi»U«/mi»«mi»T«/mi»«/msub»«/mrow»«/mfrac»«mo»§nbsp;«/mo»«/mrow»«/msup»«mo»-«/mo»«mn»1«/mn»«/mrow»«/mfenced»«/math»" align="middle">
Dabei ist IC der Durchlassstrom, IS der Sperrsättigungsstrom (Reverse Saturation Current), UBE die Durchlassspannung, UT ist die Thermospannung und n der Idealitätsfaktor (siehe dazu weiter unten). UT wiederum ist k∙T/q, wobei k die Boltzmann-Konstante, T die absolute Temperatur (in Kelvin) und q die Elementarladung ist. Ist UBE sehr viel größer als UT, kann man die -1 in Gleichung (1) ignorieren, sodass sich die Durchlassspannung näherungsweise nach Gleichung (2) bestimmen lässt.
(2) 
Durch diesen Kunstgriff ist es nicht mehr notwendig, die Durchlassspannung zeitaufwendig iterativ zu bestimmen. Die Gleichung lässt sich dann nach der Temperatur umstellen (Gleichung (3)).
(3) 
Da n, k und IS konstant sind, besteht der einfachste Weg, die Temperatur zu messen, darin, den Strom und die gemessene Spannung heranzuziehen und daraus die Temperatur zu berechnen. Die Genauigkeit hängt aber von n und IS ab, dem Idealitätsfaktor und dem Sperrstrom. Diese Konstanten sind prozessabhängig und variieren von Los zu Los. Die Diodenspannung, umgeschrieben in das Deltaformat, ist in Gleichung (4) zu sehen.
(4) 
Für die Temperatur ergibt sich Gleichung (5), und mit der Differenz der Kollektorströme IC2 = N∙IC1 folgt daraus Gleichung (6).
(5) 
(6) 
Die Temperaturmessung ist dann nur noch vom Idealitätsfaktor n abhängig. Dieser Parameter (auch Qualitätsfaktor oder Emissionskoeffizient genannt) ist relativ stabil verglichen mit dem Sperrsättigungsstrom; er ist vom Herstellprozess abhängig und liegt zwischen 1 und 2. Konzeptionell ist die Deltamessung präziser als eine einfache Messung, da diese den Sättigungsstrom und alle anderen nicht-idealen Mechanismen eliminiert, die in den Gleichungen nicht abgebildet werden. In beiden Fällen hängt die Genauigkeit der Temperaturmessung von der Genauigkeit des Stromes ab, von der Genauigkeit der Spannungsmessung und von relativ rauschfreien Signalen.
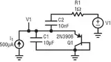
Ein typischer Dioden-Temperatursensor besteht aus dem 2N3906, einem Kondensator mit 10 µF, der Stromquelle und der Messspannung (Bild 1). Der Betriebspunkt bei einem Kollektorstrom IC von 500 µA ergibt eine DC-Impedanz von 1,27 kΩ. Die Kleinsignalimpedanz, ermittelt in »Spice«, beträgt 52 Ω bis 10 MHz.
Die durchgezogene blaue Linie in Bild 2 ist die Impedanz und die gestrichelte rote Linie deren Phase. Die Kleinsignalimpedanz berechnet sich nach Gleichung (7).
(7) 
Schnelle Takte und PWM-Signale können also Rauschen in die Messschaltung einkoppeln, wenn die Treiberimpedanz nahe 52 Ω ist.
Eine Simulation kapazitiv gekoppelter Quellen zeigt, dass die Filterkapazität sehr effektiv wirkt (Bild 3). Die Simulation verwendet ein 3,3-V-Signal mit 10-ps-Flanken, das in die pn-Sperrschicht über einen 10-nF-Kondensator (C2) eingekoppelt wird.
Selbst ein über 10 nF zugeführtes Rauschen generiert nur Spikes von 30 mV (Bild 4). Eine weitere Fehlerquelle ist die Impedanz der Masse.
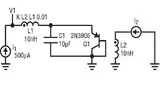
Um diesen Einfluss zu bestimmen, nutzen wir die Schaltung aus Bild 5. Ein Strom von 2 A und Leiterbahnwiderstände von 10 mΩ ergeben einen Fehler von 20 mV. Das typische ∆UBE beträgt gemäß Gleichung (4) damit etwa 60 mV. Für ein Tastverhältnis von 10% verschiebt sich das Gleichspannungspotenzial (DC-Shift) um 2 mV. Eine dritte Fehlerquelle sind magnetische Felder und Leiterbahnschleifen.
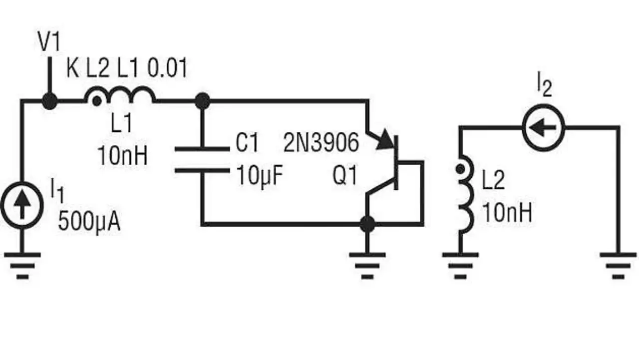
Dabei lässt sich die induktive Kopplung als Kopplung zwischen Spulen modellieren (Bild 6). Eine Leiterbahn von 3 cm Länge über der Masselage kann eine Induktivität von 10 nH haben. Werden 2 A in parallele Leiterbahnen bei einem Koppelfaktor von 1,0% injiziert, können 30 mV an Rauschen generiert werden. Dies kann das Gleichspannungspotenzial um 3 mV verschieben.
Einfluss des Rauschens
Bausteine von Linear Technology enthalten typischerweise einen Tiefpassfilter, um Spikes und Rauschen zu entfernen. In einigen Fällen verschiebt sich das Gleichspannungspotenzial jedoch erheblich. Das Beispiel in Bild 7 mit einem LTC3880 zeigt eine asymmetrische Wellenform am TSENSE-Pin (Kanal 1), hervorgerufen durch das eingekoppelte Signal vom Schaltknoten in diesen Pin. Wird diese gefiltert, verschiebt sich das Gleichspannungspotenzial.
Wird die Temperatur nach der ∆UBE-Methode berechnet, ist der DC-Shift für beide UBE-Messungen gleich groß und hebt sich demzufolge auf. Wenn also der Fehlermechanismus zwischen den Strommessungen konsistent ist, ist auch ∆UBE stabil. Wird die einfache UBE-Messung angewandt, verfälscht der DC-Shift durch die Filterung das Messergebnis (der LTC3880 unterstützt keine einfache ∆UBE-Messung).
Ist das Rauschen sehr groß in Bezug auf ∆UBE und asymmetrisch (wie im Oszillogramm in Bild 7) sowie unterschiedlich zwischen den Strommessungen, kann die ∆UBE-Methode den Einfluss des Rauschens nicht aufheben. In diesem Fall ergibt die einfache Messung präzisere Temperaturwerte. Angenommen, das Rauschen erzeugt einen Fehler von 50 mV, dann beträgt das typische ∆UBE etwa 70 mV. Der Fehler kann also bis zu 70% betragen.
Kommt die einfache UBE-Messung zum Einsatz, beträgt der Fehler etwa 50 mV/600 mV oder 8%. Deshalb ergibt in Systemen mit symmetrischem Rauschen eine ∆UBE-Messung die höchste Genauigkeit, da IS als Fehlerquelle eliminiert wird (siehe Gleichung (4)). In Systemen mit hohem unsymmetrischem Rauschen ergibt die einfache UBE-Messung die höchste Genauigkeit.
Über alles gesehen, kommen die genauesten Messungen durch eine Schaltung mit einem guten Layout, welches Rauschen möglichst eliminiert, und der ∆UBE-Methode zustande. Nicht symmetrische Rauschquellen erfordern ein gutes Layout, da der ∆UBE-Ansatz diese nicht unterdrücken kann. Das Beispiel in Bild 8 betrifft einen LTC3880, wobei Signal 1 das TSENSE-Signal ist.
Versorgt man den Baustein mit 32 µA, bekommt man den höheren Signalpegel; sind es nur 2 µA, bekommt man den niedrigen Signalpegel. Die zwei Messungen wurden bei den letzten High- und Low-Werten der Wellenform vorgenommen. Signal 2 ist die Ausgangsspannung VOUT des LTC3880, die in die 32-µA-Messung einkoppelt.
Diese Einkopplung kann auch bei der 2-µA-Messung auftreten (Bild 9). Die Asymmetrie kommt von der Tatsache, dass die Kopplung nur eine der beiden Messungen beeinflusst und so nicht durch die ∆UBE-Methode eliminiert wird. Darüber hinaus wird der Fehler zufällig auftreten, da das Einschalten des Ausgangs und der stromtreibende Mechanismus nicht synchron laufen.
Die einzige Möglichkeit, die Kopplung zu vermeiden, ist ein passendes Layout oder die Fehlergrenzen zu erweitern. Es gibt zwei primäre Methoden, Fehler zu vermeiden, aber beide erfordern ein passendes Leiterplattenlayout. Die erste betrifft das Eliminieren von gemeinsamen Massepfaden, die zweite das passende Routing der Signalleitungen.
In seinen Datenblättern spezifiziert Linear Technology, wie man Kollektor und Basis des temperaturmessenden Transistors an das Mess-IC anschließt. Dabei sollte der Strom über eigene Sense-Leiterbahnen zum Bauteil und zu den im Datenblatt spezifizierten Pins des ICs laufen. So ist sichergestellt, dass es keine gemeinsame Impedanz mit Hochstrompfaden gibt. Typischerweise läuft der Strom über eine dedizierte Sense-Masse (SGND) oder zum negativen Eingang eines Messverstärkers zurück.
Fehlerquellen vermeiden
Bild 10 zeigt einen LTC3883 (weißer Kreis 2) und einen pnp-Stromsensor vom Typ 2N3906 (Q10, gelber Kreis 1 im Bild). Dieser pn-Sperrschicht-Temperatursensor wird durch C99 gefiltert. Dieser Kondensator bietet eine geringe AC-Impedanz, um DC-Offsets durch die Gleichrichtung oder nichtlineare Wellenformen sowie Rauscheinkopplungen in den A/D-Wandler (ADC) des LTC3883 zu vermeiden.
Das Routing erfolgt mit zwei parallelen Leiterpaaren auf derselben Lage, sodass alle Einkopplungen von Rauschquellen für den ADC im LTC3883 als Gleichtaktsignal erscheinen und so unterdrückt werden. Der Anodenanschluss ist mit dem Sense-Pin des LTC3883 verbunden (Pin 32, gezeigt im Kreis 2), und die Kathode geht auf SGND, das freigelegte Pad auf der Rückseite des ICs. So ist sichergestellt, dass kein hoher Strom von der Versorgungsmasse in die Senseleitung fließt.
Bild 11 zeigt einen LTC2991 und einen pnp-Temperatursensor vom Typ 2N3906 (grüner Kreis). Wie im vorangegangenen Beispiel ist ein Filterkondensator nahe dem Transistor platziert. Filterkondensatoren sind auch am Eingang des LTC2991 angebracht. Die längere Leiterbahn in diesem Fall erhöht wegen ihrer Induktivität eher die Gefahr, dass sich Rauschen entfernt vom Transistor einkoppelt.
Der Kondensator ist optional und kommt nur bei Problemen zum Einsatz. Auch sollten keine Leiterbahnen in getaktete Bereiche gelegt werden, sie sollten zwischen den beteiligten Funktionsbausteinen durchgehen. Einige Designs verwenden einen Power-Block mit eingebauter Temperaturdiode. Einige dieser Power-Blöcke haben aber keinen Pin für den Low-Sense der Diode und keinen Filterkondensator.
In dieser Situation sollten Anwender den Filterkondensator auf dem Board so nahe wie möglich an dem Highside-Sense-Pin der Diode des Power-Blocks anbringen, um alle Rauschquellen zu minimieren. Eine Low-Sense-Leitung kann jedoch auch zu der Stromversorgungsmasse geroutet werden, dabei lässt sich aber der gemeinsame Strom vom Schaltpfad nicht eliminieren, was etwas Rauschen injiziert. Einige der Probleme lassen sich verringern durch:
Diode oder Transistor?
Obgleich man eine einfache Diode zur Temperaturmessung verwenden kann, ist die Diodenstrecke eines pnp- oder npn-Transistors vorzuziehen. Der bereits angesprochene Idealitätsfaktor n einer Diode ist bis zu doppelt so groß wie der einer Diodenstrecke eines bipolaren Transistors. Bei einigen Dioden steigt mit der Temperatur auch ∆UBE, was zu großen Fehlern über die Temperatur führt.
Generell führt ein großer Idealitätsfaktor zu keiner akkuraten Temperaturmessung, wenn man die ∆UBE-Methode anwendet. Ein großer Idealitätsfaktor führt zu einem großen ∆UBE. Zusätzlich ist UBE geringer durch Differenzen in IS.
Damit wird der Dynamikbereich des A/D-Wandlers nicht ausgenutzt, und das Signal/Rauschverhältnis steigt an. Im Falle der einfachen UBE-Messung werden die Ergebnisse noch mehr beeinträchtigt. Eine Simulation mit »LTspice« zeigt die Differenz zwischen einem pnp-Transistor vom Typ 2N3906 und einer Diode vom Typ 1N4148 (Bild 12).
Die Diode hat eine nahezu 150 mV geringere Spannung bei 30 µA. Der Transistor zeigt eine typische ∆UBE von 70 mV bei Raumtemperatur, wohingegen die Diode eine Durchlassspannungsdifferenz ∆UD von 127 mV aufweist. Nutzt das Bauteil die ∆UBE-Messung, und der ADC liefert eine logische Null an einen Differenzverstärker mit Verstärkung, muss man sicherstellen, dass das Bauteil das größere ∆UBE verarbeiten kann. In allen Fällen, in denen eine Diode verwendet wird, muss das Controller-IC ein Register für die Einstellung des Idealitätsfaktors haben. Einige Controller-ICs von Linear Technology haben ein Register dafür, andere nicht. Die keines haben, sind typischerweise zu verwenden für Transistoren vom Typ 2N3904 oder 2N3906.
Über den Autor:
Michael Jones ist Applications Engineer für Digital-Power-Produkte bei Linear Technology.
| Einige Designregeln für die Temperaturmessung |
|
|---|---|
|
■ |
Nutzen Sie die Diodenstrecke eines Transistors, z.B. des 2N3904 oder des 2N3906. Folgen Sie den Angaben im Datenblatt. |
| ■ | Platzieren Sie den Filterkondensator nahe der Diode (weniger als einige Millimeter). Platzieren Sie einen weiteren Kondensator nahe am Controller-IC, wenn der Transistor mehr als einige Zentimeter entfernt ist. |
| ■ | Routen Sie eine differenzielle Verbindung vom Transistor zum Controller-IC mit minimalem Abstand, egal ob das Bauteil einen separaten TSENSE-Pin hat oder nicht. Wenn nicht, verbinden Sie die Low-Side mit dem SGND-Pin. Gibt es keinen SGND-Pin, nutzen Sie PGND. Pins in jedem Fall anschließen. |
| ■ | Vermeiden Sie Routing nahe an Rauschquellen wie Schaltknoten, Leiterbahnen mit hohen Strömen, großen Trafos usw. |
| ■ | Verwendet man einen Power-Block, ist, wenn möglich, so nahe es geht am Diodenpin ein Filterkondensator anzubringen, falls sich ein solcher nicht in dem Power-Block befindet. |
| ■ | Nutzen Sie, wenn möglich, einen Power-Block mit zwei Pins zum Abtasten der Diodenstrecke. |
| ■ | Ist das Layout suboptimal, sollten Sie in das Offset-Register (falls verfügbar) einen Wert schreiben, oder Sie erhöhen die Fehlerlimits. In einigen Designs kann man diese Anpassung während des Einschaltens oder des Softstarts durchführen und im stabilen Zustand speichern. |