Tipps für Entwickler

Was beim Design von Energiespeichersystemen wichtig ist

3. Mai 2024, 10:57 Uhr | Ryan Tan, Texas Instruments; Redaktion: Kathrin Veigel, Kathrin Veigel
Mersen Sicherungen Energiespeicher
Energiespeichersysteme nehmen tagsüber Energie aus erneuerbaren Quellen wie etwa Sonne oder Wind auf und geben diese Energie zu Zeiten großer Nachfrage oder hoher Stromtarife wieder ab. Indem es Energie für Spitzenbedarfszeiten speichert, tragen sie also dazu bei, das Netz zu stabilisieren und die Energiekosten zu senken.
© malp/Adobe Stock

Beim Design von Batterie-Energiespeichersystemen gilt es, Herausforderungen wie die sichere Nutzung, die präzise Überwachung von Spannung, Strom und Temperatur sowie den Ausgleich zwischen Zellen und Packs zu meistern. Auf was es hier ankommt, wird im Folgenden näher beleuchtet.

Diesen Artikel anhören

Die erste Herausforderung besteht darin, die Sicherheit der Batterie über die gesamte, normalerweise mehr als zehn Jahre betragende Nutzungsdauer eines Batterie-Energiespeichersystems (BESS) aufrecht zu erhalten. In BESS-Anwendungen kommen oftmals Lithium-Ionen-Akkus (Li-Ion), und hier speziell Lithium-Eisenphosphat-Akkus (LiFePO4) zum Einsatz.

Li-Ion-Akkus können jedoch Rauch erzeugen, sich entzünden oder explodieren, wenn ihre Spannungs-, Strom- oder Temperaturgrenzwerte überschritten werden. Die Überwachung dieser Parameter und die Umsetzung entsprechender Schutzmaßnahmen sind deshalb sehr wichtig. Außerdem sollte das Risiko von Ausfällen in der Batterie selbst oder im Batterie-Managementsystem sorgfältig untersucht und analysiert werden.

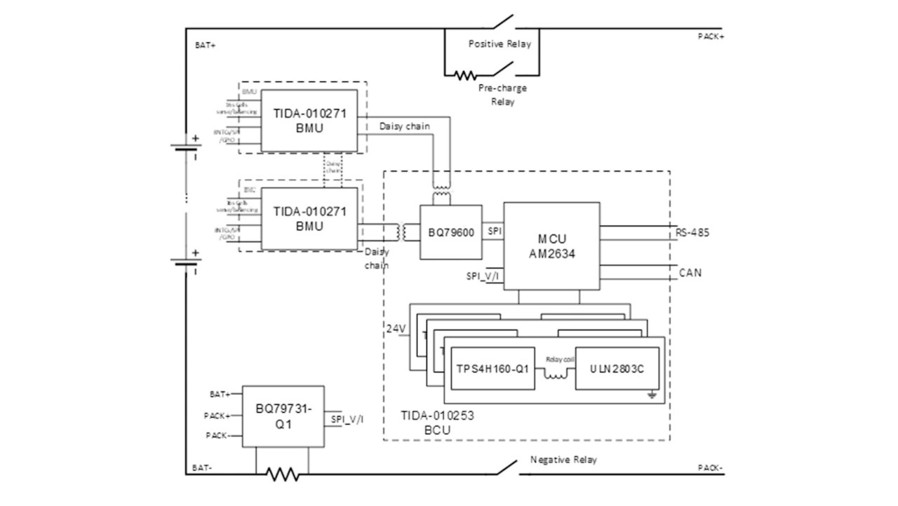
Bild 1. Architektur eines BESS Texas Instruments
Bild 1. Architektur eines BESS
© Texas Instruments

In einem weiteren Referenzdesign (Battery Control Unit Reference Design for Energy Storage Systems) geht es dagegen um eine Battery Control Unit (BCU) mit Schaltern, die den sicheren Betrieb des Systems gewährleisten.

Präzise Batterieüberwachung

Die Verfügbarkeit präziser Batteriedaten ist eine Voraussetzung für einen sicheren Betrieb und eine maximale Energieausbeute. Betrachtet man die über einen langen Zeitraum flach verlaufende Zone der Lade- und Entladekurve von LiFePO4-Akkus, so wird deutlich, dass bereits kleinste Fehler beim Messen der Zellenspannungen enorme Fehler bei der Berechnung der verbleibenden Kapazität nach sich ziehen können.

Hohe Präzision beim Messen der Spannungen und Ströme in der Batterie hat deshalb größte Bedeutung für ein exaktes Abschätzen des Ladezustands, und präzise Ladezustands-Daten sind wiederum entscheidend, um ungewollte Zellenausgleichs-Operationen (Cell Balancing) zu vermeiden, die durch zu starkes oder zu geringes Laden dazu führen können, dass die maximale Batteriekapazität nicht vollständig ausgeschöpft wird.

Eine weitere wichtige Messgröße ist die Temperatur, das die meisten durch Brand oder Explosion entstehenden Unfälle auf thermisches Durchgehen der Batterien zurückzuführen sind.

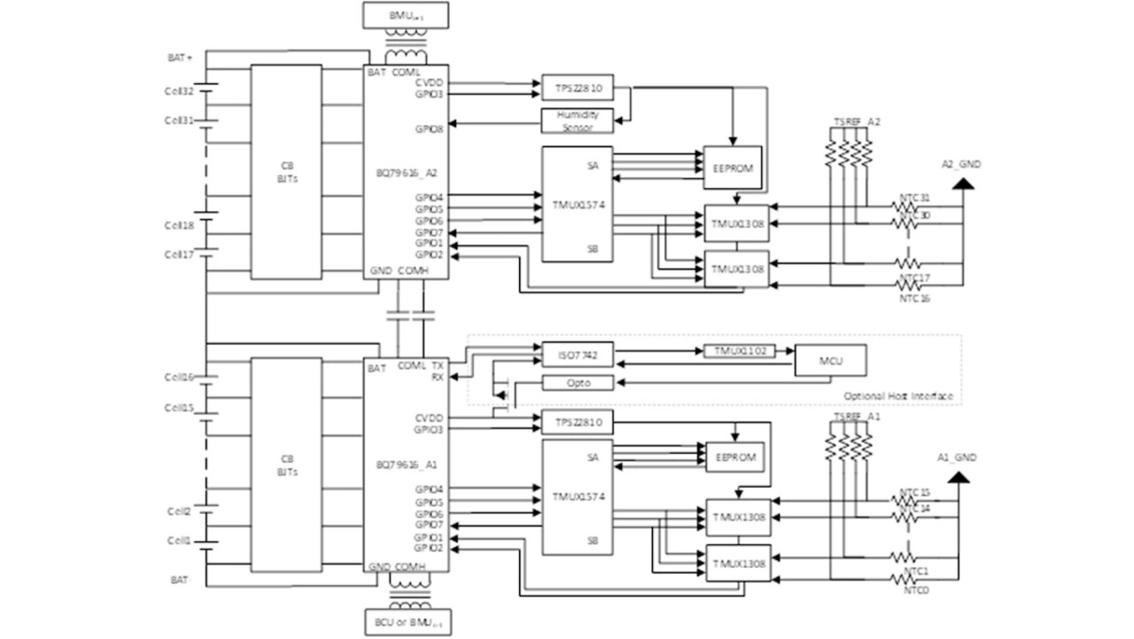
Texas Instruments Bild 2. Referenzdesign für eine stapelbare Battery Management Unit (BMU)
Bild 2. Referenzdesign für eine stapelbare Battery Management Unit (BMU)
© Texas Instruments

Multiplexer-Schalter erweitern die Zahl der Temperaturmesskanäle so, dass die Temperaturen aller Batteriezellen und sämtlicher Verbindungen zur Sammelschiene überwacht werden können. Des Weiteren hält das stapelbare Batterie-Referenzdesign zusätzliche Temperaturmesskanäle zum Überprüfen der Multiplexer-Schalter bereit.

Für die Ladezustands-Überwachung eines Energiespeichersystems (ESS) wird zusätzlich eine präzise und zuverlässige Strommesslösung benötigt. Der Spannungs- und Stromsensor BQ79731-Q1 enthält zwei 24-Bit-A/D-Wandler für die Strommessung. Redundante Kanäle dienen ergänzend dazu, die Sicherheit des Systems und die Genauigkeit der Stromdaten zu gewährleisten.

Ausgleichsfunktionen für Zellen und Packs

Bedingt durch Lastschwankungen können Akku-Packs unterschiedlich viel Strom aufnehmen. Diese Schwankungen können dazu führen, dass die Packs unterschiedlich viel Restenergie enthalten, weshalb sich die maximal nutzbare Energie des ESS insgesamt verringert. Die Unstimmigkeiten zwischen neuen Batteriezellen und unterschiedliche Kühlbedingungen können ebenfalls zu Ungleichgewichten zwischen verschiedenen Zellen führen – und dies sogar innerhalb eines Packs. Passives Balancing, das Batterieenergie in Widerständen dissipiert, wird für das Balancing auf der Pack-Ebene nicht empfohlen, da zu hohe Verluste entstehen und sich die Packs übermäßig erwärmen.

Hinzu kommt, dass Ungleichgewichte zwischen den Packs mit zunehmender Alterung größer werden. Hierbei ist zu beachten, dass ein ESS eine Nutzungsdauer von über zehn Jahren erreichen kann. Einige Packs altern über diesen Zeitraum hinweg möglicherweise stärker als andere und müssen somit vom Anwender ausgetauscht werden. Ohne wirkungsvolle Schaltungen für ein Balancing auf der Pack-Ebene muss ein neues Pack in diesem Fall manuell ge- oder entladen werden, damit es den gleichen Energiegehalt aufweist wie die übrigen Packs des ESS. Auch dies ist jedoch riskant, schwierig, teuer und arbeitsaufwändig.

Ungleichgewichte zwischen Batteriezellen werden auch durch die Zellenkapazität beeinflusst. Die Batteriehersteller entwickeln Batteriezellen mit größerer Kapazität von 280 Ah über 314 Ah bis zu 560 Ah, um das Verhältnis zwischen Kosten und Energiegehalt für das gesamte ESS zu optimieren. Packs, die Zellen mit höherer Kapazität enthalten, benötigen einen höheren effektiven Balancing-Strom, damit alle enthaltenen Zellen fortlaufend die gleiche Menge an Energie liefern.

Texas Instruments Bild 3. Bidirektionaler, isolierter Gleichspannungswandler zwischen Akku-Pack und Hochspannungs-Sammelschiene
Bild 3. Bidirektionaler, isolierter Gleichspannungswandler zwischen Akku-Pack und Hochspannungs-Sammelschiene
© Texas Instruments

Für das Pack Balancing bieten sich verschiedene Möglichkeiten an. In Bild 3 ist ein Referenzdesign (Bidirectional CLLLC Resonant Converter Reference Design for Energy Storage System) zu sehen, das eine Lösung zum Laden und Entladen von Packs an einer Hochspannungs-Sammelschiene implementiert. Durch Kontrollieren des Lade- und Entladestroms kann der isolierte Gleichspannungswandler die Packs entsprechend der verbleibenden Kapazität oder der Pack-Spannung ausgleichen.

Da sowohl der Ladestrom ebenso wie der Entladestrom durch den bidirektionalen DC/DC-Wandler fließt, ist der Gesamtwirkungsgrad jedoch gering, und außerdem muss der bidirektionale Gleichspannungswandlers eine hohe Nennleistung aufweisen.

Zusammenfassung

Mit sicheren und zuverlässigen Batteriemanagement-Systemen lassen sich Bedenken bezüglich der Sicherheit von Li-Ion- und LiFePO4-Akkus ausräumen. Mit sorgfältig entwickelten Schutzfunktionen tragen diese Systeme außerdem dazu bei, die Lebensdauer von ESS-Lösungen zu verlängern, auch wenn es zum Ausfall einer Komponente kommt.

Die präzise Erfassung der Messgrößen sowie Balancing-Funktionen auf der Pack- und Zellenebene erlauben das Laden und Entladen mit gleicher Kapazität und maximieren die Energiemenge, die aus Photovoltaikanlagen oder anderen erneuerbaren Quellen gewonnen werden kann. Unter dem Strich erhalten die Endanwender damit einen Zugang zu sicherer, stabiler und kostengünstiger erneuerbarer Energie.

Ryan Tan von Texas Instruments
Ryan Tan von Texas Instruments
© Texas Instruments

Der Autor

Ryan Tan
ist System Manager bei Texas Instruments.

passend zum Thema


Lesen Sie mehr zum Thema


Das könnte Sie auch interessieren