Leitfaden zu LDO-Reglern

Rauschen, Kompromisse, Anwendungen und Trends

26. September 2023, 11:30 Uhr | Zhihong Yu, Product Marketing Director, Analog Devices
Schmuckbild-Anaog Devices
© Componeers GmbH/Analog Devices

Der Beitrag erörtert wichtige Parameter, die bei der Auswahl von LDOs zunächst nicht offensichtlich sind. Ferner werden Schaltregler und LDOs im Hinblick auf spezielle Rauschanforderungen verglichen und aktuelle Branchentrends erörtert, sowie Anwendungen gezeigt, die leistungsstarke LDOs benötigen.

Diesen Artikel anhören

Die meisten elektronischen Geräte arbeiten mit einer Stromversorgung, deren Ausgangsspannung höher ist als die typische Betriebsspannung. So wird zum Beispiel das Netzteil eines Computers mit 220 V versorgt und nimmt weniger als 1 A auf. Nachdem verschiedene Leistungshalbleiter eine Reihe von Spannungen auf niedrigere Werte umgewandelt haben, kann der Prozessor eines Computers schließlich mit einer Spannung von unter 1 VDC arbeiten, jedoch in der Spitze mehrere Ampere aufnehmen. In solchen Beispielen wird mit vielen verschiedenen internen Versorgungsspannungen gearbeitet, angefangen von weniger als 1 bis hin zu 12 V.

Low-Dropout-Regler (LDOs) sind in einer Vielzahl von elektronischen Anwendungen im Einsatz, um eine bestimmte Eingangsspannung in eine geregelte Ausgangsspannung mit niedrigerem Pegel zu wandeln. LDOs werden häufig gleich zu Anfang eines Fachbuchs über Powermanagement vorgestellt und gelten im Allgemeinen als sehr einfache Bauteile. Dennoch kann es vorkommen, dass Schaltungsentwickler bestimmte technische Leistungsmerkmale, die für die Auswahl eines LDO-Reglers entscheidend sind, nicht auf Anhieb verstehen – abgesehen von den Spannungs- und Stromwerten.

Dieser Beitrag konzentriert sich auf die Anforderungen von LDO-Reglern hinsichtlich eines geringen Rauschens, erläutert andere Ansätze für rauscharme Stromversorgungen und stellt Anwendungen vor, die eine rauscharme Stromversorgung erfordern.

Rauschen — Ursprung und wie man damit umgeht

LDO-Regler werden nur selten direkt zwischen der Energiequelle und den zu versorgenden Schaltkreisen verwendet - der Leistungsverlust wäre in den meisten Fällen zu hoch. Stattdessen verwenden Entwickler typischerweise entweder einen AC/DC- oder einen DC/DC-Schaltregler. Da die Energiequelle den Schaltregler speist, kann dieser zusätzlich zu seinem Eigenrauschen externes Rauschen aufnehmen, welches durch Störstrahlung und andere Effekte in den Leitungen oder auf den Leiterplatten entsteht. Erschwerend kommt hinzu, dass es in einem solchen Schaltregler nie den »idealen« Schalter gibt, und alle Schaltvorgänge Effekte wie Spannungsspitzen und Überschwingen (Ringing) erzeugen, die schließlich zu internem Rauschen werden. Schaltregler können von der Last entfernt platziert werden und die Spannung kann auf ihrem Weg zu ihr zusätzlich externes Rauschen aufnehmen.

Häufig werden Schaltungen mit einem LDO-Regler erweitert, um die Spannung am Reglerausgang abzusenken und die Last zu speisen, denn LDO-Regler bieten eine bessere Regelung und unterdrücken die Ausgangswelligkeit. Darüber hinaus kann es auch mehrere Lasten geben, die unterschiedliche Spannungen benötigen. Der LDO-Regler nimmt jegliches Rauschen an seinem Eingang auf und kann selbst Rauschen erzeugen, welches ohne entsprechende Maßnahmen an die Last gelangen kann (Bild 1). Da sich das Rauschen nur schwer simulieren lässt und dessen Frequenzspektrum und Amplitude nicht vorhersagbar ist, kann es sehr empfindliche Lastschaltkreise stören (deshalb können Audiophile zum Beispiel Unterschiede in der Klangqualität feststellen, wenn das Netzteil gewechselt wird). Typische Schaltungen mit empfindlichen Lastschaltkreisen sind darüber hinaus beispielsweise Hochfrequenzverstärker, Takt- und Timing-ICs, Serialisierer/Deserialisierer (SERDES), hochgenaue analoge Präzisions- und Bildsensoren und Schaltungen, die sich in medizinischen Geräten, Testinstrumenten, in der Telekommunikation, in der Automobilindustrie und in Datenzentren befinden.

Bild 1
Bild 1: Rauschen ist kein ungewöhnliches Phänomen in Stromversorgungen.
© Analog Devices

HF-Rauschen zu filtern, sie können aber sperrig und teuer sein. Eine für Entwickler schmerzhafte Erfahrung ist es, wenn erst nach der Fertigstellung des ersten Prototyps festgestellt wird, dass ein solcher Filter erforderlich ist.

Ein bekannter Ansatz zur Entwicklung von rauscharmen Schaltungen ist die Einbindung von Silent-Switcher-Schaltreglern von Analog Devices (ADI). Die Mitglieder der Silent-Switcher-Produktfamilie enthalten proprietäre Techniken zur Rauschunterdrückung, ohne Kompromisse bei Baugröße, Effizienz oder dem Einsatz übermäßig vieler Bauteile eingehen zu müssen. Die Silent-Switcher-Familie steht aktuell in der dritten Generation zur Verfügung. Die Produkte der ersten Silent-Switcher-1-Generation verwenden ein Paar Schaltschleifen mit entgegengesetzter Polarität, die dafür sorgen, dass sich Magnetfelder aufheben. Die zweite Generation enthält Präzisionskondensatoren und eliminiert die Einflüsse des Leiterplattenlayouts. Die dritte Bauteilegeneration verfügt über die Eigenschaften der Silent-Switcher-1-Produkte und bietet ein sehr geringes Rauschen bei niedrigen Frequenzen und ein ultraschnelles Einschwingen. Silent-Switcher-Regler sind für Eingangsspannungen von bis zu 65 V sowie für Lastströme von bis zu 30 A ausgelegt und werden als Buck-, Boost- oder Buck/Boost-Topologien angeboten. Mehr Informationen enthält die Silent Switcher Produktseite.

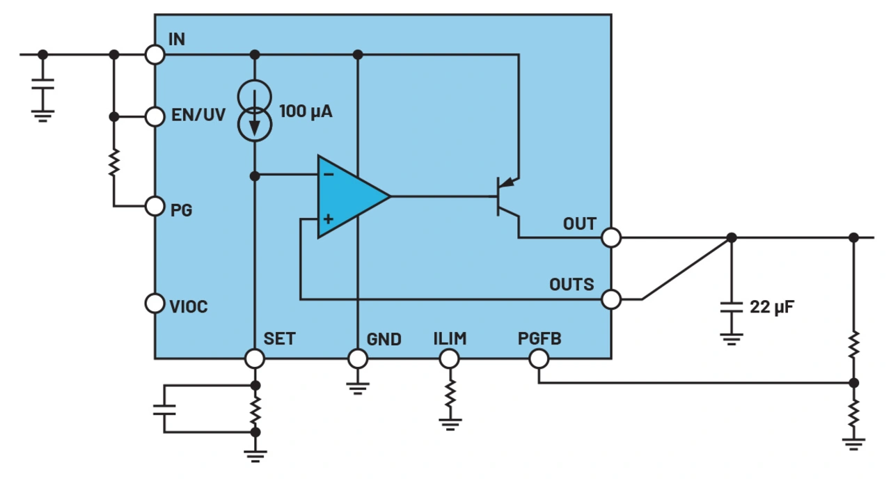
Bild 2
Bild 2: Blockdiagramm eines rauscharmen LDO-Reglers
© Analog Devices

Ein anderer beliebter Ansatz ist der Einsatz von rauscharmen LDOs. Bild 2 zeigt ein typisches Blockschaltbild. Rauscharme LDO-Regler sind als Präzisionsstromreferenz mit nachgeschaltetem Hochleistungsspannungspuffer konzipiert. Die Bauteile werden durch drei Hauptmerkmale charakterisiert: PSRR-Wert, integriertes Gesamtrauschen am Ausgang und Rauschspektraldichte.

Bild 3
Bild 3: Typischer PSRR-Verlauf eines rauscharmen LDO-Reglers.
© Analog Devices

Der PSRR-Wert (Netzspannungsdurchgriff oder Störspannungsunterdrückungsverhältnis) kennzeichnet die durch die Eingangsspannung verursachten Schwankungen der Ausgangsspannung (Bild 3). Der PSRR-Wert wird in logarithmischer Form bei einer bestimmten Frequenz ausgedrückt und variiert mit der Last und der Eingangs-/Ausgangsspannung. Da das Eingangsrauschen nicht am Ausgang reflektiert werden soll, ist es von entscheidender Bedeutung LDO-Regler mit hohem PSRR-Wert zu verwenden. Da sich der Hochfrequenz-PSRR-Wert durch eine Erweiterung der Schaltung um kleine Tiefpassfilter vor und nach dem LDO-Regler verbessern lässt, ist der PSSR-Wert bei einer niedrigeren Frequenz für die IC-Auswahl wichtiger. Bei der Auswahl der Bauteile ist zu beachten, dass jeder Unterschied von 20 dB eine 100-fache Verbesserung oder Verschlechterung bei der Unterdrückung der Welligkeit (Ripple) bedeutet.

Anbieter zum Thema

zu Matchmaker+

  1. Rauschen, Kompromisse, Anwendungen und Trends
  2. Die Rauschdichte ist ebenfalls ein wichtiger Parameter


Lesen Sie mehr zum Thema


Das könnte Sie auch interessieren