Stromversorgungs-ICs

Stabilität trotz weniger Komponenten

11. November 2022, 12:30 Uhr | Von Michael Maurer, Rohm Semiconductor, Ralf Higgelke
Da im Auto immer mehr Funktionen elektrifiziert werden, sind immer mehr Kondensatoren nötig, um die Versorgungsspannungen zu stützen. Hochwertige Stromversorgungs-ICs, die mit weniger externen Komponenten auskommen, können dann helfen
© Rohm

Da im Auto immer mehr Funktionen elektrifiziert werden, sind immer mehr Kondensatoren nötig, um die Versorgungsspannungen zu stützen. Gleichzeitig sind im Moment aber auch passive Bauelemente knapp. Hochwertige Stromversorgungs-ICs, die mit weniger externen Komponenten auskommen, können dann helfen.

Diesen Artikel anhören

Da Verbraucher aufgrund der steigenden Energiepreise die zur Verfügung gestellte Energie möglichst effizient nutzen wollen, werden immer mehr Anwendungen in immer größerem Umfang elektrifiziert. Das hat insbesondere im Automobilbereich dazu geführt, dass der Bedarf an elektronischen Komponenten und Designressourcen steigt.

Unter anderem ist dadurch die Anzahl der notwendigen Kondensatoren, um die Versorgungsspannungen zu stabilisieren, deutlich gestiegen. Aufgrund der prekären Weltmarktsituation – auch in Bezug auf passive Bauelemente – erhöht sich daher die Nachfrage nach Stromversorgungen, die auf Ausgangskondensatoren möglichst verzichten oder nur sehr kleine Kapazitätswerte erfordern. Um den Designaufwand für Stromversorgungsschaltungen bei sich ändernden Spezifikationen zu reduzieren, sind hochwertige Stromversorgungs-ICs gefragt, die ein gutes Ansprechverhalten zeigen und einen stabilen Betrieb sicherstellen.

Um dies zu gewährleisten, überwacht ein Stromversorgungs-IC ständig die Ausgangsspannung und gleicht diese über einen Fehlerverstärker mit einer internen Referenzspannung ab. Durch kürzere Reaktionszeiten lassen sich Änderungen der Ausgangsspannung, verursacht durch Schwankungen der Eingangsspannung und/oder des Laststroms, schneller ausregeln. Wird die Ansprechzeit andererseits zu stark verkürzt, wird die Schaltung instabil und die Ausgangsspannung beginnt zu schwingen. Da die Ausgangskapazität auch die Ansprechgeschwindigkeit beeinflusst, war es bishe schwierig, das gewünschte Ansprechverhalten zu erreichen.

QuiCur-Technologie

Mit QuiCur (Quick Current) hat Rohm eine Stromversorgungstechnologie entwickelt, die bei DC-DC-Wandler-ICs (Schaltregler) und LDOs (Linearregler) die Ausgangsspannungen bei Transienten (Lastwechsel) in Bezug auf Reaktionsgeschwindigkeit und Stabilität verbessert. Durch Integration von QuiCur lässt sich die Spannungsversorgung optimieren, ohne dass der Fehlerverstärker und damit die gesamte Schaltung instabil werden. Kleinere Kapazitätswerte für die Ausgangskondensatoren reduzierten nicht nur die Anzahl der nötigen externen Bauteile und die dafür notwendige Montagefläche, sondern Anwender können auch die durch die Transienten hervorgerufenen Schwankungen der Ausgangsspannung (negative konstante proportionale Beziehung) anpassen.

Beispiele für den Platzbedarf vergleichbarer Spannungsregler
Tabelle 1: Beispiele für den Platzbedarf vergleichbarer Spannungsregler.
© Rohm

Dadurch arbeitet die Schaltung selbst dann stabil, wenn sich die Kapazität beispielsweise aufgrund von Alterung oder DC-Bias ändert. Dies kann die Ressourcen für das Design von Stromversorgungsschaltungen erheblich verringern, da ein stabiler Betrieb mit weniger externen Komponenten möglich ist (Tabelle 1).

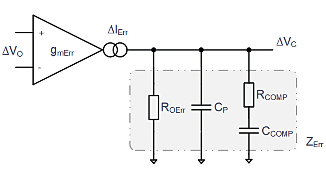
Blockschaltbild eines herkömmlichen Fehlerverstärkers
Bild 1. Blockschaltbild eines herkömmlichen Fehlerverstärkers
© Rohm

Um das Verhalten bei Transienten zu optimieren, muss man für ein stabiles Verhalten bei herkömmlichen Schaltreglern einen Kompromiss aus Verstärkungsfaktor und Grenzfrequenz finden. Dabei spielt die Kombination aus dem Übertragungsverhalten der Leistungsstufe und des Fehlerverstärkers eine wichtige Rolle. Betrachten wir zunächst das Blockschaltbild und die Übertragungsfunktion des Fehlerverstärkers eines konventionellen Schaltreglers (Bild 1).

Die Übertragungsfunktion lässt sich folgendermaßen berechnen:

ΔVC = ΔVC·gmErr·ZErrΔVCΔV0= gmErr ·ZErr 

Mit der neuen Architektur des QuiCur-Fehlerverstärkers, der in zwei separate Pfade aufgetrennt ist (Bild 2), lässt die Übertragungsfunktion folgendermaßen bestimmen:

ΔVC =-ΔVo·gmLs·ZErrLS -ΔVo·gmHs·ZErrHSΔVCΔVo=(gmLS·ZErrLS+gmHs·ZErrHS)

Bei den zwei voneinander unabhängigen Pfaden lassen sich die Verstärkung gm und die Filtereigenschaften jeweils unabhängig voneinander einstellen.

QuiCur-Technologie, Bilder 2-4

© Rohm
© Rohm
© Rohm

Alle Bilder anzeigen (3)

Das Transientenverhalten eines Schaltreglers ist das Produkt der Übertragungsfunktion des Fehlerverstärkers und der Leistungsstufe und lässt sich in Abhängigkeit des Innenwiderstandes (Ri = 1/gm), der Last und der Ausgangskapazität folgendermaßen berechnen:

ΔVCΔV0 =gm·RL1+jω·C0·RL 

Vergleicht man nun die Bode-Diagramme beider Schaltregler mit vergleichbaren Eigenschaften (Bild 3), so lässt sich feststellen, dass bei der QuiCur-Technologie (rechts) die Gesamtverstärkung niedriger ist als bei einem herkömmlichen Schaltregler (links) und beim Phasengang die Phasenreserve bis hin zu Frequenzen deutlich über der Durchtrittsfrequenz (0 dB im Amplitudengang) nahezu konstant ist.
 
Betrachten wir nun, wie sich verändernde Ausgangskapazitäten auf die Schaltung auswirken. In dem nun folgenden Beispiel wird der Standardwert von 44 µF auf 22 µF halbiert. Wie man in den Bode-Diagrammen in Bild 4 erkennen kann, verschiebt sich die Durchtrittsfrequenz hierdurch zu höheren Werten. Dadurch ändert sich die Phasenreserve, das Maß der Stabilität eines Spannungsreglers. Die Phasenreserve lässt sich in den Diagrammen an den Schnittpunkten der Senkrechten der Durchtrittsfrequenz mit dem Phasengang ablesen.

Bode-Diagramme bei halbierter Ausgangskapazität von 22 µF beim QuiCur-Schaltregler: (links) langsamer Signalpfad, (rechts) schneller Signalpfad
Bild 5. Bode-Diagramme bei halbierter Ausgangskapazität von 22 µF beim QuiCur-Schaltregler: (links) langsamer Signalpfad, (rechts) schneller Signalpfad.
© Rohm

Ein weiterer Vorteil von QuiCur wird dadurch erreicht, dass der Fehlerverstärker in einen langsamen und einen schnellen Signalpfad aufgeteilt sind. Hierbei regelt der langsame Pfad die Ausgangsspannung genau aus, während der schnelle Signalpfad die durch Transienten ausgelösten Schwankungen der Ausgangsspannung schnell verarbeitet. Da beide Signalpfade separate Verstärker haben, lassen sich diese unabhängig voneinander einstellen. Bild 5 zeigt Verstärkungs- und Phasengänge der beiden Pfade getrennt. Auch lässt sich die Durchtrittsfrequenz separat konfigurieren, sodass der Schaltregler über ein optimiertes Transientenverhalten verfügt, ohne dabei instabil zu werden.

QuiCur in Kombination mit Nano Cap

Im Jahr 2020 hat Rohm die Nano-Cap-Technologie für LDOs (Low Drop-Out) entwickelt. Gegenüber herkömmlichen LDOs nutzt diese Technologie auch Informationen über den Laststrom, um die Ausgangsspannung präzise zu regeln. Kombiniert man Nano Cap und QuiCur lässt sich der Wert des Ausgangskondensators deutlich reduzieren und gleichzeitig das Verhalten bei Transienten signifikant verbessern. Die Ausgangskapazität kann so auf weniger als ein Zehntel der herkömmlichen Lösungen reduziert werden. Im Ideal- fall ist es sogar möglich, den Ausgangskondensator gänzlich wegfallen zu lassen, und anstelle dessen den Eingangskondensator an der Last – typischerweise 100 nF – nutzen, um die Spannung zu stabilisieren.

Oszillogramme bei Lastsprüngen von 50 mA an einem Nano-Cap-LDO (magentafarbene Kurve) und einem herkömmlichen LDO (türkisfarbene Kurve) bei Ausgangskapazitäten von 1 µF (links) und 100 nF (rechts)
Bild 6. Oszillogramme bei Lastsprüngen von 50 mA an einem Nano-Cap-LDO (magentafarbene Kurve) und einem herkömmlichen LDO (türkisfarbene Kurve) bei Ausgangskapazitäten von 1 µF (links) und 100 nF (rechts).
© Rohm

Bild 6 zeigt, wie sich ein Nano-Cap-LDO und ein herkömmlicher vergleichbarer LDO bei Lasttransienten in Abhängigkeit der Ausgangskapazität verhalten. Wie man aus den Oszillogrammen erkennen kann, sind die Über- und Unterschwinger der Ausgangs-spannungen beim Nano-Cap-LDO deutlich geringer als bei einem herkömmlichen Baustein. Bei einer Ausgangskapazität von 1 µF (Bild 6, links) betragen die Ausschläge beim Nano-Cap-LDO nur 50 mV in beide Richtungen, beim herkömmlichen LDO sind es 260 mV bzw. 370 mV. Ersetzt man nun den Ausgangskondensator durch einen 100-nF-Typen (Bild 6, rechts), so bleibt der Unterschwinger beim Nano-Cap-LDO auf demselben Wert und der Überschwinger erhöht sich auf 180 mV. Bei einem herkömmlichen LDO erhöhen sich die Werte signifikant auf 370 mV bzw. 780 mV. Diese Über- bzw. Unterschwinger sind meist außerhalb der erlaubten Spannungsbereichs der Last und zeigen häufig während des Regelvorgangs Schwingungen, die nicht akzeptabel sind.
 
Auch bei kleinen Ausgangskapazitäten können Nano Cap zusammen mit QuiCur verhindern, dass die Ausgangsspannung schwingt, sie können die Über- und Unterschwinger reduzieren und dazu beitragen, Ressourcen zu schonen, den Leiterplattenbedarf und Kosten zu reduzieren sowie das Design zu vereinfachen.

Automotive-qualifiziertes Wandler-IC

Der BD9S402MUF-C ist ein Abwärts-DC-DC-Wandler-IC (Schaltregler) mit integrierten MOSFETs für Automobilanwendungen wie Infotainment oder ADAS (Advanced Driver Assistance Systems).

Das IC unterstützt Ausgangsspannungen von 0,6 V bis zu 80 Prozent der Eingangsspannung und einen Ausgangsstrom von maximal 4 A bei Schaltfrequenzen von typisch 2,2 MHz, um anspruchsvolle Anwendungen wie Hochleistungs-MCUs und -SoCs zu versorgen. Mithilfe der QuiCur-Technologie arbeitet der Baustein stabil mit Über- bzw. Unterspannungen von 30 mV (Messbedingungen: 5 V Eingangsspannung, 1,2 V Ausgangsspannung, 44 μF Ausgangskapazität, Stromänderungs-geschwindigkeit bis 1 A/μs). Dies bedeutet, dass die Schwankungen der Ausgangsspannung um 25 Prozent im Vergleich zu Standardprodukten mit gleichwertigem Funktionsumfang sinken können. Außerdem können Anwender beim BD9S402MUF-C mit der QuiCur das Verhalten bei Transienten bestimmen. Durch Setzen des Gain-Pins auf High oder Low können sie die Priorität zwischen »niedrigster Spannungsschwankung« (für kleinste Transienten) und »Kapazitätsreduzierung« (um einen stabilen Betrieb bei 22 μF zu gewährleisten) wechseln (Tabelle 2).

Vergleich der Optimierung beim Schaltregler-IC BD9S402MUF-C auf Transienten-Antwort oder auf Kosten
Tabelle 2: Vergleich der Optimierung beim Schaltregler-IC BD9S402MUF-C auf Transienten-Antwort oder auf Kosten.
© Rohm

So können Anwender den Gain-Pin beispielsweise auf High setzen, wenn es sich um eine Stromversorgung für ein SoC handelt, dessen Versorgungsspannung auch bei großen Transienten extrem genau ausgeregelt werden muss. Oder sie setzen den Gain-Pin auf Low, um eine gute Balance zwischen Performance und Kosten für Kondensatoren zu erreichen, wenn die Anforderungen an die Spannungsgenauigkeit bei Transienten an der Last gering sind. Im Endeffekt können Anwender, die für das Design von Stromversorgungsschaltungen erforderlichen Ressourcen erheblich reduzieren, da sich ein stabiler Betrieb nicht nur beim ursprünglichen Design, sondern auch dann erreichen lässt, wenn sich die Spezifikationen oder Modelle ändern.

LDO-Regler für Automobilanwendungen

Mit der Bauteilserie BD9xxN1 bietet Rohm eine Reihe von LDO-Regler-ICs für Automobilanwendungen. Diese sind für die direkte Bordnetzversorgung an 12 V in einer Vielzahl von Fahrzeuganwendungen optimiert, zum Beispiel im Antriebsstrang, der Fahrzeugkarosserie, ADAS und dem Infotainment.

Die Primär-LDOs erfüllen die grundlegenden Anforderungen von Automobilprodukten wie den Betrieb bei über +125 °C sowie die Qualifizierung nach dem AEC-Q100-Standard für Zuverlässigkeit im Automobilbereich. Zudem stellen die LDOs Eingangsspannungen von mehr als 40 V für die Primärstromversorgung zur Verfügung. Die Nano-Cap-Regelungstechnologie zusammen mit QuiCur unterstützt eine Ausgangskapazität von 100 nF. Auf diese Weise soll gewährleistet ein, dass die Anwendungen stabil laufen, selbst wenn die Eingangsspannung und der Laststrom schwanken. Dies ermöglicht eine hohe Performance mit einem ausgewogenen Verhältnis von Ausgangskapazitätsbereich und Ansprechverhalten.

Zusätzlich zu den üblichen MLCCs (Multi-Layer Ceramic Capacitors) der μF-Klasse können die neuen Regler mit einem sehr breiten Spektrum von Ausgangskapazitäten ab 100 nF in den ultrakompakten Gehäusebauformen 0603 oder 0402 betrieben werden. In der Vergangenheit war dies nicht möglich, da die Schaltungen nicht stabil genug waren. Diese neue Option kann nicht nur zur Miniaturisierung von Bauteilen und Platinen beitragen, sondern auch die Designanforderungen reduzieren, da sie eine breitere Palette von Kondensatorbedingungen unterstützt.

Bis zum Ende des Geschäftsjahres 2022 möchte Rohm die LDO-Regler-Serie mit integrierter Nano-Cap-Technologie auf 22 Modelle mit verschiedenen Ausgangsspannungen und Gehäusen ausbauen. Im Jahr 2023 sollen weitere 24 Modelle hinzukommen, die einen Ausgangsstrom von 500 mA unterstützen. Somit dürften Ende des Geschäftsjahres 2023 insgesamt 46 Produkte zur Verfügung stehen, die eine noch breite Anwendungspalette abdecken.

Fazit

Mit Nano Cap und QuiCur bietet Rohm zwei Technologien, um die Designflexibilität bei der Entwicklung von nachhaltigen Stromversorgungsschaltungen zu erhöhen und einen stabilen Betrieb zu gewährleisten. Ausgangskondensatoren mit verkleinerter Kapazität können nicht nur die Anzahl der externen Bauteile und die Montagefläche reduzieren, sondern in Summe auch die Kosten bei Beschaffung, Lagerhaltung, Design-in, Assembly und Test deutlich reduzieren.

Der Autor

Michael Maurer von Rohm
Michael Maurer von Rohm
© Rohm

Michael Maurer

ist Senior Application Marketing Manager bei Rohm Semiconductor Europe. Er arbeitet seit über 30 Jahren als Ingenieur und technischer Marketingleiter und hat bisher zehn Patente angemeldet.

Anbieter zum Thema

zu Matchmaker+

Lesen Sie mehr zum Thema


Das könnte Sie auch interessieren