Spannungsregler

Neue Linearregler lösen alte Probleme

6. November 2014, 10:07 Uhr | Von Bob Dobkin
Diesen Artikel anhören

Fortsetzung des Artikels von Teil 1

Parallelschaltung für Lastverteilung und Wärmespreizung

Die Verteilung der Offset-Spannung des LT3081 liegt im Bereich von 1 mV.
Bild 5. Die Verteilung der Offset-Spannung des LT3081 liegt im Bereich von 1 mV.
© Linear Technologies

Eine Parallelschaltung der Regler – die bei Standardreglern nicht erlaubt ist – wird mit Reglern mit Stromquellenreferenz möglich, diese ist nützlich zur Lastaufteilung und Wärmespreizung. Da die Regler als Spannungsfolger realisiert sind, müssen alle Einstellungs-Pins miteinander verbunden werden, damit sie auf demselben Potenzial liegen. Wenn die Ausgänge alle dieselbe Spannung haben, wird für alle Regler eine kleine Last von einigen mΩ erforderlich, damit die Stromaufteilung möglich wird. Bild 5 zeigt die Verteilung der Offset-Spannung des LT3081. Die Verteilung liegt im Bereich von 1 mV; um eine Aufteilung von 10 % sicherzustellen, genügt daher eine Last von 10 mΩ, um die Strombalance der pa-rallel geschalteten Bauteile sicherzustellen. Der Lastwiderstand kann durch ein Stück Leiterbahn von weniger als 3 cm Länge oder ein Drahtstück dargestellt werden.

Anbieter zum Thema

zu Matchmaker+
Parallelschaltung von zwei LT3081 zur Verdoppelung des Ausgangsstroms auf 3 A.
Bild 6. Parallelschaltung von zwei LT3081 zur Verdoppelung des Ausgangsstroms auf 3 A.
© Linear Technologies

Bild 6 zeigt die Schaltung von zwei parallelen LT3081, um 3 A Ausgangsstrom zu erzielen. Durch den Widerstand Rset fließt nun der doppelte Strom, die Ausgangsspannung beträgt Uausg = 100 μA × Rset und der 10-mΩ-Ausgangswiderstand sichert den erforderlichen Ballaststrom. Für hohe Ströme können beliebig viele Regler parallel geschaltet werden. Werden die Ilim-Pins verwendet, können diese parallel geschaltet werden. Somit reicht für die Einstellung der Strombegrenzung ein einziger Widerstand.

Erhöhung des Ausgangsstroms eines Festspannungsreglers
Bild 7. Erhöhung des Ausgangsstroms eines Festspannungsreglers
© Linear Technologies

Bild 7 zeigt den Betrieb des LT3081 parallel zu einem Festspannungsregler. Eine solche Konfiguration ist nützlich, wenn ein bereits funktionsfähiges System vorhanden ist, das aber zu wenig Ausgangsstrom liefert. Die Ausgangsspannung des Festspannungsreglers wird mittels Teiler auf einige mV reduziert und am Einstellungs-Pin des LT3081 werden 4 mV unter der nominellen Ausgangsspannung eingestellt.

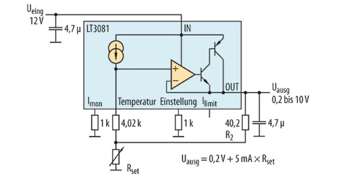
Beschaltung für die Verwendung eines Einstellwiderstandes mit verringertem Wert
Bild 8. Beschaltung für die Verwendung eines Einstellwiderstandes mit verringertem Wert.
© Linear Technologies

So wird sichergestellt, dass ohne Last kein Strom vom LT3081 fließt. Der 20-mΩ-Widerstand reicht aus, um den Offset auszugleichen, und stellt die richtige Stromaufteilung bei höheren Ausgangsströmen sicher.

In einigen Applikation kann der geringe 50-μA-Einstellstrom zu Problemen führen; so können Leckströme zum oder vom Einstellungs-Pin Fehler in der Referenz und bei der Ausgangsspannung erzeugen. Deshalb sind von der Leiterbahn alle Flussmittel- und sonstige Reste zu entfernen und in Umgebung mit hoher Luftfeuchtigkeit ist eine Diffusionssperre erforderlich.

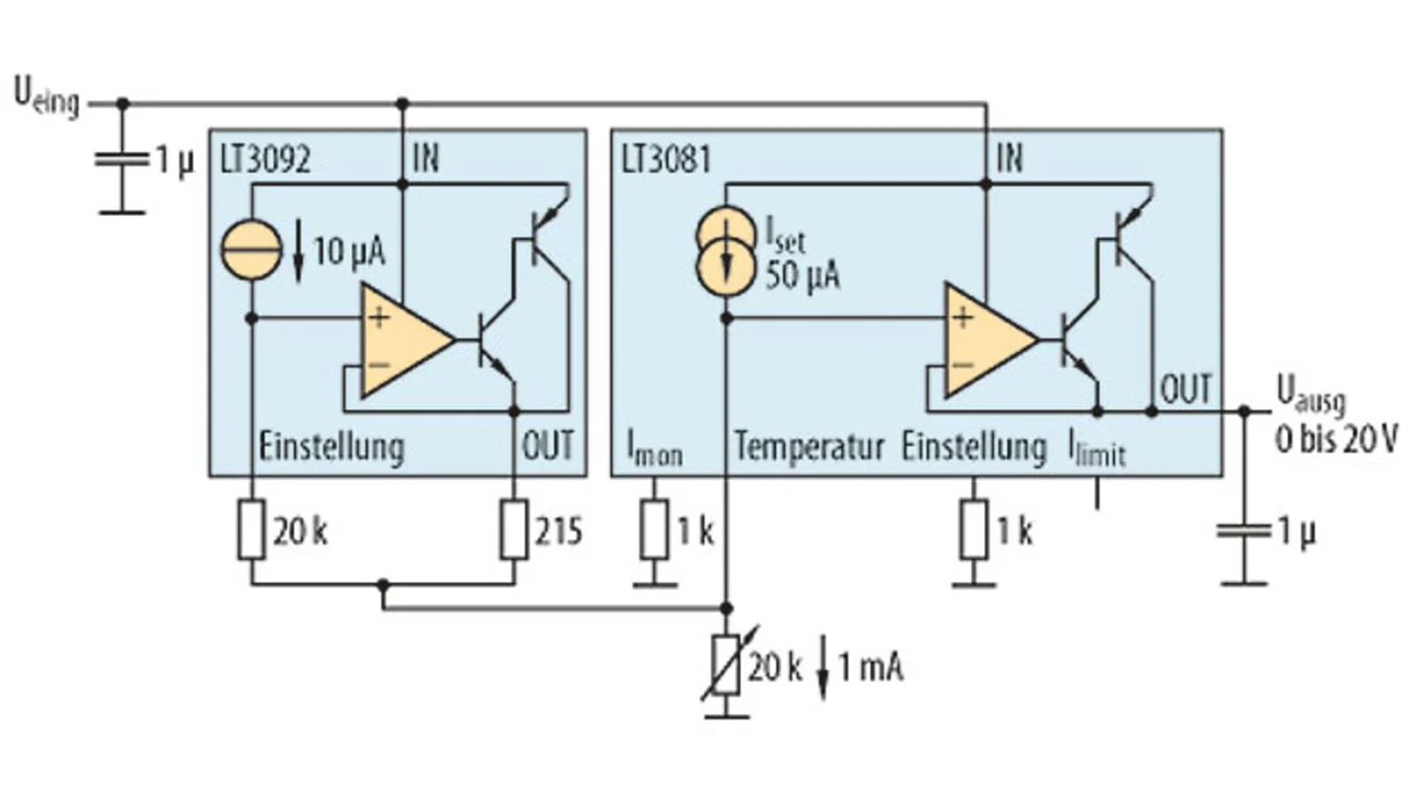
Erzeugung eines externen Referenzstroms mit der Stromquelle LT3092
Bild 9. Erzeugung eines externen Referenzstroms mit der Stromquelle LT3092.
© Linear Technologies

Leckströme können auch mit einem Lötring um den Einstellungs-Pin und Teile der Schaltung können mittels Guard-Ring an den Uausg-Pin angebunden werden. Leckströme können auch zu instabilen Ausgangsströmen führen; dieses Problem kann durch die Erhöhung des Einstellstroms über den nominellen Wert von 50 μA verringert werden.

Bild 8 zeigt solch eine Lösung unter Verwendung eines Rset mit kleinerem Wert. Der Einstellstrom fließt durch den 4-kΩ-Widerstand und erzeugt einen Spannungsabfall von 200 mV. Der Strom durch R2 addiert sich zum Einstellstrom, das ergibt einen Wert von Iset = 1,05 mA nach Masse, die Schaltung ist damit weniger empfindlich auf Leckströme im Bereich des Einstellwiderstandes Rset. Zu beachten ist hier, dass der Spannungsabfall vom Ausgang zum R2 einen Einfluss auf die Regelung hat.

Nutzung des Strom-Monitor-Ausgangs zur Kompensation von Netzeinbrüchen
Bild 10. Nutzung des Strom-Monitor-Ausgangs zur Kompensation von Netzeinbrüchen.
© Linear Technologies

Eine andere Konfiguration verwendet einen LT3092 als externe 1-mA-Stromquelle (Bild 9). Diese bietet einen höheren Einstellstrom und ermöglicht zudem den Betrieb des Ausgangs bis herunter auf Uausg = 0 V.

Der Strom-Monitor-Ausgang kann für die Kompensation von Leitungsspannungsabfall verwendet werden, wie in Bild 10 gezeigt. Das Zuführen des Monitor-Stroms durch einen Teil des Einstellwiderstands aus R1 und R2 erzeugt eine Spannung am Einstellungs-Pin, die den Ausgang als Funktion des Stromes erhöht. Der Wert des Kompensationswiderstands R2 beträgt 5000 × Rleitung und Uausg = 50 μA · (Rset + Rcomp). Auf diese Weise lassen sich einige Volt an Spannungsabfall kompensieren.

 

Der Autor

 

Bob Dobkin 
ist einer der Gründer der Linear Technology Corporation und war bis 1999 verantwortlich für die gesamte Produktentwicklung. Heute wirkt er als Vice President Engineering und Chief Technical Officer des Unternehmens. Zuvor war er elf Jahre lang als Director of Advanced Circuit Development bei National Semiconductor tätig. Er befasst sich seit mehr als 30 Jahren mit der Entwicklung linearer Analog-ICs und hat viele Standard-ICs entwickelt. Er ist Inhaber von mehr als 50 Patenten im Fachgebiet der linearen Analog-ICs und hat mehr als 50 Artikel und Fachbeiträge veröffentlicht. 

  1. Neue Linearregler lösen alte Probleme
  2. Parallelschaltung für Lastverteilung und Wärmespreizung

Lesen Sie mehr zum Thema


Das könnte Sie auch interessieren

Jetzt kostenfreie Newsletter bestellen!