Stromversorgung für HF-Schaltungen

Schaltungen für eine besonders schnelle Lasttransientenantwort

11. Mai 2023, 08:00 Uhr | Xinyu Liang, Harry Schubert
Concept illustration shows the process of turning on the CPU in the motherboard. Digital pulses and signals from the chip propagate through the motherboard. 3d rendering.
© 3dartists – stock.adobe.com

Moderne Funk- und HF-Schaltung können ihre Stromaufnahme sehr schnell ändern. Um der Stromversorgung Zeit zum Einschwingen zu geben, werden Austastzeiten eingeplant – was wenig effizient ist. Es gibt Methoden, mit denen sich Stromversorgungen mit kurzen Einschwingzeiten realisieren lassen.

Diesen Artikel anhören

Digitale ICs zur Signalverarbeitung und SoCs (System-on-Chip) sind in der Regel durch abrupte Änderungen der Leistungsaufnahme gekennzeichnet, und die entstehenden Lastsprünge beeinträchtigen zwangsläufig die Genauigkeit, mit der die Versorgungsspannung geregelt wird. Kritisch ist dies insbesondere in Hochfrequenzschaltungen, da sich die schwankende Versorgungsspannung stark auf die Taktfrequenz auswirkt. Aus diesem Grund werden Lastsprünge bei HF-SoCs meist durch entsprechende Austastzeiten ausgeblendet.

In 5G-Anwendungen wird die Qualität der Informationsübertragung jedoch in hohem Maße von diesen lastsprungbedingten Austastzeiten beeinflusst. Es ist deshalb zunehmend notwendig, die Auswirkungen von Lasttransienten auf die Stromversorgung zu minimieren, um die Leistungsfähigkeit von HF-SoC-Systemen zu verbessern.

Kurze Einschwingzeiten für HF-Schaltungen

Zu den unkompliziertesten Methoden, Versorgungsspannungen mit kurzen Einschwingzeiten zu realisieren, gehört die Verwendung von Reglern, die schnell auf Lastsprünge reagieren. Die ICs der Familie Silent Switcher 3 von Analog Devices zum Beispiel zeichnen sich durch ein außergewöhnlich geringes Ausgangsrauschen im Bereich niedriger Frequenzen, ein schnelles Einschwingverhalten, geringe elektromagnetische Störaussendungen und einen hohen Wirkungsgrad aus.

Kennzeichnend für die Bausteine ist eine äußerst leistungsfähige Fehlerverstärkerschaltung, die auch bei aggressiv eingestellter Kompensation für eine zusätzliche Stabilisierung sorgen kann. Die maximale Schaltfrequenz von 4 MHz erlaubt es, die Regelschleifen-Bandbreite im mittleren dreistelligen Kilohertz-Bereich anzusetzen – bei stromgeführter Regelung auf den Spitzenwert mit konstanter Schaltfrequenz). Die Tabelle bietet einen Überblick über die ICs der Familie Silent Switcher 3, mit denen sich kurze Einschwingzeiten erzielen lassen.

Typmax. Ausgangsstromstärke [A]Abmessungen, Gehäusetypmax. Betriebstemperatur [°C]Besonderheiten
LT8625S8

4 mm × 3 mm LQFN

20 Anschlüsse
125Äußerst rauscharm, kurze Einschwingzeit
LT8625SP8

4 mm × 3 mm LQFN

20 Anschlüsse
150Äußerst rauscharm, kurze Einschwingzeit, Kühlung über die Oberseite
LT8625SP-18

4 mm × 4 mm LQFN

24 Anschlüsse
150Äußerst rauscharm, kurze Einschwingzeit, Kühlung über die Oberseite
LT8627SP16

4 mm × 4 mm LQFN

24 Anschlüsse
150Äußerst rauscharm, kurze Einschwingzeit, Kühlung über die Oberseite
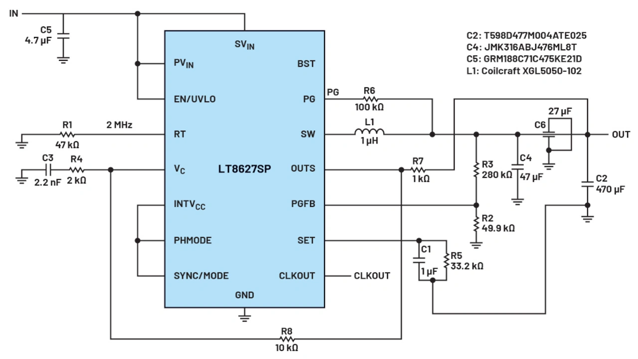
Typische Stromversorgungsschaltung mit dem LT8625SP
Bild 1. Typische Stromversorgungsschaltung mit dem LT8625SP und separierten Ausgängen zum getrennten Anschluss statischer und dynamischer Lasten.
© Analog Devices

In Bild 1 ist eine auf dem LT8625SP basierende typische Stromversorgung mit 1 V Ausgangsspannung dargestellt, konzipiert für ein HF-SoC zum Einsatz in 5G-Anwendungen, die sowohl eine kurze Einschwingzeit als auch ein niedriges Welligkeits- und Rauschniveau benötigt. Zu den mit 1 V versorgten Verbrauchern gehören Sende- und Empfangsschaltungen, Oszillatoren (Local Oscillator, LO) und spannungsgesteuerte Oszillatoren (Voltage Controlled Oscillator, VCO).

Im Gegensatz zu den Sende- und Empfangsschaltungen im FDD-Betrieb (Frequency Division Duplex), bei denen es zu abrupten Änderungen der Stromaufnahme kommt, weisen die LOs bzw. VCOs einen konstanten Laststrom auf. Sie sind dafür aber auf eine hohe Regelgenauigkeit und ein niedriges Rauschniveau angewiesen. Die große Bandbreite des LT8625SP macht es möglich, beide kritischen Gruppen von 1-V-Schaltungen mit einem einzigen IC zu versorgen, indem die dynamischen und die statischen Lasten durch eine zweite Induktivität (L2) voneinander separiert werden.

Lastsprungverhalten der Schaltung aus Bild 1
Bild 2. Das Lastsprungverhalten der Schaltung aus Bild 1 weist eine minimale Abweichung der Ausgangsspannung auf, sodass keine Auswirkungen auf die statische Last eintreten.
© Analog Devices

In Bild 2 ist das Verhalten der Ausgangsspannung bei einem dynamischen Lastsprung von 4 A auf 6 A zu sehen. Die dynamische Last erholt sich so schnell, dass sie binnen 5 µs auf eine Abweichung von weniger als 0,8 % der Spitze-Spitze-Spannung zurückkehrt, wodurch sich die Auswirkungen auf die statischen Lasten auf weniger als 0,1 % der Spitze-Spitze-Spannung beschränken.

Die in Bild 1 gezeigte Schaltung lässt sich darüber hinaus so abwandeln, dass andere Ausgangsspannungs-Kombinationen, zum Beispiel 0,8 V und 1,8 V, möglich sind. Alle eignen sich für die direkte Versorgung des HF-SoCs ohne zwischengeschalteten LDO-Regler (Low Drop Out), da das Ausgangsrauschen im niederfrequenten Bereich äußerst gering ist und zudem eine niedrige Spannungswelligkeit und ultrakurze Einschwingzeiten zu verzeichnen sind.

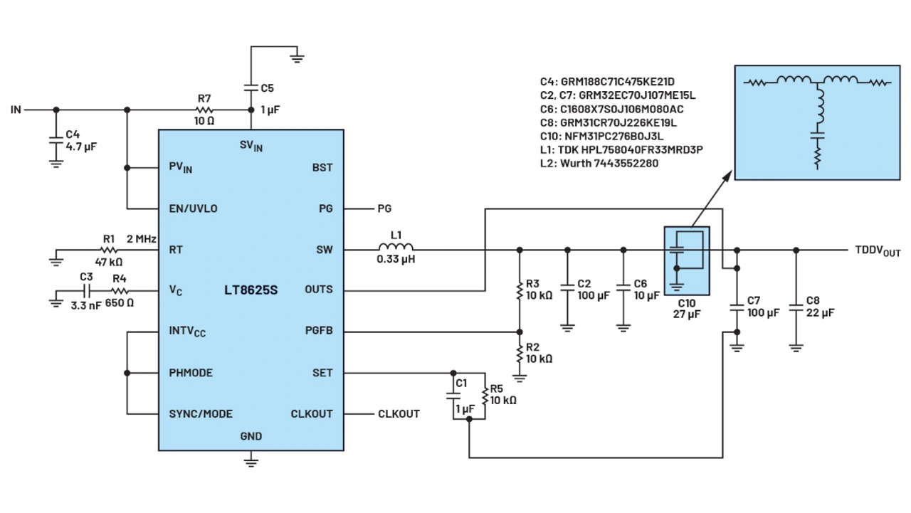
Typische Stromversorgungsschaltung mit dem LT8625SP
Bild 3. Typische Stromversorgungsschaltung mit dem LT8625SP zur gemeinsamen Versorgung einer Kombination aus statischen und dynamischen HF-Lasten.
© Analog Devices

Im TDD-Betrieb wechseln die rauschempfindlichen LO- und VCO-Schaltungen gemeinsam zwischen hoher und niedriger Stromaufnahme, wenn zwischen Sende- und Empfangsbetrieb umgeschaltet wird. Somit kommt hier eine vereinfachte Schaltung wie in Bild 3 in Frage, wenn alle Lasten als dynamische Lasten betrachtet werden und eine Filterstufe für die LO- und VCO-Schaltungen, die ein niedriges Welligkeits- und Rauschniveau benötigen, nachgeschaltet wird.

Ein Durchführungskondensator mit drei Anschlüssen kann beispielsweise für eine hinreichende Filterung sorgen. Die minimale effektive Induktivität bewirkt dabei, dass die nötige große Bandbreite zur Bewältigung der Lastsprünge gewahrt bleibt. Gemeinsam mit den Ausgangskondensatoren ergibt der Durchführungskondensator zwei weitere LC-Filterstufen, wobei sämtliche Induktivitäten von den effektiven Serien-Induktivitäten des Durchführungskondensators gebildet werden, der sehr klein ist und sich weniger ungünstig auf das Einschwingverhalten auswirkt.

Verbessertes Einschwingeigenschaften
Bild 4. Ein Durchführungskondensator verbessert die Einschwingeigenschaften unter gleichzeitiger Beibehaltung einer minimalen Ausgangsspannungswelligkeit.
© Analog Devices

Ebenfalls in Bild 3 zu sehen ist die Silent-Switcher-3-Familie realisierte, einfache Verbindung für die Messung der Ausgangsspannung direkt an der Last. Wegen der besonderen Technik zur Erzeugung der Referenzspannung und für die Rückkopplung muss lediglich eine Verbindung des am SET-Pin liegenden Kondensators (C1) und eine Verbindung des OUTS-Pins an die Last-Anschlüsse herangeführt werden. Pegelumsetzer-Schaltungen werden dafür nicht benötigt.

Bild 4 illustriert das Verhalten bei einem Lastsprung von 1 A mit einer Erholzeit von <5 µs und einer Ausgangsspannungs-Welligkeit von <1 mV.

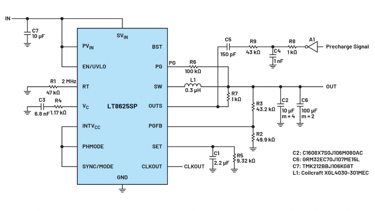
Precharge-Signale ermöglichen eine kurze Einschwingzeit

In einigen Fällen steht eine leistungsfähige Signalverarbeitungseinheit mit hinreichend vielen GPIO-Leitungen zur Verfügung und die Signalverarbeitung ist so gut planbar, dass die Lastsprünge im Voraus bekannt sind. Dies ist in der Regel bei einigen Stromversorgungsschaltungen für FPGAs der Fall, bei denen durch Erzeugung eines Precharge-Signals ein günstigeres Lastsprungverhalten der Stromversorgung herbeigeführt werden kann.

Anschluss des Precharge-Signals an den OUTS-Pin des T8625SP
Bild 5. An den OUTS-Pin des T8625SP wird ein Precharge-Signal geführt, um für eine kurze Einschwingzeit zu sorgen.
© Analog Devices

In Bild 5 ist eine typische Stromversorgungsschaltung zu sehen, in der ein Precharge-Signal von einem FPGA genutzt wird, um vor dem tatsächlichen Lastsprung eine Vorspannung zu generieren. Die Abstimmschaltung vom GPIO-Pin des FPGA zum Eingang des Inverters wurde weggelassen. Das Precharge-Signal wirkt als Störgröße auf die Rückkopplung ein. Dem LT8625SP wird dadurch zusätzliche Zeit gegeben, um sich auf die bevorstehende Laständerung einzustellen, sodass die Ausgangsspannung kaum beeinflusst wird und keine längere Erholzeit entsteht.

Kurze Erholzeit nach dem Lastsprung
Bild 6. Dank des Precharge-Signals kommt der T8625SP auf eine kurze Erholzeit nach dem Lastsprung.
© Analog Devices

Der Pegel wird in der Schaltung auf 35 mV eingestellt. Um zu verhindern, dass sich das Precharge-Signal auf den statischen Zustand auswirkt, ist zwischen Precharge-Signal und OUTS-Pin ein Hochpassfilter eingefügt. Aus Bild 6 ist die Reaktion auf einen Lastsprung von 1,7 A auf 4,2 A zu entnehmen. Da das Precharge-Signal vor dem eigentlichen Lastsprung auf den OUTS-Anschluss gegeben wird, beträgt die Erholzeit weniger als 5 µs.

Schaltungstrick für eine extrem kurze Einschwingzeit

In Beamforming-Schaltungen wird die Versorgungsspannung ständig verändert, um wechselnde Leistungen zu berücksichtigen. Die Versorgungsspannung muss deshalb meist nur mit einer Genauigkeit von 5 % bis 10 % geregelt werden. In einer solchen Schaltung hat die Stabilität einen höheren Stellenwert als die Spannungsgenauigkeit, da eine minimierte Erholzeit nach einem Lastsprung für maximale Effizienz bei der Datenverarbeitung sorgt.

Eine Stromversorgungsschaltung, die einen Spannungsfall aktiv generiert, eignet sich perfekt für diese Anwendung, denn die „einbrechende“ Spannung bewirkt, dass die Erholzeit geringer wird oder gänzlich eliminiert wird.

Widerstand zwischen OUTS-Pin und VC-Pin.
Bild 7. Zwischen dem OUTS-Pin und dem VC-Pin des LT8627SP befindet sich ein Widerstand, der einen Spannungsfall verursacht und so für eine kurze Einschwingzeit sorgt.
© Analog Devices

In Bild 7 ist eine solche Schaltung für den LT8627SP dargestellt. Zwischen dem invertierenden Eingang des Fehlerverstärkers (OUTS-Pin) und dem Ausgang (VC-Pin) befindet sich hier ein zusätzlicher Widerstand R8, um während des Lastsprungs einen statischen Fehler in der Regelschleife aufrecht zu erhalten. Die Höhe des Spannungsfalls (Differenzspannung) lässt sich wie folgt berechnen:

ΔU=R7R7+R8×ΔUA-ΔIAg

Bei ∆UA handelt es sich um die vom Lastsprung verursachte anfängliche Spannungsänderung, ∆IA ist die vom Lastsprung verursachte Stromänderung und g die Stromverstärkung zwischen VC-Pin und Schalt-Transistor. Beim Entwurf der in Bild 7 gezeigten Schaltung müssen einige Dinge beachtet werden:

  • Der Strom durch R8 sollte nicht größer sein als die maximal zulässige Stromstärke des VC-Pins. Für den Ausgang des Fehlerverstärkers des LT8627SP ist es sinnvoll, den Strom auf unter 200 µA zu begrenzen, um eine Sättigung zu verhindern. Hierfür können die Widerstandswerte von R7 und R8 entsprechend abgeändert werden.
  • Bei der Höhe des Spannungsfalls muss die Ausgangskapazität berücksichtigt werden, damit sich die während des Lastsprungs auftretende Spannungsänderung auf einem ähnlichen Niveau bewegt wie die generierte Differenzspannung, sodass eine minimale Erholzeit nach dem Lastsprung erreicht wird.
Aktiv erzeugter Spannungsfall.
Bild 8. Durch einen aktiv erzeugten Spannungsfall kann das Einschwingverhalten so verbessert werden, dass die Erholzeit des LT8627SP nach einem Lastsprung minimiert wird.
© Analog Devices

Bild 8 zeigt typische Signalverläufe der gerade beschriebenen Schaltung bei einem Lastsprung von 1 A auf 16 A und zurück auf 1 A. Hierbei ist anzumerken, dass die Geschwindigkeit des Lastsprungs von 16 A auf 1 A nicht mehr durch die Bandbreite, sondern durch die minimale Einschaltzeit des Reglers begrenzt wird.

Schnelle Regler zur Versorgung von HF-Schaltungen

Der Funk- bzw. HF-Sektor wird nicht nur zunehmend rechenintensiver, sondern wegen der zeitkritischen Eigenschaften der schnellen Signalverarbeitung auch durch die Einschwingzeit beeinflusst. Bei der Systementwicklung stehen Ingenieure deshalb unweigerlich vor der Aufgabe, die Einschwingzeit der Stromversorgung so zu verkürzen, dass sich die daraus resultierenden Austastzeiten minimieren lassen.

Die Bausteinfamilie Silent Switcher 3 verkörpert die nächste Generation monolithischer Regler-ICs, optimiert für rauschempfindliche Lasten mit hochgradig dynamischer Leistungsaufnahme, wie sie in Funk-, Industrie-, Rüstungs- und medizinischen Anwendungen verwendet werden. Abhängig von den Lastbedingungen ist es mit besonderen Techniken und Schaltungen möglich, das Einschwingverhalten weiter zu verbessern.

Der Autor

Xinyu Liang von Analog Devices
Xinyu Liang von Analog Devices
© Analog Devices

Xinyu Liang

arbeitet als Applications Engineering Manager in der Industrial and Multimarket Group von Analog Devices und befasst sich schwerpunktmäßig mit Stromversorgungsprodukten. Er promovierte 2018 an der North Carolina State University im Fach Elektrotechnik und begann seine Tätigkeit bei Analog Devices im Jahr 2019 nach Abschluss seines Studiums.

passend zum Thema


Lesen Sie mehr zum Thema


Das könnte Sie auch interessieren