Signal Conditioning

Damit Signale unverfälscht ankommen

25. August 2020, 13:30 Uhr | Majid Dadafshar
ON Semiconductor
© pathdoc | stock.adobe.com

Signale erfahren auf dem Weg vom Sender zum Empfänger eine Qualitätsminderung. Das betrifft insbesondere die schnellen Bussysteme wie PCI Express und USB 3 und 4. Wie kommen diese Effekte zustande und wie lässt sich gegensteuern?

Diesen Artikel anhören

Da die Strukturgrößen in der Halbleiterfertigung auf 10 nm, 7 nm und perspektivisch sogar bis 5 nm hinabreichen, lassen sich mehr Funktionen pro Chipfläche integrieren. In mobilen Anwendungen geht der Trend hin zu höheren Frequenzen und Datenraten sowie einer Optimierung der Verlustleistung, indem die Core-Spannungen der Prozessoren auf 0,9 V, 0,8 V, 0,56 V oder sogar noch niedriger gesenkt werden.

ON Semiconductor
Bild 1: Die Augenöffnung verringert sich, wenn die Spannung abgesenkt wird.
© ON Semiconductor

Durch den Betrieb bei höheren Frequenzen und niedrigeren Betriebsspannungen werden die Schwellenwerte oder das gültige Datenfenster für ein Datenbit viel kleiner, was sich sowohl auf die Stromverteilung durch die Leiterbahnen und Versorgungslagen als auch auf die Größe der Augenöffnung (im Augendiagramm, Bild 1) auswirkt. Das durch den Betrieb mit höherer Frequenz und niedrigerer Spannung verursachte kleinere Auge erhöht die Wahrscheinlichkeit von Fehlern bei der Datenübertragung und somit die Bitfehlerrate, was eine erneute Übertragung des Datenstroms erforderlich macht. Um diesen erneut zu übertragen, befindet sich der Prozessor für einen längeren Zeitraum im aktiven Modus, was zu mehr Verlustleistung führt und die möglich Nutzungsdauer mobiler Anwendungen verringert.

Kommen in einem HF-Design noch andere Herausforderungen wie Signaldämpfung, Reflexion, Impedanzanpassung, Jitter usw. hinzu, wird deutlich, wie die Signalverluste es dem Empfänger erschweren, die Informationen richtig zu interpretieren. Somit erhöht sich die Fehlerwahrscheinlichkeit.

ON Semiconductor
Bild 2: Gewinnung des Taktsignals durch Abtastung aus dem Datenstrom.
© ON Semiconductor

HF-Effekte bei digitalen Datenleitungen

Der Empfänger tastet die Daten an den Flanken eines Referenztakts ab (Bild 2). Je größer die Augenöffnung ist, desto einfacher ist es, den Abtasttakt (CLK) in die Mitte eines bestimmten Bits zu setzen, um die Daten abzutasten. Jede Dämpfung der Amplitude, jede Reflexion oder jeder Jitter machen das Auge im Augendiagramm kleiner sowie das Datenfenster und die Bitzeit enger, was zu einem Fehler auf der Empfangsseite führt.

Die Frage ist nun, ab wann bei einer Übertragungsstrecke die Hochfrequenzeffekte berücksichtigt werden müssen. Ein Niederfrequenzdesign liegt vor, wenn die Wellenlängen viel größer als die Leitungslänge sind und der Widerstand von Leiterbahnen und Verbindungsstellen nicht frequenzabhängig ist, sodass die Auswirkungen der Übertragungsleitung vernachlässigbar sind. HF-Designs liegen vor, wenn die Wellenlänge viel kleiner als die Leitungslänge ist und alle physikalischen Eigenschaften und Verbindungsabmessungen einer Leiterbahn beachtet und angepasst werden müssen, damit eine Übertragungsleitung mit ihren elektrischen Eigenschaften für eine bestimmte Anwendung erhalten werden kann.

ON Semiconductor
Bild 3: Jitter.
© ON Semiconductor

Der Punkt, an dem Verbindungen als HF-Übertragungsleitung behandeln sollten, ist, wenn bei der höchsten Betriebsfrequenz die Leiterbahnlänge etwa 1/10 der Wellenlänge dieser Frequenz überschreiten könnte. Ab diesem Punkt müssen die Leiterbahnen mit Verlustelementen modelliert werden und alle frequenzabhängigen Elemente einschließlich parasitärer Kapazitäten und Induktivitäten und deren Auswirkungen auf die Signaldämpfung berücksichtigt werden.

ON Semiconductor
Bild 4: Umverteilung des Stromflusses, verursacht durch den Skin-Effekt.
© ON Semiconductor

Eine andere Möglichkeit zu entscheiden, bei welcher Frequenz eine Verbindung als Übertragungsleitung zu behandelt werden sollte, ist ein genauerer Blick auf die Anstiegszeit des Signals (tr). In den meisten Prozessknoten im Nanometerbereich weisen die Signale mit hoher Datenrate steile Anstiegs- und Abfallzeiten auf, womit ein Kanal oder eine Verbindung als Übertragungsleitung zu behandeln ist. Wenn diese Signale durch den Kanal laufen, dann werden die Verluste im Kanal und die Ausbreitungseigenschaften dieses Signals durch dessen Anstiegszeit bestimmt.

ON Semiconductor
Bild 6: Leiterplattenebenen und Ursachen für Impedanzänderungen.
© ON Semiconductor

Ausbreitungsgeschwindigkeit

Eektrische Signale sind elektromagnetische Wellen, und ihre Ausbreitungsgeschwindigkeit v hängt von der Dielektrizitätskonstante εdes sie umgebenden Materials ab. Die Ausbreitungsgeschwindigkeit ergibt sich aus:

ON Semiconductor

© ON Semiconductor

Die Ausbreitungsgeschwindigkeit für eine verlustfreie Übertragung im Vakuum (Dielektrizitätskonstante = 1) beträgt 3 × 108 m/s und unterscheidet sich von der Geschwindigkeit einer Welle in einer Übertragungsleitung mit einer Dielektrizitätskonstante von 4, indem sie die Geschwindigkeit halbiert (1,5 × 108 m/s). Diese Geschwindigkeitsdifferenz verursacht eine Zeitverzögerung, die als Ausbreitungsverzögerung (Td) bezeichnet wird und vom Ausbreitungsmedium sowie von der Entfernung abhängt, die das Signal zurücklegen muss.

Td = s / vp
Td: Ausbreitungsverzögerung
s: zurückgelegte Entfernung
vp: Ausbreitungsgeschwindigkeit

ON Semiconductor
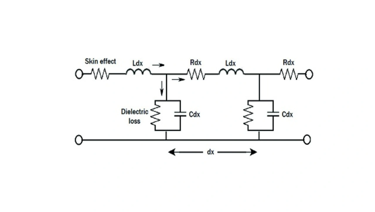
Bild 7: Übertragungsleitung mit Verlustelementen.
© ON Semiconductor

Was passiert, wenn sich ein Signal (CLK) in der Außenlage einer Leiterplatte gegen ein anderes Signal (Daten) ausbreitet, das sich auf einer Innenlage bewegt, wo sich auf der einen Seite freier Raum befindet, während auf der anderen Seite eine Dielektrizitätskonstante vorhanden ist? In vielen Designs müssen die HF-Signale auf einem Teil ihres Weges Verbindungs- oder Flexkabel durchlaufen, was zu Verzögerungen und Abweichungen in der Amplituden- und Timing-Wellenform führt. Die Abweichung im Timing oder jeder zusätzliche Verlust, der durch die verringerte Signalgeschwindigkeit, Übersprechen oder die vom dielektrischen Material absorbierte Energie verursacht wird, erzeugt eine Abweichung im Timing und in der Amplituden, was als Jitter bezeichnet wird (Bild 3). Hier müssen Entwickler die Laufzeit zwischen verschiedenen Signalen anpassen. Da sich das Datensignal in der inneren Ebene langsamer ausbreitet, muss seine Länge reduziert werden, um es an die Laufzeit des CLK-Signals anzupassen.)

ON Semiconductor
Bild 8: Auswirkung prasitärer Effekte auf Z0 und die Signalintegrität.
© ON Semiconductor

Skin-Effekt und Wellenwiderstand

Betrachtet man nach Bild 4 einen Teil eines Leiters (C1) und einen Strom I(t), der durch ihn fließt, wird aufgrund des Ampèreschen Gesetzes ein Fluss erzeugt, der proportional zum durch den Leiter fließenden Strom ist. Betrachtet man nur einen Leiter allein (ohne andere Leiter in unmittelbarer Nähe) – erzeugen die Flusslinien (B1) im Leiter C1 einen zirkulierenden Wirbelstrom in einer Richtung, die dem Feld B1 entgegengesetzt ist. Mit zunehmender Frequenz begrenzt der Skin-Effekt die Ströme auf den äußeren Teil des Leiters, was den effektiven Widerstand und die entsprechenden Verluste erhöht (Bilder 4 und 5).

Spannungen und Ströme werden auf einer Leitung zusammen übertragen und sind Funktionen der Position (x) und der Zeit (t). Der Wellenwiderstand (charakteristische Impedanz) (Z0) einer Übertragungsleitung ist ein frequenzabhängiger Widerstand und das Verhältnis der sich ausbreitenden Spannungswelle zur sich ausbreitenden Stromwelle.

ON Semiconductor

© ON Semiconductor
ON Semiconductor

© ON Semiconductor

Wenn sich sowohl die Spannungswelle V(x,t) als auch die Stromwelle I(x,t) zusammen ausbreiten und die Abschlussimpedanz erreichen, verlangt das Ohmsche Gesetz, dass V(x,t)/I(x,t) gleich der Abschlussimpedanz (ZL) ist.

ON Semiconductor

© ON Semiconductor

Durchläuft ein HF-Signal eine Leiterplatte oder seinen Weg von einer Lage zu einer anderen, verändert sich die Impedanz. Leiterplatten weisen viele Lagen auf, mit entsprechend vielen Leiterbahnen und Durchkontaktierungen (Vias), sodass sich die Impedanz an jedem beliebigen Punkt ändert (Bild 6). Zusätzlich treten parasitäre Effekte auf wie die Eigen- und wechselseitige Kapazitäten und Induktivitäten.

Nun sollen Verlustelemente wie parasitäre Induktivitäten, Kapazitäten, Wechselstrom-Oberflächenwiderstand und Gleichstromwiderstand berücksichtigt werden, wie sie jedem System vorhanden sind. Eine parasitäre Kapazität (Cdx) kann die Stromverteilung verändern, wodurch sich der Wellenwiderstand der Übertragungsleitung und Z0 ändern (Bild 7).

Da der Skin-Effekt die Amplitude des eingehenden Signals abschwächt, kann die Spannung an den parasitären Induktivitäten die Anstiegs- und Abfallzeit der Spannung an der Last verschlechtern, was sich die Signalqualität auswirkt (Bild 8).

ON Semiconductor
Bild 9: Einfallende und reflektierte Wellen.
© ON Semiconductor

Spannungsreflexionskoeffizient

Durchläuft ein HF-Signal einen anderen Pfad oder ändert es seinen Weg von einer Lage zu einer anderen, ändet sich die Impedanz. Durch eine korrekte Abschlussimpedanz ZL der Leitung lassen sich die Signale mit minimaler Verzerrung übertragen. Wenn ZL nicht gleich der charakteristischen Impedanz der Leitung (Z0) ist, muss ein Paar reflektierter Spannungs- und Stromwellen vorliegen. Dieses reflektierte Signal überlagert dann das Quellensignal und verursacht Verzerrungen. Der Spannungsreflexionskoeffizient ist gleich Null, wenn der Lastabschluss (ZL) gleich der charakteristischen Impedanz der Übertragungsleitung (Z0) ist. Die gesamte einfallende Welle wird dann vom angepassten Lastabschluss absorbiert. Wenn Spannungs- und Stromwellen sich zusammen ausbreiten und die Abschlussimpedanz erreichen, müssen die gesamte einfallende Welle sowie alle reflektierten Wellen von V/I gleich der Abschlussimpedanz (ZL) sein (Bild 9).

ON Semiconductor
Bild 10: Sequenz aufeinanderfolgender reflektierter Wellen.
© ON Semiconductor

Impedanzfehlanpassung und Reflexion

Nun sei eine 50-Ω-Übertragungsleitung betrachtet, die mit einer 150-Ω-Abschluss-impedanz oder einem überdämpften Schaltkreis abgeschlossen ist (Bild 10). Der Einfachheit halber wird die Impedanz der Batterie mit 0 Ω angenommen, was die reflektierte Welle zurück in Richtung der Last zwingt. Die Zeitverzögerung wird so eingestellt, dass die Welle eine bestimmte Länge (l) zurücklegt: td = l/vp. Was passiert an der Last, wenn der Schalter (S) geschlossen wird?

Die aufeinanderfolgenden reflektierten Wellen, die zwischen der Quelle und der Abschlussimpedanz hin- und herlaufen, bewirken, dass dieses Signal das Quellensignal überlagert und auf der Signalleitung ein Klingeln (»Ringing«, Bild 10) erzeugt.

ON Semiconductor
Bild 11: Durch Reflexion verursachtes Ringing.
© ON Semiconductor

Bei der Berechnung des Reflexionskoeffizienten sowohl am Abschluss als auch an der Quelle lässt sich der Anteil der einfallenden Welle, der den Abschluss erreicht, ermitteln und zusätzlich auch der Anteil der reflektierten Welle zurück zur Quelle. Das Überschwingen mit größeren Spannungen (Bild 11) kann die Baugruppe mit mehr Abstrahlung belasten und mehr Übersprechen zwischen benachbarten Leiterbahnen erzeugen. Das Unterschwingen hingegen, das durch Ringing oder einen Spannungseinbruch während der Einschwingzeit verursacht wird, kann die Bitfehlerrate erhöhen.

System mit und ohne Re-Driver

Für einige mobile Anwendungen, die z. B. USB 3.1 Gen 2 mit einer Datenrate von 10 Gb/s verwenden, gibt es ein Gesamtverlustbudget in dB, einschließlich aller Verluste der Verbindungskanäle. Das Verlustbudget umfasst alles auf dem Weg vom Chip zum Steckverbinder: Chipgehäuse, Leiterbahnen, Durchkontaktierungen, Flexkabel, Gleichtaktfilter und Steckverbinder. Um eine gute Signalqualität für ein USB-C-Gen-2-System aufrechtzuerhalten, ohne die Größe der Leiterplatte und die Platzierung der Bausteine einzuschränken, ist ein Re-Driver die kostengünstigste Lösung.

ON Semiconductor
Bild 12: Signalpfade und Signalverschlechterung.
© ON Semiconductor

Bei einem Smartphone oder einem Tablet sieht man, dass die digitalen HF-Signale vom Anwendungsprozessor über die Leiterbahnen, Durchkontaktierungen, Anschlüsse, Flexkabel bis zum USB-Anschluss übertragen werden. Signale mit hoher Datenrate können dabei beeinträchtigt werden, bevor sie das 1 m lange Kabel durchlaufen (Bild 12). Durchlaufen die Signale eine Übertragungsstrecke, wird die Amplitude des Signals gedämpft – und je nach Länge der Strecke kann diese Dämpfung groß genug sein, um bei hohen Datenraten die Signalintegrität zu beeinträchtigen.

Ein Re-Driver kann als Signalaufbereitungsbaustein ein Signal wiederherstellen, das über während der Übertragung mit Verlusten beaufschlagt wurde. Er kann den Pegel dieses wiederhergestellten Signals erhöhen, eine längere Übertragungsstrecke für dieses Signal ermöglichen und Bitfehler durch eine größere Augenöffnung verringern (Bild 13).

Re-Driver mit programmierbarer differenzieller Ausgangsspannung stellen sicher, dass die Verstärkung mit der Leitungsimpedanz und der Leiterbahnlänge übereinstimmt. Signale werden entzerrt, und Probleme mit der Signalintegrität lassen sich beheben. Zu beachten ist, dass eine Erhöhung der differenziellen Ausgangsspannung am Treiber das Empfangssignal zwar verbessert, aber auch den Rausch- und Jitteranteil erhöht.

ON Semiconductor
Bild 13: Ein Re-Driver vergrößert die Augenöffnung.
© ON Semiconductor

Hohe Datenraten nur mit sauberen Signalen

Faktoren, die zur Signalintegrität beitragen, wie Kanalverlust und Signalreflexionen durch Impedanzfehlanpassung, treten bei jeder Datenübertragung vom Prozessor über die Platine, Vias, vom Flexkabel zur Leitung und umgekehrt auf. Bei der Schnittstelle kommt es darauf an, die Impedanzanpassung über den gesamten Signalpfad aufrechtzuerhalten, um Reflexionen zu vermeiden und eine maximale Leistungsübertragung zu gewährleisten. Jede Impedanzfehlanpassung führt zu Reflexionen auf der Leitung, die den Jitter erhöhen und möglicherweise die Signalqualität beeinträchtigen.

Ohne Re-Driver wäre es schwierig oder fast unmöglich, die elektrischen System- und Protokollkonformitätstests bei Datenraten über 10 Gb/s zu bestehen. Tests kurzer und langer Kanäle ohne Re-Driver zeigen, dass sich die Gesamtstrecke des Übertragungskanals für ein Signal mit hoher Datenrate verkürzt und sich die Interoperabilität zwischen Sender und Empfänger verschlechtert. (jk


Lesen Sie mehr zum Thema