Backup-Anwendungen

SuperCaps effizient laden

22. Dezember 2014, 9:01 Uhr | John Bazinet, Steve Knoth und Sam Nork
© Linear Technology

Mit ständig sinkenden Produktionskosten füllen SuperCaps die Nische zwischen konventionellen Kondensatoren und Batterien und Akkus aus.Welche Vor- und Nachteile haben Superkondensatoren im Vergleich mit anderen Energiespeichern? Was ist zu beachten, wenn ich mehrere SuperCaps in Serie schalten will?

Diesen Artikel anhören
Bild 1: Energie- und Leistungsdichte unterschiedlicher Speicherelemente
Bild 1: Energie- und Leistungsdichte unterschiedlicher Speicherelemente
© Linear Technology

Viele moderne Backup-Systeme setzen auf Superkondensatoren als Energiespeicher. So ersetzen sie beispielsweise Batterien in Datenspeicherapplikationen, weil sie hohe Ströme liefern können. Darüber hinaus finden sie auch Einsatzgebiete in Anwendungen mit hohen Spitzenleistungen und tragbaren Geräten, die hohe Strombursts oder zeitweise ein Backup für die Batterie brauchen. Verglichen mit Batterien, liefern Superkondensatoren Bursts mit höherer Leistung in kleineren Formfaktoren und haben eine längere Lebensdauer bezüglich Ladezyklen über einen weiten Betriebstemperaturbereich.

Im Gegensatz zu normalen Keramik-, Tantal- oder Elektrolytkondensatoren besitzen Superkondensatoren eine höhere Energiedichte und höhere Kapazität bei einem ähnlichen Formfaktor und Gewicht (Bild 1). Außerdem lässt sich die Lebenszeit von Superkondensatoren durch Reduktion der Top-off-Spannung des Kondensators und dem Vermeiden von Temperaturen über +50 °C weiter steigern. Tabelle 1 vergleicht die Superkondensatoren mit Kondensatoren und Batterien, während Tabelle 2 die jeweiligen Vor- und Nachteile von Batterien, einzelnen Superkondensatoren und in Serie geschaltete Superkondensatoren gegenüberstellt.

 

Anbieter zum Thema

zu Matchmaker+
Parameter Superkondensatoren Kondensatoren Batterien 
Lade-/Entladezeit Millisekunden bis Sekunden Pico- bis Millisekunden eine bis zehn Stunden 
Entladeverlaufschnell, starker Spannungsabfallschnell, starker Spannungsabfallkonstante Spannung über eine lange Zeitspanne
Formfaktorkleinklein bis großklein bis groß
Gewicht1 g bis 2 g1 g bis 10 kg1 g bis über 10 kg
Energiedichte1 Wh/kg bis 5 Wh/kg0,01 Wh/kg bis 0,05 Wh/kg8 Wh/kg bis 600 Wh/kg
Betriebsspannung2,3 V bis 2,75 V pro Zelle6 V bis 800 V1,2 V bis 4,2 V pro Zelle
Lebensdauer>100k Zyklen>100k Zyklen150 bis 1500 Zyklen
Betriebstemperatur -40 °C bis +85 °C -20 °C bis +100 °C -20 °C bis +65 °C 

Tabelle 1: Vergleich von Superkondensatoren mit Kondensatoren und Batterien


 Vorteile Nachteile 
Batterien gute Energiedichte; ausreichende Leistungsdichte hoher ESR bei tiefen Temperaturen 
Superkondensatorenausreichende Energiedichte; gute Leistungsdichte; niedriger ESR auch bei tiefen Temperaturenbegrenzt auf maximal 2,5 V oder 2,75 V; hoher Einschaltstrom (inrush current); kein Verpolschutz
Serienschaltung von Superkondensatoren bessere Energieausnutzung (E = ½CU²); einfachere »Dying gasp«/Backup-Schaltungen (Tiefsetz- statt Hochsetzsteller); geeignet für hohe Leistung und industrielle Temperaturbereiche  

nicht angepasste Kapazitäten; zunehmende Fehlanpassung (Balancing nötig); Kapazität und ESR sinken nicht immer gleich schnell; sinkende Kapazität beschleunigt Überspannungen und hohe Temperaturen

Tabelle 2: Vor- und Nachteile von Batterien und Superkondensatoren


In Serie geschaltete SuperCaps

Superkondensatoren haben also einige Vorteile, besonders wenn mehrere in Serie geschaltet werden. Dann lässt sich wegen der höheren Spannung statt eines Aufwärts- ein wesentlich einfacherer Abwärtswandler einsetzen. Allerdings sehen sich die Entwickler auch folgenden Problemen gegenüber: Zellenabgleich, Zerstörung durch Zellenüberspannung während des Ladens, Ziehen exzessiver Ströme und eine sperrige Lösung, wenn das Platzangebot eingeschränkt ist.

Der Abgleich der Zellen bei in Reihe geschalteten Kondensatoren stellt sicher, dass die Spannung an jeder Zelle ungefähr gleich ist; eine starke Fehlanpassung kann den Superkondensator durch Überspannung zerstören. Eine externe Schaltung mit je einem Abgleichwiderstand pro Zelle löst dieses Problem. Der Wert des Abgleichwiderstands hängt von der Betriebstemperatur und dem Lade-/Entladeprofil des Superkondensators ab. Um den Stromverbrauch aufgrund des Abgleichwiderstands auf die Energiespeicherung des Superkondensators zu begrenzen, können die Entwickler alternativ eine aktive Abgleichschaltung mit sehr geringem Stromverbrauch einsetzen.

Eine weitere Quelle der Fehlanpassung sind unterschiedliche Selbstentladeströme. Diese Leckströme in den Kondensatorzellen sind anfangs recht hoch und sinken mit der Zeit auf geringere Werte. Wenn aber der Leckstrom zwischen den in Reihe geschalteten Zellen unterschiedlich ist, können die Zellen während des Ladens einer Überspannung ausgesetzt sein, sofern der Entwickler die Leckverluste nicht mit den Abgleichwiderständen ausgleichen. Abgleichwiderstände belasten die Applikationsschaltung jedoch mit unerwünschten Komponenten und einem Laststrom.

Diese Probleme stellen an die Power-Management-Schaltung folgende Anforderungen: 

  • Hoher Wirkungsgrad und hoher Ladestrom: Eine auf- und/oder abwärtswandelnde Lade- und Abgleichschaltung mit hohem Wirkungsgrad und hohem Strom enthält alle Eigenschaften und Funktionen, die erforderlich sind, um die Vorzüge der Superkondensatoren zu nutzen. Diskret aufgebaute Lösungen sind zwar möglich, jedoch komplizierter, größer, haben einen geringeren Wirkungsgrad und sind ungenauer. 
  • Hohe Genauigkeit und Fähigkeit zur Lastverteilung: Eine Eingangsstrombegrenzung mit einem Fehler von ±2% und eine Verteilung der Eingangslast ermöglichen es mehreren Verbrauchern, gemeinsam die volle Kapazität derselben Energiequelle mit minimalem Derating/Margin zu nutzen. Diese Funktion ist mit einer diskret aufgebauten Lösung nur sehr schwer zu erzielen. 
  • Aktiver Abgleich: Die meisten Superkondensatorsysteme nutzen den passiven Abgleich mit Widerständen, was aber zusätzliche Verluste erzeugt. Der aktive Abgleich schiebt Ladung zwischen den Kondensatoren hin und her, was Leistungsverluste minimiert und eventuell erforderliche nachträgliche Ladezyklen eliminiert. 

Lösung auf einem Chip

Ein auf-/abwärtswandelndes Superkondensator-Lade-IC, das die genannten Probleme löst, muss also über die folgenden Eigenschaften verfügen: 

  • Es muss effizient und flexibel im Aufwärts- oder Abwärtswandelmodus arbeiten, 
  • den aktiven Ladeabgleich mit programmierbarer maximaler Kondensatorspannung durchführen, 
  • einen hohen Ladestrom liefern, 
  • eine genaue, programmierbare Begrenzung für den mittleren Eingangsstrom besitzen, 
  • eine kompakte, flache Lösung bieten und 
  • über ein modernes Gehäuse mit verbesserter thermischer Leistung und effektiver Raumausnutzung verfügen. 

Der »LTC3128« besitzt laut Hersteller Linear Technology all die vorgenannten Eigenschaften und kann einen oder zwei in Reihe geschalteten Superkondensatoren aktiv laden und abgleichen. Er hat eine Durchschnittsstrombegrenzung, die mit ±2% Fehler bis zu 3 A programmiert werden kann, was die Überlastung der Energiequelle und gleichzeitig die Ladezeit des Kondensators minimiert. Der aktive Ladeabgleich eliminiert energiefressende Symmetrierwiderstände und stellt einen abgeglichenen Betrieb und Ladung – selbst mit schlecht angepassten Kondensatoren – sowie weniger häufige Ladezyklen sicher. Die Kondensatorspannung lässt sich programmieren und klemmt aktiv die Spannung an jedem Kondensator in der Reihenschaltung und sichert einen zuverlässigen Betrieb, da Kondensatoren altern und mit der Zeit Fehlanpassungen ausbilden.

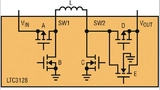
Bild 2: Typische Backup-Anwendungsschaltung des »LTC3128« von Linear Technology
Bild 2: Typische Backup-Anwendungsschaltung des »LTC3128« von Linear Technology
© Linear Technology

Die rauscharme auf-/abwärtswandelnde Topologie erlaubt es, den Ausgangskondensator zu laden, egal ob dessen aktuelle Spannung über oder unter der Eingangsspannung liegt. Die synchronen Schalter mit geringem RDS(on) und geringer Gate-Ladung sorgen für eine effiziente Wandlung und minimieren die Ladezeit der Speicherelemente. Diese Kombination an Eigenschaften prädestiniert den LTC3128 zum sicheren Laden und zum Schutz von großen Kondensatoren in Backup-Anwendungen von Stromversorgungen (Bild 2).

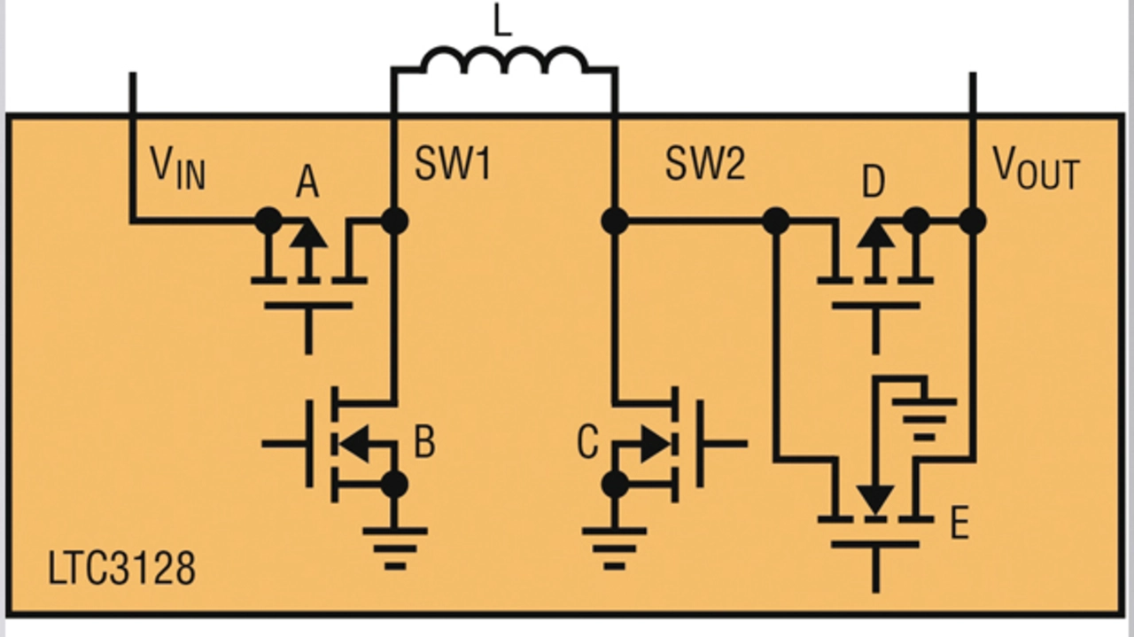
Bild 3: Ladetopologie des LTC3128
Bild 3: Ladetopologie des LTC3128
© Linear Technology

Die Eingangsstrombegrenzung und die maximale Kondensatorspannung des Bausteins werden jeweils mit nur einem Widerstand programmiert. Der Durchschnittseingangsstrom lässt sich über den Bereich von 0,5 A bis 3 A einstellen, die jeweilige maximale Kondensatorspannung zwischen 1,6 V und 3,0 V.

Bild 4: Wirkungsgrad des LTC3128 in Abhängigkeit von der Ausgangsspannung bei 0,5 A
Bild 4: Wirkungsgrad des LTC3128 in Abhängigkeit von der Ausgangsspannung bei 0,5 A
© Linear Technology

Weitere Eigenschaften des LTC3128 sind ein Ruhestrom von unter 2 µA aus VOUT im Burst-Modus, Power-Good- und Power-Fail-Anzeigen sowie Schutz bei thermischer Überlastung.

Der Chip verwendet eine PWM-Steuerung mit fester Frequenz und gemitteltem Eingangsstrom zum Laden des beziehungsweise der Kondensatoren. Ein proprietärer Schaltalgorithmus erlaubt es der Ladeschaltung, zwischen auf- und abwärtswandelnden Modi umzuschalten, ohne den Spulenstrom zu unterbrechen oder die Charakteristik der Regelschleife zu ändern (Bild 3). Zwei Schalter (D und E) verbinden die Pins SW2 mit VOUT, um einen hohen Wirkungsgrad über den gesamten Ausgangsspannungs¬bereich zu sichern. Der LTC3128 hat einen Wirkungsgrad von über 90% (Bild 4).

Über die Autoren:

John Bazinet ist Staff Scientist, Steve Knoth ist Product Marketing Manager und Sam Nork leitet das Boston Design Center, alle im Bereich Power Products von Linear Technology.


Lesen Sie mehr zum Thema


Das könnte Sie auch interessieren

Jetzt kostenfreie Newsletter bestellen!