Eine Frage der Einstellung

2. März 2007, 13:51 Uhr | James Bailey und Werner Bach

Der Universalkalibrator hat sich für die Eichung von digitalen Multimetern, Oszilloskopen und Leistungsmessern in fast allen Elektrolabors einen festen Platz erobert. Seine Bedeutung liegt in der Fähigkeit, Spannung, Strom und andere Größen mit extrem hoher Genauigkeit über einen sehr weiten Bereich auszugeben. Trotzdem gibt es immer noch viele Geräte, die sich nicht ohne weiteres mit einem einem solchen Instrument kalibrieren lassen, etwa ein einfaches Netzgerät.

Diesen Artikel anhören

Der Universalkalibrator hat sich für die Eichung von digitalen Multimetern, Oszilloskopen und Leistungsmessern in fast allen Elektrolabors einen festen Platz erobert. Seine Bedeutung liegt in der Fähigkeit, Spannung, Strom und andere Größen mit extrem hoher Genauigkeit über einen sehr weiten Bereich auszugeben. Trotzdem gibt es immer noch viele Geräte, die sich nicht ohne weiteres mit einem einem solchen Instrument kalibrieren lassen, etwa ein einfaches Netzgerät.

Nicht alleine der Kalibrator ist für genaue Messungen verantwortlich, bei fast jedem Kalibrieraufbau findet sich an seiner Seite auch ein hoch auflösendes Digitalmultimeter. Jedoch gibt es trotz dieser Kombination immer noch viele Geräte, für deren Kalibrierung entsprechende Zusatzausstattung notwendig ist.

Eine Lösung besteht darin, dem Universalkalibrator, etwa einem Gerät der Serie »3000« des Herstellers Transmille (Vertrieb: CompuMess), Mess- und Steuerungsfunktionen hinzuzufügen. Die Gerätekosten erhöhen sich dadurch nur geringfügig, der Arbeitsdurchsatz hingegen umso mehr. Bei Kalibratoren für Anwendungen in der Prozesskontrolle sind Messfunktionen natürlich schon seit langem nicht mehr wegzudenken. Welche Vorteile jedoch Messungen mit einem Universalkalibrator bieten, ist weniger bekannt, da ja in fast jedem Kalibrierlabor ein DMM (digitales Multimeter) vorhanden ist. Tatsächlich werden die Vorteile, Gleichspannungsmessungen mit einem Universalkalibrator durchzuführen, erst in Verbindung mit einem externen Adapter für spezielle Funktionen voll ersichtlich (Bild 1). Dieser externe Adapter kann ein relativ einfaches Gerät sein, da er über keine genauen und teuren Referenzquellen, Prozessoren, Anzeigen und Computerschnittstellen verfügen muss.

Bild1_03.jpg
Bild 1. Allerlei Prüfadapter für die Universalkalibratoren der Serie 3000

Der Großteil der erforderlichen Elektronik ist bereits im Kalibrator vorhanden. In Kombination mit einem PCbasierten virtuellen Bedienfeld für die Steuerung des gesamten Systems lässt sich damit nahezu jedes gewünschte Gerät virtuell über eine vertraute, bedienerfreundliche Benutzeroberfläche kalibrieren (Bild 2). Anhand der folgenden Beispiele von Messungen, die üblicherweise in einem Kalibrierumfeld stattfinden, soll veranschaulicht werden, wie dieses Konzept in der Praxis funktioniert.

Bild2_02.jpg
Bild 2. Modularer Aufbau hilft bei der Lösung mannigfaltiger Kalibrierprobleme

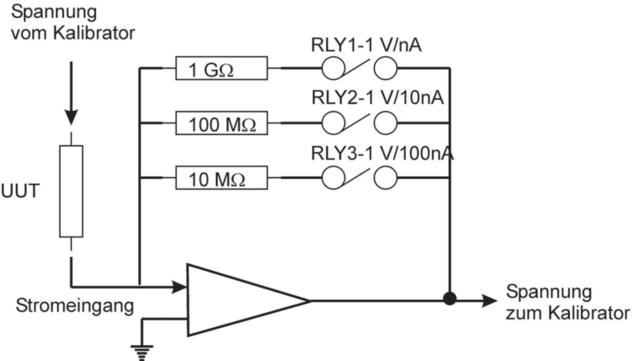
Zum Messen von hohen elektrischen Widerständen wird normalerweise an den unbekannten Widerstand eine hohe Spannung angelegt, der durchfließende Strom gemessen und dann der Wert mithilfe des ohmschen Gesetzes (U/I = R) berechnet.

Daraus lässt sich leicht erkennen, dass zum Bestimmen hoher elektrischer Widerstände nichts anderes nötig ist als eine exakte Hochspannungsquelle, ein Mittel zum Messen von niedrigen Strömen sowie ein bisschen Rechenleistung. Eine exakte Hochspannungsquelle ist bereits im Kalibrator vorhanden, die Rechenleistung liefert ein PC – fehlt also nur noch die Hardware für die Strommessung. Die erforderlichen Strommessbereiche richten sich nach dem Widerstandswert und der verwendeten Messspannung und gehen normalerweise von wenigen Picoampere bis zu 100 µA. Ein DMM ist für die Messung dieses Stroms aus zwei Gründen nicht geeignet:

  • Die Empfindlichkeit reicht nicht aus.
  • Der Eingang muss erdpotenzialfrei sein, oder anders ausgedrückt, der Eingangswiderstand muss gegen null gehen. Fast alle DMMs messen Strom als Spannungsabfall über einen Widerstand und haben in Niedrigstrombereichen einen nicht zu vernachlässigenden Eigenwiderstand, der im Endeffekt in Serie mit dem zu messenden Widerstand geschaltet ist.

Ein Schaltkreis für die Umwandlung von Nanoampere in Spannung ist relativ einfach, wie in Bild 3 zu sehen ist. Der Kalibrator liefert alles, was sonst noch nötig ist: die Stromversorgung, Spannungsquelle und -messung sowie Steuerfunktionen zur Auswahl der Bereiche. Ein PC in Verbindung mit einer Software zur Steuerung virtueller Bedienanzeigen ist alles, was notwendig ist, um all diese Komponenten ohne großen Kostenaufwand zu einem Elektrometer zusammenzuschließen.

Bild3_07.jpg
Bild 3. Ein Schaltkreis, der niedrigste Ströme in Spannung wandelt

  1. Eine Frage der Einstellung
  2. Autoren:

Jetzt kostenfreie Newsletter bestellen!