Optical Isolators Compared

Bye-bye Optocoupler?

8. November 2019, 5:30 Uhr | Wolf-Dieter Roth, HY-LINE Power Components
Diesen Artikel anhören

Fortsetzung des Artikels von Teil 2

Good digital sound minus jitter

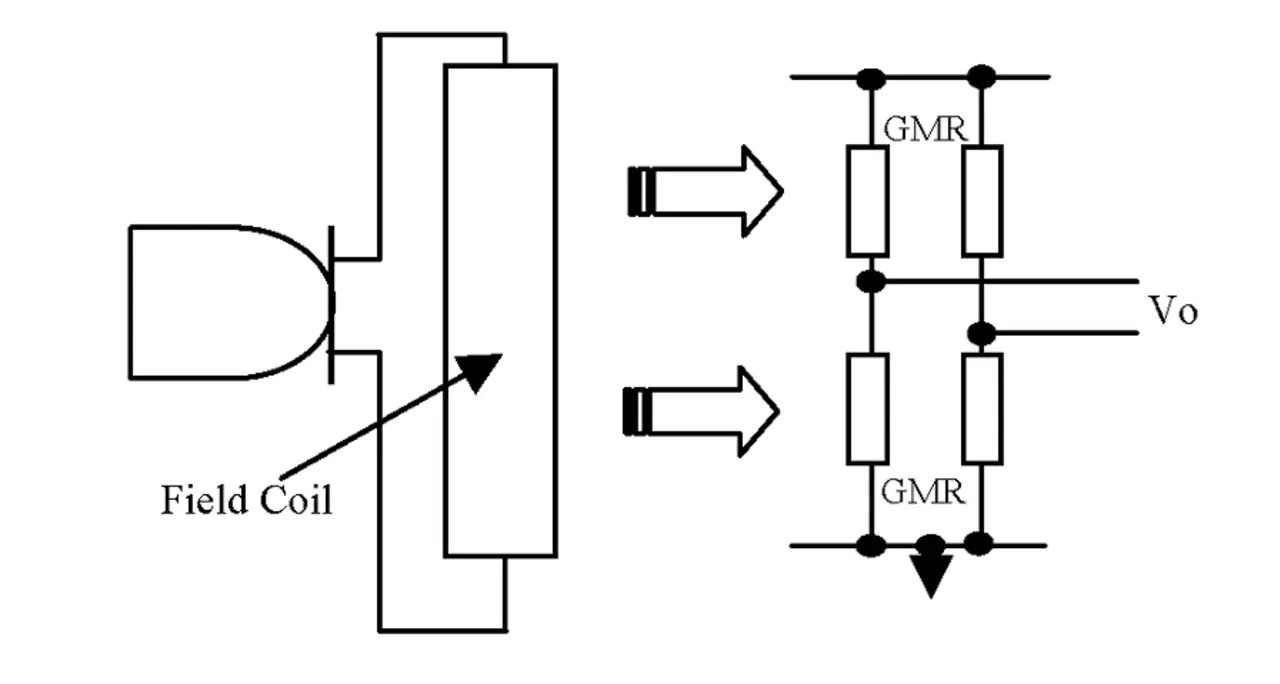
To eliminate aging processes GMR and TMR couplers are integrated as bridges.
Fig. 6. To eliminate aging processes GMR and TMR couplers are integrated as bridges.
© NVE | HY-LINE Power Components

A further benefit of GMR couplers is minimal jitter: Producer NVE specifies this at just 100 ps – a rating less than that of other systems and an advantage in digital audio and video. Galvanic isolation is needed here to avoid bothersome ticking and breaks through
interference, new sound errors in the supposedly errorfree digital audio world.

Also useful are isolating couplers with low jitter in precision measuring systems or clock generators, ensuring accurate and low-noise measurements. The GMR element itself can transmit up to 2 GHz. The data rate of the complete NVE Isoloop coupler is at the moment up to 150 Mbit/s. 600 Mbit/s is planned for LVDS interfaces.

Compared to other couplers, GMR technology means less standby current. Power demand does not increase until high data rates. High temperature strength (up to 125°C) and stability and a wide variety of devices are further plus points. 2500 V isolation voltage (except MSOP package) and 20 to 30 kV/s transient interference strength are standard for Isoloop couplers, devices are obtainable for up to 6 kV isolation voltage. Furthermore, changes in specifications caused by aging (Fig. 4) are less by a factor of 100 than for optocouplers, and at 44,000 years the isolation barrier has practically unlimited lifetime.

Although such a young technology, Isoloop couplers are already very
versatile
. Relevant standards for bill of materials, isolation, operating safety and RFI suppression are complied with. The couplers come in SMD, MSOP and QSOP packages. ‘True8 designs’ are also available that offer true 8 mm cree-page distance according to IEC 60601,
which is often not the case with standard packages. NVE manufacture is IATF 16949-conformant and devices will also comply with the upcoming VDE 0884-11.

TMR – more economical

Longer known than the giant magnetoresistive effect is the tunnel magnetoresistive effect (TMR), also of the spintronics category: This was discovered in 1975 by M. Jullière at Rennes University in France. Since the changes in resistance at room temperature are less than one percent, and this quantum effect was only noticeable at temperatures close to absolute zero, there seemed to be no practical use to begin with. It was not until 1994 that Terunobu Miyazaki at Tohoku University in Japan was able to create a ‘giant TMR’ with 18 percent change in resistance.

TMR can also be used in data couplers instead of GMR, as implemented in the IL01x series. Here the data rates may be somewhat less (maximum 10 Mbit/s), but standby current is very much less because the TMR bridges can be created far more high-resistance. A data channel thus manages with 0.3mA standby current, a complete data transceiver for RS485, for example, with 2.4 mA. So the isolator circuits can also be supplied from batteries or a current loop. TMR couplers can also be useful if minimal heat is important in an assembly.

If DC/DC converters are used for galvanically isolated operating voltage supply to the secondary side of a data coupler, the especially low current consumption of GMR and TMR technology can create problems however: The output voltage of many DC/DC converters increases to more than nominal in the absence of a load. Hy-Line Power Components can offer suitable DC/DC converters as a solution.

About the author

Wolf-Dieter Roth ist technischer Redakteur bei HY-LINE Power Components.
© HY-LINE Power Components

Wolf-Dieter Roth is technical editor of HY-LINE Power Components.


  1. Bye-bye Optocoupler?
  2. Optocouplers and their weak points or hall effect as a solution?
  3. Good digital sound minus jitter

Matchmaker+