Software Defined Radio

Demokratisierung der Weltraumkommunikation

12. August 2023, 10:30 Uhr | Von Mark Patrick, Harry Schubert
Kleinen Satelliten in niedrigen Erdumlaufbahnen Plattformen für die Datenübertragung. Elektronikentwickler mit SDR-Entwicklungskits, die von vielen Open-Source-Softwaretools und Communities unterstützt werden
© immimagery|stock.adobe.com

Mit kleinen Satelliten in niedrigen Erdumlaufbahnen bieten Unternehmen und Forschungsinstitute Plattformen für die Datenübertragung. Elektronikentwickler können die Dienste sehr einfach nutzen – mit SDR-Entwicklungskits, die von vielen Open-Source-Softwaretools und Communities unterstützt werden.

Diesen Artikel anhören

Fortsetzung des Artikels von Teil 1

ADALM-PLUTO von Analog Devices

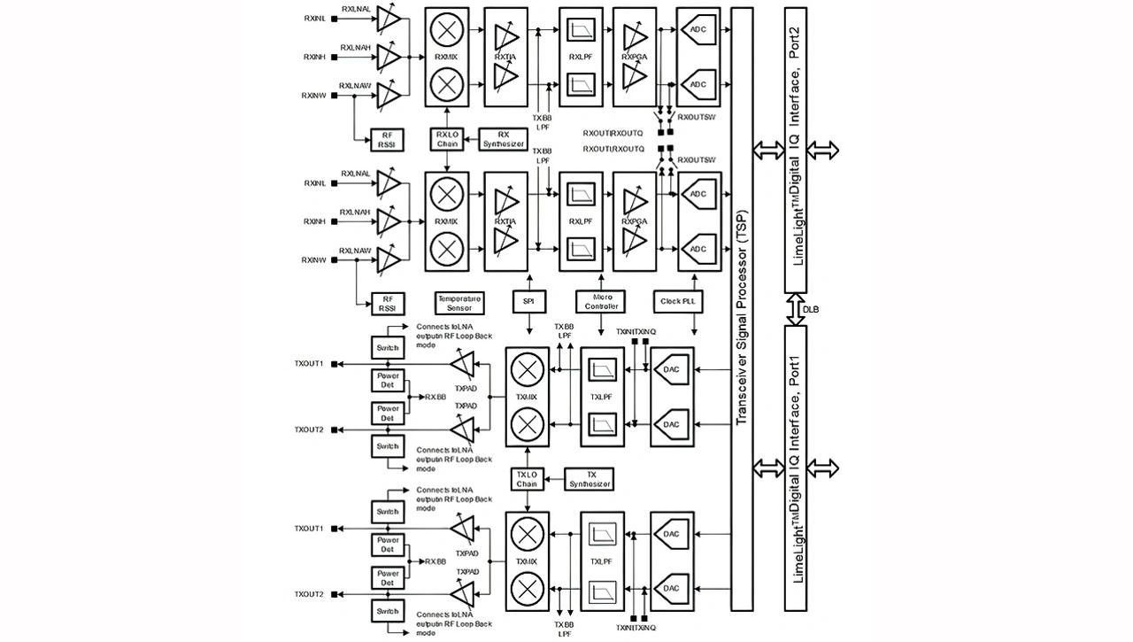
Blockschaltung des Field-Programmable-RF-Transceiver-ICs LMS7002M von Lime Microsystems
Bild 3. Das SDR-Modul ADALM-PLUTO von Analog Devices eignet sich als Lernmodul und Prototyping-Plattform.
© Analog Devices

Das SDR-Modul ADALM-PLUTO von Analog Device mit USB-Interface für den Anschluss an einen PC ist eine Lernplattform für HF-Technik. Es bietet einen Empfangspfad und einen Sendepfad und ist sowohl im Halb- als auch im Vollduplexbetrieb einsetzbar. Der HF-Bereich reicht von 325 MHz bis 3,8 GHz. Er lässt sich kontinuierlich nutzen, mit einer maximalen Momentan-Bandbreite von 20 MHz. Dieses SDR-Modul erfüllt alle Anforderungen an eine kostengünstige HF-Prototyping-Plattform, die in ein umfangreicheres System integriert oder als eigenständiges Gerät in einer Test- und Messumgebung im Labor eingesetzt werden kann.

Das ADALM-PLUTO (Bild 3) beinhaltet den HF-Transceiver-IC AD9363 [15] von Analog Devices und ein FPGA Zynq Z7010 von Xilinx. Entwickler können für das ADALM-PLUTO nicht nur die umfassende Open-Source-SDR-Software nutzen, sondern sie können es auch über die MathWorks-Programmiersprache MATLAB und die Simulationssoftware Simulink ansteuern. Mit diesen Entwicklungstools lässt sich ADALM-PLUTO auch in den Bereichen Analyse, Forschung und modellbasierte Entwicklung einsetzen.

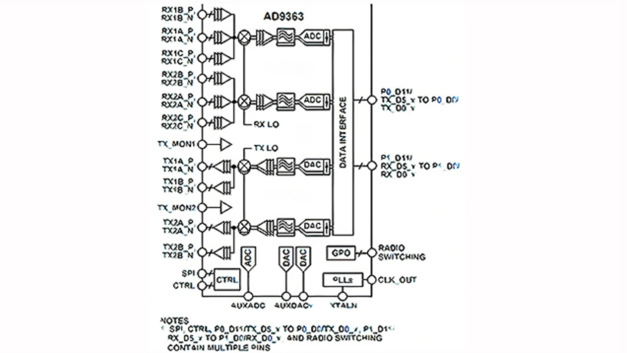
Blockschaltung des HF-Transceivers AD9363 von Analog Devices, der im ADALM-PLUTO-SDRModul eingesetzt wird
Bild 4. Blockschaltung des HF-Transceivers AD9363 von Analog Devices, der im ADALM-PLUTO-SDRModul eingesetzt wird.
© Analog Devices

Der HF-Transceiver-IC AD9363 von Analog Devices eignet sich für zahlreiche Anwendungen in den Bereichen Mobilfunk, Videodatenübertragung, Satellitenkommunikation und Amateurfunk. Er hat sechs differenzielle Empfängerpfade bzw. zwölf unsymmetrische und vier differenzielle Senderausgänge (Bild 4).

Für die Synthese der Fractional-N-Frequenzen der Empfangs- und Sendekanäle sind vollständig integrierte PLLs (Phase-Locked-Loops) zuständig. Die maximale Sendeleistung beträgt +7 dBm bis +8 dBm, je nach Sendefrequenz.

Das HF-Verstärker-Evaluierungsboard EV1HMC8413 von Analog Devices kann eine Sendeleistung von +19 dBm abgeben
Bild 5. Das HF-Verstärker-Evaluierungsboard EV1HMC8413 von Analog Devices kann eine Sendeleistung von +19 dBm abgeben.
© Analog Devices

Um höhere Sendeleistungen zu erzielen, bietet Analog Devices ergänzend ein Verstärker-Evaluierungsboard EV1HMC8413 [16]. Dieses Modul (Bild 5) ist die Evaluierungsplattform für den Breitband- HF-Verstärker-IC HMC8413 [17], der eine Verstärkung auf +19 dBm über den Bereich von 10 MHz bis 7 GHz erlaubt. Zu den typischen Anwendungsbereichen des HMC8413 zählen die Verstärkung des Ausgangs eines Lokaloszillator-ICs in einer Mischerschaltung oder die Verstärkung der Ausgangsleistung des ADALM-PLUTO.

LimeSDR von Lime Microsystems

Die HF-Evaluierungsboards LimeSDR (oben) und LimeSDR Mini (unten) für den HF-Transceiver LMS7002M von Lime Microsystems
Bild 6. Die HF-Evaluierungsboards LimeSDR (oben) und LimeSDR Mini (unten) für den HF-Transceiver LMS7002M von Lime Microsystems.
© Lime Microsystems

Seine SDR-Evaluierungsboards bietet Lime Microsystems in zwei Varianten an, als LimeSDR und LimeSDR Mini (Bild 6). Sie beinhalten den Field-Programmable-HF-Transceiver-IC LM7002M [18] von Lime Microsystems.

Der LM7002M kann durchgängig im Frequenzbereich von 100 kHz bis 3,8 GHz betrieben werden, bietet zwei Transceiver-Pfade, ist vollduplex- und zeitduplexfähig und unterstützt eine programmierbare HF-Modulationsbandbreite von 160 MHz. Die SDR-Module eignen sich für das Prototyping zahlreicher Software-definierter Funkanwendungen, von IoT- und Machine-to-Machine-Netzwerken (M2M) über Small-Cell-Funkkommunikation bis zum Empfang von Wettersatellitenbildern. Zu den weiteren Anwendungsbeispielen der LimeSDR-Module zählen Radioastronomie, Audio-/Video-Datenübertragung und Drohnensteuerung.

Blockschaltung des Field-Programmable-RF-Transceiver-ICs LMS7002M von Lime Microsystems
Bild 7. Blockschaltung des Field-Programmable-RF-Transceiver-ICs LMS7002M von Lime Microsystems
© Lime Microsystems

Die SDR-Module beinhalten auch einen FPGA (Altera Cyclone IV von Intel) mit 256 MByte DDR2-SDRAM und einen temperaturkompensierten Quarzoszillator (TCXO, Temperature Compensated Crystal Oscillator) RPT7050 von Rakon. Die HF-Ausgangsleistung beträgt bis zu +10 dBm. Zudem bieten die LimeSDR-Module sechs Empfangskanäle und vier Sendepfade für das LimeSDR; zwei für das LimeSDR Mini. Bild 7 zeigt die Blockschaltung des LMS7002M FPRF-Transceiver-ICs.

Die LimeSDR-Evaluierungsboards werden von gängiger Open-Source-SDR-Software wie SDR Console, GNU-Radio, SoapySDR, UHD und Pothos vollständig unterstützt. Beispielprojekte können bei MyriadRF abgerufen werden. Auf der Community-Seite von Lime Microsystems werden auch Projekte wie beispielsweise MarconiISSta [19] vorgestellt. Dieses Projekt wird von der Technischen Universität Berlin geleitet und von der ESA und dem Deutschen Zentrum für Luft- und Raumfahrt (DLR) unterstützt. Ein LimeSDR auf der Internationalen Raumstation führt eine Kartierung des globalen Funkspektrums durch. Damit sollen Störungen erkannt und eine bessere Zusammenarbeit bei der gemeinsamen Nutzung des Spektrums gefördert werden.

Literatur

[1] Nanosatellites: A Basic Guide to Nanosatellites. Alén Space, Website, https://alen.space/basic-guide-nanosatellites
[2] Dodgshun, J.: Space for the masses as helium balloons and remote control planes reach through the stratosphere. Europäische Kommission, 16. November 2016, https://ec.europa.eu/research-and- innovation/en/horizon-magazine/space- masses-helium-balloons-and-remote- control-planes-reach-through-stratosphere
[3] School of Engineering: Warwick University Satellite Project: WUSAT-3 CubeSat Project. University of Warwick, Website, https://warwick.ac.uk/fac/sci/eng/meng/wusat/projects/wusat-3
[4] Surrey Space Centre. University of Surrey, Website, https://www.surrey.ac.uk/surrey-space-centre
[5] Participate in ESA Academy’s very first CubeSat Summer School. The European Space Agency, Website, 24. Januar 2022, www.esa.int/Education/ESA_Academy/Participate_in_ESA_Academy_s_very_first_CubeSat_Summer_School
[6] Your Gateway to Space: Satellite, Lunar and Deep Space Communications. Goonhilly Earth Station, Website, https://www.goonhilly.org
[7] Satellites. SDR-Radio.com, Website, www.sdr-radio.com/satellites
[8] GNU Radio project, Website, www.gnuradio.org
[9] Democratising Wireless Innovation. Lime Microsystems, Website, https://myriadrf.org
[10] AMSAT Amateur Radio in Space. Radio Amateur Satellite Corporation, Website, www.amsat.org
[11] Koch, D.: ADI SDR Transceivers Enable Amateur Space Communication. Analog Devices, AnalogDialogue, Januar 2020, www.analog.com/en/analog-dialogue/articles/adi-sdr-transceivers-enable- amateur-space-communication.html
[12] Es’hail 2 / QO-100. AMSAT-UK, Website, https://amsat-uk.org/satellites/geo/eshail-2
[13] ADALM-PLUTO Overview. Analog Devices, Website, https://wiki.analog.com/university/tools/pluto
[14] LimeSDR. Lime Microsystems, Website, https://limemicro.com/products/boards/limesdr
[15] AD936x Family. Analog Devices, Website, www.analog.com/en/ applications/technology/sdr-radioverse-pavilion-home/wideband-transceivers/ad936x-family.html
[16] EVAL-HMC8413: Evaluating the HMC8413 Low Noise Amplifier, 0.01 GHz to 9 GHz. Analog Devices, Website, www.analog.com/en/design-center/evaluation-hardware-and-software/evaluation-boards-kits/eval-hmc8413.html
[17] HMC8413: Low Noise Amplifier, 0.01 GHz to 9 GHz. Analog Devices, Website, www.analog.com/en/products/hmc8413.html
[18] Lime Microsystems LMS7002M FPRF Transceiver ICs. Mouser Electronics, Website, www.mouser.de/new/lime-microsystems/lime-microsystems-lms7002m-transceiver-ics
[19] MarconISSta. Lime Microsystems, Website, https://limemicro.com/
community/marconissta

Der Autor

Mark Patrick von Mouser Electronics

© Mouser Electronics

Mark Patrick

ist als Technical Marketing Manager für EMEA bei Mouser Electronics für die Erstellung und Verbreitung technischer Beiträge verantwortlich. Bevor er das technische Marketingteam leitete, war Patrick Teil des EMEA-Lieferanten-Marketingteams und spielte eine wichtige Rolle beim Aufbau und der Entwicklung von Beziehungen zu wichtigen Fertigungs- partnern. Neben einer Vielzahl von technischen und Marketingpositionen war er zuvor acht Jahre bei Texas Instruments im Anwendungssupport und im technischen Vertrieb tätig. Patrik hat sein Elektrotechnikstudium an der Universität Coventry mit Auszeichnung abgeschlossen


  1. Demokratisierung der Weltraumkommunikation
  2. ADALM-PLUTO von Analog Devices


Lesen Sie mehr zum Thema