Störung ausgeschlossen

EMV in der regenerativen Energieerzeugung

25. September 2013, 10:36 Uhr | Nach Unterlagen von EPCOS

Weltweit nimmt die Nutzung der regenerativen Energieerzeugung zu. Für immer mehr und immer komplexere Systeme und Anlagen wächst der Bedarf an EMV-Lösungen - vor allem auf dem Gebiet neuer, leistungsstarker Umrichter. Entsprechende passive Bauelemente sorgen darin für die störungsfreie Netzanbindung.

Diesen Artikel anhören

Rotoren, Generatoren, Getriebe und Stromrichter von Windkraftanlagen erleben eine rasante Weiterentwicklung, weil sich damit deren Leistungsfähigkeit deutlich steigern lässt. So werden heute bereits Leistungen von 2,5 MW und mehr erreicht. Durch den Einsatz von Frequenzumrichtern mit Pulsbreitenmodulation (PWM) zur Übertragung der Gesamtleistung aus dem Generator lässt sich beispielsweise eine Windturbine besser ausnutzen. Möglich macht dies eine Anpassung der Drehzahl an die Windgeschwindigkeit. Ein weiterer Vorteil besteht in der Möglichkeit, den Phasenwinkel durch den Frequenzumrichter dem Bedarf anzupassen. Aufgrund der getakteten Arbeitsweise der Umrichter entstehen jedoch Störungen im Bereich der Schaltfrequenzen. Abhängig vom Design liegen diese im Frequenzbereich zwischen 1 kHz und 5 kHz. Diese Schaltfrequenzen werden sich durch die Weiterentwicklung der Leistungshalbleiter zukünftig noch erhöhen.
Jede Abweichung von der idealen Sinusform führt in Stromnetzen und letztendlich auch bei den Verbrauchern zu Verlusten. Entsprechend hoch sind die Anforderungen der Netzbetreiber bezüglich Vermeidung von Verzerrungen und Oberwellen. Gängige Praxis ist heute der Einsatz von Netzdrosseln am Ausgang des Umrichters. Auf diese Weise wird bereits eine gute Annährung an die ideale Sinusform erreicht.

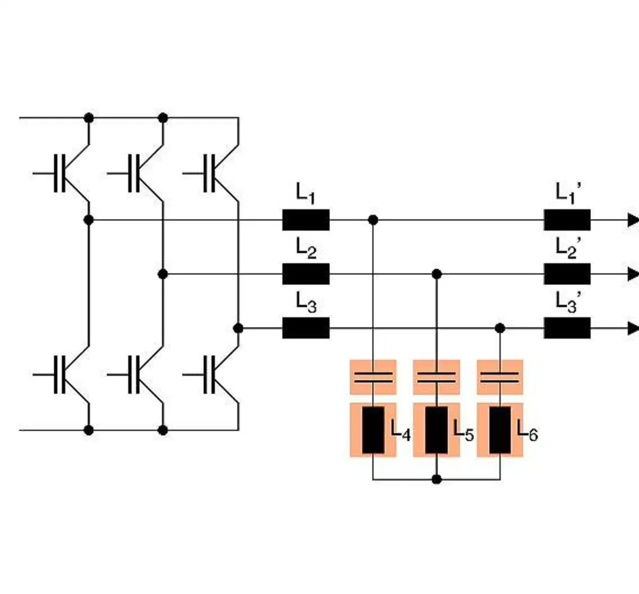
Bild 1: Die kombinierten Drosseln L4 bis L6 von Epcos bilden zusammen mit den Kondensatoren einen Saugkreis, der die Taktfrequenzen des Umrichters dämpft
Bild 1: Die kombinierten Drosseln L4 bis L6 von Epcos bilden zusammen mit den Kondensatoren einen Saugkreis, der die Taktfrequenzen des Umrichters dämpft
© Epcos

Allerdings sind noch Reste der Taktfrequenz und deren Harmonischen vorhanden. Die Drosseln L1bis L3 sowie L1‘ bis L3‘ (Bild 1) tragen den gesamten Laststrom des Umrichters. Der Wert ihrer Induktivität sowie das Kernmaterial bestimmen die Filterwirkung dieser Drosseln für die Taktfrequenz. Hohe Induktivitätswerte bedingen jedoch ein großes Bauvolumen, erheblichen Kostenaufwand sowie entsprechende Kühlung. Gerade bei Umrichtern von Windkraftanlagen sind dadurch Grenzen gesetzt.
Abhilfe schafft eine Saugkreislösung mit den kombinierten Drosseln L4 bis L6 von Epcos, die mit Leistungskondensatoren der Baureihen »B3236*« oder »B2536*« des Unternehmens in Serie geschaltet sind (Bild 1). Dieser Saugkreis bedämpft die Taktfrequenzen ausreichend, wird jedoch nicht mit dem eigentlichen Laststrom beaufschlagt. Damit der Schwingkreis nicht verstimmt und somit unwirksam wird, dürfen die Saugkreisdrosseln bis zur maximalen Belastung nicht in die Sättigung gehen.

Vorteile durch Ferritkerne

Ferrite als Kernmaterialien kommen vor allem in Übertragern und Drosseln zum Einsatz, die mit Frequenzen von mehr als 50 kHz arbeiten. Dem entgegen steht das Bestreben, Ferrite durch neue, höher sättigbare Materialien zu ersetzen. Allerdings werden für diese verbesserten Materialien Seltene Erden benötigt, die teuer sind. Dies ist insbesondere dann von Nachteil, wenn die Materialien in großen Bauformen eingesetzt werden sollen, wie sie für Saugkreisdrosseln großer Leistung erforderlich sind.
Sogar im Vergleich mit preiswerteren Materialien haben sich Ferritkerne beim Einsatz in Saugkreisen bei Taktfrequenzen zwischen 2,5 kHz bis 25 kHz als ökonomischer erwiesen. Kornorientiertes Siliziumblech oder Eisenpulver verursachen wesentlich höhere Verluste durch den bedeutenden Anteil an hochfrequentem Strom. Eine thermische Überlastung ist die Folge. Ferritmaterialien sind zudem korrosionssicher, da es Oxide sind.
Durch eine entsprechende Auslegung der Drossel kann die geringe Sättigungsfestigkeit der Ferrite kompensiert werden, sodass diese etwa bis zum Doppelten des Bemessungsstroms reicht.

Bild 2: Dank Ferritkern verringert sich die Induktivität der Saugkreis-drossel für 200 A selbst bei doppeltem Bemessungsstrom (400 A) nur um etwa 2 µH
Bild 2: Dank Ferritkern verringert sich die Induktivität der Saugkreisdrossel für 200 A selbst bei doppeltem Bemessungsstrom (400 A) nur um etwa 2 µH
© Epcos

Bild 2 zeigt die Sättigungskurve einer neuen Saugkreisdrossel von Epcos für 200 A.
Die Aluminiumwicklung dieser Drosseln ist nicht nur kostengünstiger als Kupferlösungen, sondern spart auch Gewicht.

Bild 3: Der Rahmen aus nichtrostendem Stahlblech verhindert bei der Dreiphasen-Ferritdrossel für 130 A Beschädigungen während des Transports und der Montage
Bild 3: Der Rahmen aus nichtrostendem Stahlblech verhindert bei der Dreiphasen-Ferritdrossel für 130 A Beschädigungen während des Transports und der Montage
© Epcos

Durch die Kombination von Aluminiumband und Kupferanschlusswinkeln wird der kritische Kontakt von Aluminium und Kupfer in den geschützten inneren Bereich der Spule verlegt. Eine Vakuumtränkung der Drossel mit hochwertigen Epoxidharzen sorgt dafür, dass der Kontaktbereich zwischen Kupfer und Aluminium vollständig vor Feuchtigkeit und Sauerstoff geschützt ist.
Bild 3 zeigt die Dreiphasen-Ferritdrossel.
Ein lösemittelfreies hochwertiges Tränkharz verhindert über die gesamte Betriebsdauer, dass Risse auftreten. Durch diese könnten Feuchtigkeit und Sauerstoff zu der Kontaktstelle vordringen und eine elektrolytische Korrosion hervorrufen. Anschlussschienen aus Kupfer unterbinden auch beim Einsatz unter Salzwassereinfluss, dass die Kontakte elektrolytisch korrodieren. Ein Rahmen aus nichtrostendem Stahlblech, der den gesamten Kern umschließt, sichert die Drossel beim Transport und der Montage. So wird das Risiko einer Beschädigung vor Inbetriebnahme minimiert. Da der Rahmen nicht magnetisch ist, treten zudem keine Verluste durch Streufelder auf.

Parameter Wert 
Stromtragfähigkeit  130 A 
Induktivität 12 µH
Prüfspannung 3000 V (AC)
Abmessungen 200 mm x 150 mm x 220 mm
Masse 9 kg
Temperatur (max.)  +180 °C 

Tabelle 1: Kenndaten der Dreiphasen-Ferritdrossel von Epcos


Epcos erweitert Portfolie an IEC-Steckerfiltern 
Um zwei neue Baureihen hat Epcos ihre IEC-Steckerfilter der Baureihe »B84771*« ergänzt: Die Baureihe »B84773*« ist nun mit Sicherung und die Baureihe »B84776*« mit Schalter und Sicherung verfügbar. Alle Baureihen sind auch als Version für die Medizintechnik mit einem Ableitstrom von maximal 2 µA erhältlich. Damit eignen sie sich für Anwendungen, bei denen ein möglichst niedriger Ableitstrom wichtiger ist.
Beide neue Baureihen enthalten jeweils einen Sicherungshalter für zwei Sicherungen mit einem Durchmesser von 5 mm und einer Länge von 20 mm. Der Netzschalter der Baureihe B84776* ist zweipolig ausgeführt und trennt somit Phase wie Nullleiter. Die Bemessungsspannung der Steckerfilter beträgt 250 V bis 50/60 Hz. Sie sind für Nennströme von 1 A bis 10 A, die Baureihe B84771* sogar für Nennströme bis 20 A ausgelegt. Im Gerät können die Steckerfilter mit Schrauben oder Snap-in-Laschen befestigt werden. Die Kontaktierung erfolgt über Flachstecker mit Abmessungen von 6,3 mm x 0,8 mm oder Litzenanschlüsse (B84771*).
Alle Filter wurden für Umgebungstemperaturen bis maximal +85 °C spezifiziert und sind RoHS kompatibel. Die Baureihe B84771* hat die UL/CSA/ENEC-Zulassungen. Die Baureihen B84773* und B84776* sind ebenfalls bereits nach UL/CSA zugelassen; die ENEC-Zulassung wurde beantragt.
Anwendungen der IEC-Steckerfilter sind Schaltnetzteile, Büro- und Messgeräte, Spielautomaten, elektronische Kassensysteme sowie Fitnessgeräte und Systeme in der Medizintechnik. 

Das könnte Sie auch interessieren

Jetzt kostenfreie Newsletter bestellen!